Мы используем cookie для наилучшего представления нашего сайта. Подробнее об этом в Политике конфиденциальности.
Ок

Одинцово

Ваш город:
Одинцово (Московская область)?
Нет
Да
Каталог
Каталог Написать в WhatsApp
Мотоэкипировка

Электроусилитель руля (EPS) КВАДРОЦИКЛА STELS ATV 600 GT

Электроусилитель руля (EPS) КВАДРОЦИКЛА STELS ATV 600 GT в Москве: актуальный каталог, цены, фото, описание. Купите электроусилитель руля (eps) квадроцикла stels atv 600 gt в кредит – оформите заявку онлайн за 1 минуту!

Оригинальные запчасти

Артикул НАИМЕНОВАНИЕ Кол-во деталей в узле Примечание Наличие Цена Аналоги Фото
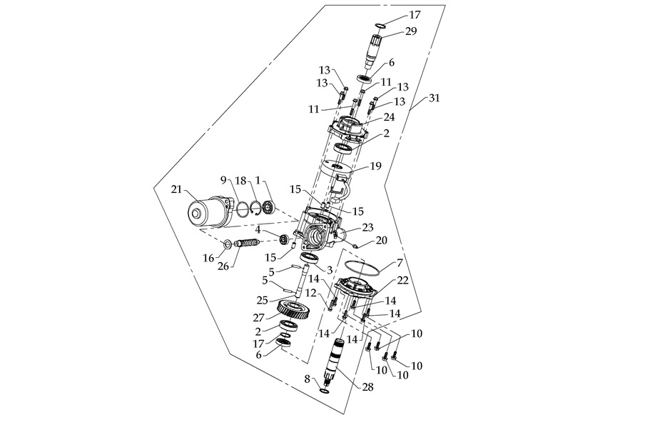
1 LU027242 Подшипник шариковый радиальный 6202 RS 15x35x11мм 00810000620210, 2766202RS

Под заказ

1

Под заказ

650

380

Купить
2 LU018904 Подшипник шариковый радиальный 6005 25х47х12мм 0.05.01100

Под заказ

2

Под заказ

830

680

Купить
3 LU023943 Подшипник шариковый радиальный 6000 10x26x8мм 9601-6000

Под заказ

1

Под заказ

340

460

Купить
4 LU018223 Сальник 25х38х7мм GB13871-1992_B25x38x7,9911-253800

Под заказ

2

Под заказ

590

680

Купить
5 LU014834 Кольцо уплотнительное 89.5x2.5мм, резина A040046-00

Под заказ

1

Под заказ

30

40

Купить
6 LU014387 Кольцо уплотнительное 21.0х2мм, резина A040049-01

Под заказ

1
Ø21XØ2 (VITON...
Ø21XØ2 (VITON)

Под заказ

550

Купить
7 LU054448 Кольцо уплотнительное 39.5х2.5мм, резина A040067-00

Под заказ

1

Под заказ

уточнить

Купить
8 LU014133 Болт с фланцем M6x1.0x 40мм , сталь 9102-06-040, 96006040LBX, 96006040LBX-H

Под заказ

2

Под заказ

170

30

Купить
9 LU013753 Болт с фланцем M6x1.0x 25мм (черн.), сталь 9102-06-025

Под заказ

1

Под заказ

40

70

Купить
10 LU014482 Болт с фланцем M6x1.0x 30/20мм, сталь A050122-41,B01090603065,30.06.5789

Под заказ

4
M6X1.0X30L
M6X1.0X30L

Под заказ

50

60

Купить
11 LU054450 Шайба регулировочная червячного привода EPS 15.2х25.0х2.0, сталь A080132-00

Под заказ

1

Под заказ

30

40

Купить
12 LU054451 Шайба регулировочная червячного привода EPS 15.2х25.0х2.1, сталь A080132-01

Под заказ

1

Под заказ

30

40

Купить
13 LU054452 Шайба регулировочная червячного привода EPS 15.2х25.0х2.2, сталь A080132-02

Под заказ

1

Под заказ

30

50

Купить
14 LU054453 Шайба регулировочная червячного привода EPS 15.2х25.0х2.3, сталь A080132-03

Под заказ

1

Под заказ

30

40

Купить
15 LU054454 Шайба регулировочная червячного привода EPS 15.2х25.0х2.4, сталь A080132-04

Под заказ

1

Под заказ

30

Купить
16 LU054455 Шайба регулировочная червячного привода EPS 15.2х25.0х2.5, сталь A080132-05

Под заказ

1

Под заказ

30

40

Купить
17 LU014907 Кольцо стопорное 25мм, сталь A100013-43,GB.T894.2-1996,90703-F12-0000

В наличии

2

В наличии

60

90

Купить
18 LU022898 Кольцо стопорное 35x1.5мм, сталь 90701-F39-0000

Под заказ

1

Под заказ

10

20

Купить
19 LU054456 Датчик угла поворота и крутящего момента электроусилителя руля (EPS) A190140-00

Под заказ

1

Под заказ

уточнить

Купить
20 LU014069 Пресс-масленка F020140-00

Под заказ

1

Под заказ

277

330

Купить
21 LU054458 Электромотор электроусилителя руля (EPS),в сборе F210505-00

Под заказ

1

Под заказ

уточнить

Купить
22 LU054459 Крышка картера электроусилителя руля (EPS), нижняя F210188-04

Под заказ

1

Под заказ

уточнить

Купить
23 LU054460 Картер электроусилителя руля (EPS) F210189-04

Под заказ

1

Под заказ

уточнить

Купить
24 LU054461 Крышка картера электроусилителя руля (EPS), верхняя F210190-04

Под заказ

1

Под заказ

уточнить

Купить
25 LU054462 Вал торсионный электроусилителя руля (EPS) F210191-00

Под заказ

1

Под заказ

уточнить

Купить
26 LU054464 Вал червячной передачи электроусилителя руля (EPS) F210192-00

Под заказ

1

Под заказ

уточнить

Купить
27 LU054465 Шестерня червячной передачи электроусилителя руля (EPS) F210193-00

Под заказ

1

Под заказ

уточнить

Купить
28 LU054466 Вал электроусилителя руля (EPS), нижний F210504-00

Под заказ

1

Под заказ

уточнить

Купить
29 LU054467 Вал электроусилителя руля (EPS), верхний F210503-00

Под заказ

1

Под заказ

уточнить

Купить
30 LU054468 Прокладка электроусилителя руля (EPS) F210202-00

Под заказ

1

Под заказ

уточнить

Купить
31 LU054469 Электроусилитель руля (EPS) в сборе F210272-00

Под заказ

1

Под заказ

17 420

19 580

Купить
32 LU057186 Электроусилитель руля (EPS) в сборе F210272A00

Под заказ

1

Под заказ

32 070

Купить

Нулевая цена не означает отсутствие товара. Оформите заказ, и менеджер сообщит вам цену и наличие товара, предварительно запросив их у поставщика

Главная Магазины
Корзина0
Профиль