Мы используем cookie для наилучшего представления нашего сайта. Подробнее об этом в Политике конфиденциальности.
Ок

Одинцово

Ваш город:
Одинцово (Московская область)?
Нет
Да
Каталог
Каталог Написать в WhatsApp
Мотоэкипировка

Насос масляный КВАДРОЦИКЛА STELS ATV 100 RS

Насос масляный КВАДРОЦИКЛА STELS ATV 100 RS в Москве: актуальный каталог, цены, фото, описание. Купите насос масляный квадроцикла stels atv 100 rs в кредит – оформите заявку онлайн за 1 минуту!

Оригинальные запчасти

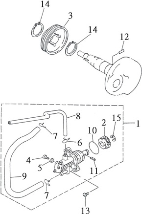
Артикул НАИМЕНОВАНИЕ Кол-во деталей в узле Примечание Наличие Цена Аналоги Фото
1 LU074834 Насос масляный в сборе 101100-104-0000

Под заказ

1

Под заказ

5 130

4 830

Купить
2 LU074874 Шестерня привода масляного насоса 50.5*M0.5 110102-104-0000

Под заказ

1

Под заказ

1 410

370

Купить
3 94510-30012 Шпонка 94510-30012

Под заказ

1

Под заказ

уточнить

Купить

Нулевая цена не означает отсутствие товара. Оформите заказ, и менеджер сообщит вам цену и наличие товара, предварительно запросив их у поставщика

Главная Магазины
Корзина0
Профиль