Мы используем cookie для наилучшего представления нашего сайта. Подробнее об этом в Политике конфиденциальности.
Ок

Одинцово

Ваш город:
Одинцово (Московская область)?
Нет
Да
Каталог
Каталог Написать в WhatsApp
Мотоэкипировка

Головка блока цилиндра КВАДРОЦИКЛА STELS UTV 700 H EFI

Головка блока цилиндра КВАДРОЦИКЛА STELS UTV 700 H EFI в Москве: актуальный каталог, цены, фото, описание. Купите головка блока цилиндра квадроцикла stels utv 700 h efi в кредит – оформите заявку онлайн за 1 минуту!

Оригинальные запчасти

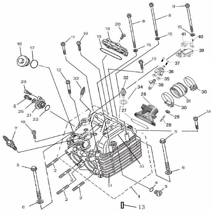
Артикул НАИМЕНОВАНИЕ Кол-во деталей в узле Примечание Наличие Цена Аналоги Фото
1 LU036543 Головка блока цилиндра (EFI) с крышкой 12000-F39-0002

Под заказ

1

Под заказ

уточнить

56 510

Купить
2 LU027493 Винт-заглушка смотрового отверстия, сталь 12371-F39-0000

Под заказ

1

Под заказ

уточнить

Купить
3 LU027492 Кольцо уплотнительное 13.4x2.35мм, резина 91217-F39-0000

Под заказ

1

Под заказ

уточнить

240

Купить
4 LU027495 Cu Washer Φ10×Φ20×2 90604-F39-0000

Под заказ

4

Под заказ

уточнить

Купить
5 LU027497 Винт с цилиндр.головк.и шестигр.шлицем M6х1.0х115мм, сталь 70.1-6-115

Под заказ

1

Под заказ

уточнить

220

Купить
6 LU027498 Винт с цилиндр.головк.и шестигр.шлицем M6х1.0х 40мм, сталь 70.1-6-40,205064044

Под заказ

2

Под заказ

уточнить

140

Купить
7 LU027500 Винт с цилиндр.головк.и шестигр.шлицем M6х1.0х 55мм, сталь 9132-06-055, GB/T70.1-2000

Под заказ

7

Под заказ

уточнить

60

Купить
8 LU027505 Шайба 6.5х11.3х1.6мм, сталь 90602-F39-0000

Под заказ

3

Под заказ

уточнить

Купить
9 LU027041 Крышка клапанного механизма (впускн.клапана), алюмин.сплав 12361-F39-0000

Под заказ

1

Под заказ

уточнить

250

Купить
10 LU027509 Кольцо уплотнительное 71.5х3мм, резина 91202-F39-0000

Под заказ

1

Под заказ

уточнить

Купить
11 LU027088 Крышка распред.вала, алюмин.сплав 12211-F39-0000

Под заказ

1

Под заказ

уточнить

310

Купить
12 LU020140 Кольцо уплотнительное 18.7х.2.45мм, резина 91203-F39-0000

Под заказ

1

Под заказ

уточнить

170

Купить
13 LU022767 Шайба 6.2х15х1.7мм, алюм.сплав 90601-F11-0000,90601-F18-0000,90603-F39-0000

Под заказ

1

Под заказ

уточнить

20

Купить
14 LU036544 Коллектор впускной (EFI), пластик 14800-F39-0000

Под заказ

1

Под заказ

уточнить

2 250

Купить
15 LU020991 Кольцо уплотнительное 64.4х3.1мм, резина A040001-00,91221-F39-0000

Под заказ

1
64.4X3.1
64.4X3.1

Под заказ

уточнить

480

Купить
16 LU021056 Гайка с фланцем M6х1.0мм, сталь 9202-06-100

Под заказ

4

Под заказ

уточнить

50

Купить
17 LU027512 Хомут 40х50мм, пластик 90402-F39-0000

Под заказ

2

Под заказ

уточнить

Купить
18 LU036044 Патрубок корпуса дроссельной заслонки (EFI), резина 14801-F68-0000_

Под заказ

1

Под заказ

уточнить

930

Купить
19 LU030036 Датчик температуры DELPHI15404280 36550-F68-0000

Под заказ

1

Под заказ

уточнить

3 160

Купить
20 LU027513 Датчик температуры сист.охлаждения 36540-F39-0000

Под заказ

1

Под заказ

уточнить

3 020

Купить
21 LU031031 Шайба 12.3х18.0х1.5мм, медь 9503-123-180-15

Под заказ

1

Под заказ

уточнить

50

показать аналоги Купить
22 LU036546 Шайба 6х2.0мм, медь 25160-F39-0000

Под заказ

2

Под заказ

уточнить

Купить
23 LU030097 Скоба крепления топливной форсунки 16430-F68-0000

Под заказ

1

Под заказ

уточнить

1 060

Купить
24 LU036545 Форсунка топливная 16400-F39-0000

Под заказ

1

Под заказ

уточнить

9 000

Купить
25 LU030094 Датчик давления и температуры смеси 16723-F68-0000

Под заказ

1

Под заказ

уточнить

9 860

Купить
26 LU036547 Скоба крепления датчика давления и температуры смеси, сталь 11109-F68-0000

Под заказ

1

Под заказ

уточнить

Купить

Нулевая цена не означает отсутствие товара. Оформите заказ, и менеджер сообщит вам цену и наличие товара, предварительно запросив их у поставщика

Главная Магазины
Корзина0
Профиль