Мы используем cookie для наилучшего представления нашего сайта. Подробнее об этом в Политике конфиденциальности.
Ок

Одинцово

Ваш город:
Одинцово (Московская область)?
Нет
Да
Каталог
Каталог Написать в WhatsApp
Мотоэкипировка

Топливный бак КВАДРОЦИКЛА STELS UTV 700 H EFI

Топливный бак КВАДРОЦИКЛА STELS UTV 700 H EFI в Москве: актуальный каталог, цены, фото, описание. Купите топливный бак квадроцикла stels utv 700 h efi в кредит – оформите заявку онлайн за 1 минуту!

Оригинальные запчасти

Артикул НАИМЕНОВАНИЕ Кол-во деталей в узле Примечание Наличие Цена Аналоги Фото
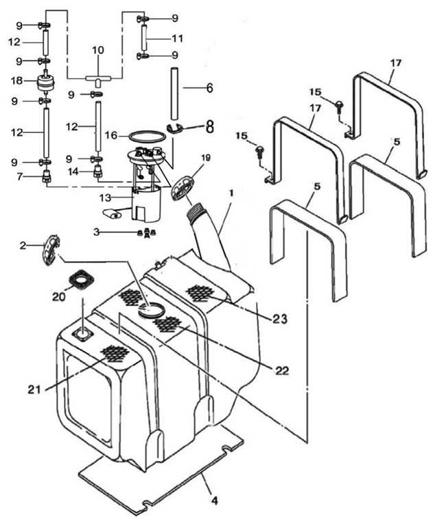
1 LU037175 Бак топливный 81101-055C-0000

Под заказ

1

Под заказ

уточнить

Купить
2 LU037176 Крышка топливного насоса 81103-055C-0000

Под заказ

1

Под заказ

уточнить

Купить
3 LU026995 Подушка крепления топливного бака, резина 81111-055-0000

Под заказ

1

Под заказ

уточнить

Купить
4 LU026996 Прокладка крепления топливного бака, пенополиуритан 81112-055-0000

Под заказ

2

Под заказ

уточнить

Купить
5 LU030151 Трубка дренажная 5х9х540мм, резина 81107-178-0000

Под заказ

1

Под заказ

уточнить

Купить
6 LU029367 Штуцер топливного насоса I 16521-178-0000

Под заказ

1

Под заказ

уточнить

Купить
7 LU025665 Клипса крепежная 9мм, пластик 91511-055-0000

Под заказ

1

Под заказ

уточнить

Купить
8 LU030040 Хомут 14,8 мм, сталь 90401-F68-0000

Под заказ

9

Под заказ

уточнить

50

Купить
9 LU029604 Тройник, пластик 16505-178-0000

Под заказ

1

Под заказ

уточнить

Купить
10 LU029358 Шланг топливной системы (высок.давления) 8x14x500мм, резина 16501-178-0000

Под заказ

1

Под заказ

уточнить

Купить
11 LU029357 Шланг топливной системы (высок.давления) 8x14x250мм, резина 16502-178-0000

Под заказ

3

Под заказ

уточнить

Купить
12 LU037178 Насос топливный 16521-055C-0000

Под заказ

1

Под заказ

уточнить

19 960

Купить
13 LU029368 Штуцер топливного насоса II 16522-178-0000

Под заказ

1

Под заказ

уточнить

Купить
14 LU016400 Болт с фланцем М8х1.25х 25мм, сталь 9102-08-025, GB/T16674.1

Под заказ

2
GB/T16674.1-2004
GB/T16674.1-2004

Под заказ

уточнить

120

Купить
15 LU030153 Прокладка топливного насоса 68х100х4.5мм, резина 16401-178-0000

Под заказ

1

Под заказ

уточнить

460

Купить
16 LU027002 Лента крепления топливного бака, сталь 81113-055-0000

Под заказ

2

Под заказ

уточнить

Купить
17 LU029354 Фильтр топливный в сборе (метал.корпус) 16020-178-0000

Под заказ

1

Под заказ

уточнить

820

Купить
18 LU049112 Крышка топливного бака, пластик 81300-055-0000

Под заказ

1

Под заказ

уточнить

740

Купить
19 LU022458 Прокладка датчика уровня топлива, резина 112001-102-0000 STELS UTV 700 H EFI

В наличии

1

В наличии

30

Купить
20 LU027006 Обшивка зашитная бензобака III, картон 94807-055-0000

Под заказ

1

Под заказ

уточнить

Купить
21 LU027005 Обшивка зашитная бензобака II, картон 94806-055-0000

Под заказ

1

Под заказ

уточнить

Купить
22 LU027004 Обшивка зашитная бензобака I, картон 94805-055-0000

Под заказ

1

Под заказ

уточнить

Купить

Нулевая цена не означает отсутствие товара. Оформите заказ, и менеджер сообщит вам цену и наличие товара, предварительно запросив их у поставщика

Главная Магазины
Корзина0
Профиль