Мы используем cookie для наилучшего представления нашего сайта. Подробнее об этом в Политике конфиденциальности.
Ок

Одинцово

Ваш город:
Одинцово (Московская область)?
Нет
Да
Каталог
Каталог Написать в WhatsApp
Мотоэкипировка

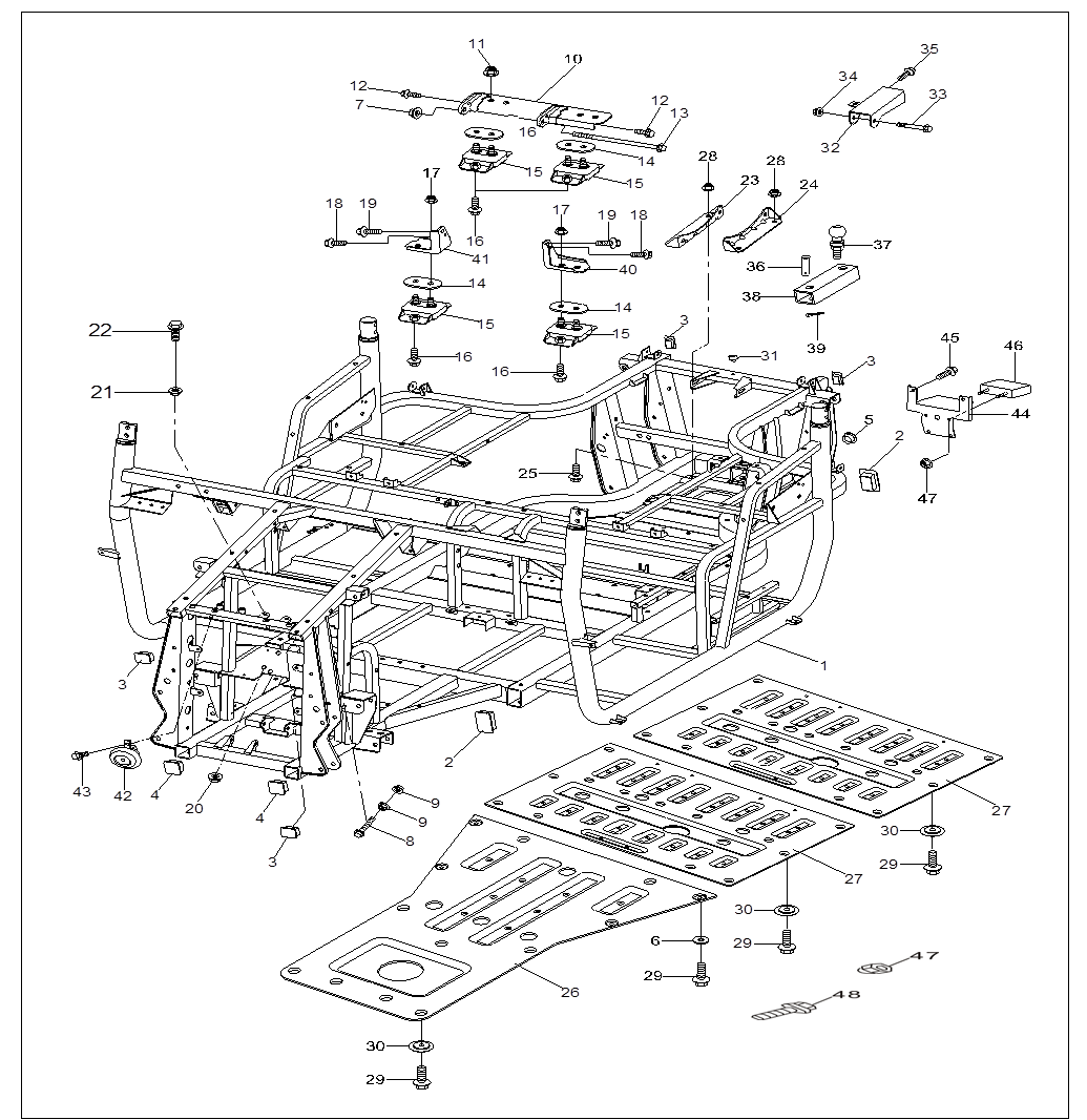
Рама КВАДРОЦИКЛА STELS UTV 800H

Рама КВАДРОЦИКЛА STELS UTV 800H в Москве: актуальный каталог, цены, фото, описание. Купите рама квадроцикла stels utv 800h в кредит – оформите заявку онлайн за 1 минуту!

Оригинальные запчасти

Артикул НАИМЕНОВАНИЕ Кол-во деталей в узле Примечание Наличие Цена Аналоги Фото
1 LU029130 Рама UTV-800 51100-178-0000

Под заказ

1

Под заказ

уточнить

Купить
2 LU018130 Гайка с фланцем самоконтр.M10х1.25мм (зелен), сталь 9203-10-125

Под заказ

1

Под заказ

380

70

Купить
3 LU013751 Болт с фланцем M6x1.0x 16мм , сталь 9102-06-016

В наличии

1

В наличии

130

40

Купить
4 LU029117 Опора крепления двигателя, задняя 54440-178-0000

Под заказ

1

Под заказ

65

80

Купить
5 LU018130 Гайка с фланцем самоконтр.M10х1.25мм (зелен), сталь 9203-10-125

Под заказ

4

Под заказ

380

70

Купить
6 LU013797 Болт с фланцем M6x1.0x 20мм, сталь 9102-06-020, Q/QD922

В наличии

2

В наличии

380

30

Купить
7 LU018505 Болт с фланцем М10х1.25х 20мм , сталь 9102-10-020, S-008-0051-C0

В наличии

8

В наличии

330

130

Купить
8 LU018130 Гайка с фланцем самоконтр.M10х1.25мм (зелен), сталь 9203-10-125

Под заказ

4

Под заказ

380

70

Купить
9 LU013797 Болт с фланцем M6x1.0x 20мм, сталь 9102-06-020, Q/QD922

В наличии

2

В наличии

380

30

Купить
10 LU016395 Болт с фланцем М8х1.25х 20мм, сталь

Под заказ

2
GB/T5783-2000
GB/T5783-2000

Под заказ

380

520

показать аналоги Купить
11 LU018130 Гайка с фланцем самоконтр.M10х1.25мм (зелен), сталь 9203-10-125

Под заказ

4

Под заказ

380

70

Купить
12 LU013751 Болт с фланцем M6x1.0x 16мм , сталь 9102-06-016

В наличии

2

В наличии

130

40

Купить
13 LU029108 Кронштейн крепления заднего моста, нижний, правый 26013-178-0000

Под заказ

1

Под заказ

100

120

Купить
14 LU029109 Кронштейн крепления заднего моста, нижний, левый 26011-178-0000

Под заказ

1

Под заказ

100

160

Купить
15 LU018505 Болт с фланцем М10х1.25х 20мм , сталь 9102-10-020, S-008-0051-C0

В наличии

4

В наличии

330

130

Купить
16 LU029578 Защита переднего редуктора, сталь 82701-178-0000

Под заказ

1

Под заказ

4 640

960

Купить
17 LU018130 Гайка с фланцем самоконтр.M10х1.25мм (зелен), сталь 9203-10-125

Под заказ

4

Под заказ

380

70

Купить
18 LU013751 Болт с фланцем M6x1.0x 16мм , сталь 9102-06-016

В наличии

26

В наличии

130

40

Купить
19 LU029454 Шайба кровельная, сталь 90611-055-0000

Под заказ

22

Под заказ

уточнить

Купить
20 LU029520 Подушка болта крепления глушителя 10х24х8мм, резина 90241-000-0000

Под заказ

1

Под заказ

уточнить

Купить
21 54401-178-0000 Кронштейн крепления двигателя задний, верхний 54401-178-0000

Под заказ

1

Под заказ

уточнить

Купить
22 LU029149 Штифт сцепного устройства, сталь 72302-178-0000

Под заказ

1

Под заказ

40

60

Купить
23 LU029103 Палец шаровый сцепного устройства 72301-055-0000

Под заказ

1

Под заказ

323

520

Купить
24 LU029104 Кронштейн сцепного устройства 72310-178-0000

Под заказ

1

Под заказ

70

Купить
25 LU029148 Шплинт штифта сцепного устройства, сталь 90210-055-0000

Под заказ

1

Под заказ

10

20

Купить
26 LU029505 Кронштейн крепления подушки двигателя передний, левый 54405-178-0000

Под заказ

1

Под заказ

100

140

Купить
27 LU029504 Кронштейн крепления подушки двигателя передний, правый 54406-178-0000

Под заказ

1

Под заказ

560

760

Купить
28 LU013797 Болт с фланцем M6x1.0x 20мм, сталь 9102-06-020, Q/QD922

В наличии

2

В наличии

380

30

Купить
29 LU032149 Кронштейн крепления пластины номерного знака 54252-055-0000

Под заказ

1

Под заказ

70

90

Купить
30 LU013797 Болт с фланцем M6x1.0x 20мм, сталь 9102-06-020, Q/QD922

В наличии

2

В наличии

380

30

Купить
31 LU026899 Фонарь освещения номерного знака 35205-055-0000

Под заказ

1

Под заказ

100

140

Купить
32 LU018339 Гайка с фланцем самоконтр.М5х0.8мм, сталь 6187.2-5-00

Под заказ

2

Под заказ

уточнить

Купить
33 LU014236 Болт с фланцем M6x1.0x 35мм , сталь 9102-06-035

Под заказ

Под заказ

80

100

Купить

Нулевая цена не означает отсутствие товара. Оформите заказ, и менеджер сообщит вам цену и наличие товара, предварительно запросив их у поставщика

Главная Магазины
Корзина0
Профиль