Мы используем cookie для наилучшего представления нашего сайта. Подробнее об этом в Политике конфиденциальности.
Ок

Одинцово

Ваш город:
Одинцово (Московская область)?
Нет
Да
Каталог
Каталог Написать в WhatsApp
Мотоэкипировка

Тормозная система КВАДРОЦИКЛА STELS UTV 800H

Тормозная система КВАДРОЦИКЛА STELS UTV 800H в Москве: актуальный каталог, цены, фото, описание. Купите тормозная система квадроцикла stels utv 800h в кредит – оформите заявку онлайн за 1 минуту!

Оригинальные запчасти

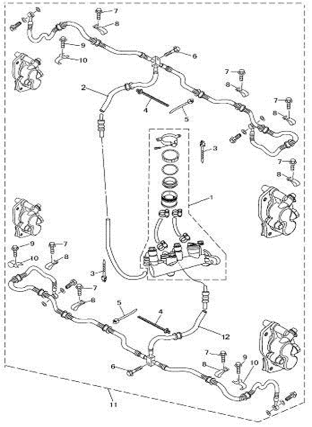
Артикул НАИМЕНОВАНИЕ Кол-во деталей в узле Примечание Наличие Цена Аналоги Фото
1 LU026711 Шланги задней торм.сист. армированные с тройником, резина 44511-055-0000

Под заказ

1

Под заказ

2 080

2 980

Купить
2 LU026661 Хомут (тип 4) 200мм, пластик 91524-055-0000-4

Под заказ

8

Под заказ

уточнить

Купить
3 LU026698 Хомут крепления передних трубопроводов тормозной системы 1, сталь 44117-055-0000

Под заказ

8

Под заказ

уточнить

Купить
4 LU026670 Система тормозная (4 торм.диска), в сборе 44100-055-0100,44100-178-0000

Под заказ

1

Под заказ

8 200

13 230

Купить
5 LU026718 Шланги передней торм.сист.армированные с тройником, резина 44516-055-0000

Под заказ

1

Под заказ

6 930

10 670

Купить

Нулевая цена не означает отсутствие товара. Оформите заказ, и менеджер сообщит вам цену и наличие товара, предварительно запросив их у поставщика

Главная Магазины
Корзина0
Профиль