Мы используем cookie для наилучшего представления нашего сайта. Подробнее об этом в Политике конфиденциальности.
Ок

Одинцово

Ваш город:
Одинцово (Московская область)?
Нет
Да
Каталог
Каталог Написать в WhatsApp
Мотоэкипировка

Топливопроводы 2-Х ТАКТНОГО ПЛМ MERCURY 150 PRO XS L OPTIMAX Серийный номер от 1B690542 и выше

Топливопроводы 2-Х ТАКТНОГО ПЛМ MERCURY 150 PRO XS L OPTIMAX Серийный номер от 1B690542 и выше в Москве: актуальный каталог, цены, фото, описание. Купите топливопроводы 2-х тактного плм mercury 150 pro xs l optimax серийный номер от 1b690542 и выше в кредит – оформите заявку онлайн за 1 минуту!

Оригинальные запчасти

Артикул НАИМЕНОВАНИЕ Кол-во деталей в узле Примечание Наличие Цена Аналоги Фото
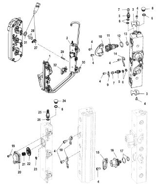
1 8M0055705 FUEL RAIL ASSY

Под заказ

1

Под заказ

уточнить

Купить
2 804525001 SCREW PACKAGE, (2 Per) (M5 x 10)

Под заказ

16

Под заказ

уточнить

Купить
3 8M0047053 VALVE KIT

Под заказ

2

Под заказ

уточнить

Купить
4 804840 Комплект уплотнительных колец (O-RING KIT)

Под заказ

1

Под заказ

уточнить

Купить
5 805515 CAP, Shrader Valve - Brass

Под заказ

2

Под заказ

уточнить

Купить
6 8M0041097 BRACKET

Под заказ

1

Под заказ

уточнить

Купить
7 804528 Топливная форсунка OptiMax (INJECTOR)

Под заказ

6

Под заказ

уточнить

Купить
8 804530 Комплект уплотнительных колец (O-RING KIT)

Под заказ

1

Под заказ

уточнить

Купить
9 804529 Комплект уплотнительных колец (O-RING KIT)

Под заказ

1

Под заказ

уточнить

Купить
10 804522 CLAMP

Под заказ

2

Под заказ

уточнить

Купить
11 880808 CLAMP

Под заказ

1

Под заказ

уточнить

Купить
12 880807T04 Регулятор (AIR REGULATOR)

Под заказ

1

Под заказ

уточнить

Купить
13 880809 Уплотнительные кольца регулятора РВ (O-RING KIT)

Под заказ

1

Под заказ

уточнить

Купить
14 804832 CLAMP

Под заказ

2

Под заказ

уточнить

Купить
15 804535001 COVER

Под заказ

1

Под заказ

уточнить

Купить
16 804534 Пружина диафрагмы (SPRING)

Под заказ

1

Под заказ

уточнить

Купить
17 804533 Диафрагма (DIAPHRAGM ASSY)

Под заказ

1

Под заказ

уточнить

Купить
18 804536 Уплотнительное кольцо (O-RING)

Под заказ

2

Под заказ

уточнить

Купить
19 804836 FITTING

Под заказ

1

Под заказ

уточнить

Купить
20 804532 Комплект уплотнительных колец(O-RING KIT16per kit)

Под заказ

1

Под заказ

уточнить

Купить
21 8M6001744 Инжектор воздушный (INJECTOR ASM-AIR)

Под заказ

6

Под заказ

уточнить

Купить
22 804875 Комплект уплотнителей(SEAL KIT, Director Injector)

Под заказ

6

Под заказ

уточнить

Купить
23 826292 Гайка (NUT, M10)

Под заказ

4

Под заказ

уточнить

Купить
24 859404002 WASHER, Injection

Под заказ

6

Под заказ

уточнить

Купить
25 899145 CLIP, Tie Strap

Под заказ

4

Под заказ

уточнить

Купить

Нулевая цена не означает отсутствие товара. Оформите заказ, и менеджер сообщит вам цену и наличие товара, предварительно запросив их у поставщика

Главная Магазины
Корзина0
Профиль