Мы используем cookie для наилучшего представления нашего сайта. Подробнее об этом в Политике конфиденциальности.
Ок

Одинцово

Ваш город:
Одинцово (Московская область)?
Нет
Да
Каталог
Каталог Написать в WhatsApp
Мотоэкипировка

Блок цилиндров 2-х тактного ПЛМ MERCURY 25 М Серийный номер от 0N055505 и выше

Блок цилиндров 2-х тактного ПЛМ MERCURY 25 М Серийный номер от 0N055505 и выше в Москве: актуальный каталог, цены, фото, описание. Купите блок цилиндров 2-х тактного плм mercury 25 м серийный номер от 0n055505 и выше в кредит – оформите заявку онлайн за 1 минуту!

Оригинальные запчасти

Артикул НАИМЕНОВАНИЕ Кол-во деталей в узле Примечание Наличие Цена Аналоги Фото
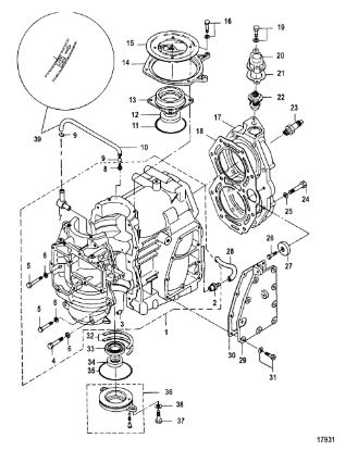
1 815013T13 Блок цилиндров -только литье 25-30(CYLINDER BLOCK)

Под заказ

1

Под заказ

уточнить

Купить
2 8129602 FITTING-TELL-TALE

Под заказ

1

Под заказ

уточнить

Купить
3 9521814 PIN, Dowel

Под заказ

2

Под заказ

уточнить

Купить
4 166951 BOLT

Под заказ

8

Под заказ

уточнить

Купить
5 8M0047832 BOLT

Под заказ

8

Под заказ

уточнить

Купить
6 8M0106721 BOLT

Под заказ

2

Под заказ

уточнить

Купить
7 812960006 Патрубок (NIPPLE)

Под заказ

1

Под заказ

уточнить

Купить
8 8M0064617 Фиттинг (FITTING-NIPPLE)

Под заказ

1

Под заказ

уточнить

Купить
9 95332002 CLIP

Под заказ

2

Под заказ

уточнить

Купить
10 95223009 TUBING

Под заказ

1

Под заказ

уточнить

Купить
11 853709 Уплотнительное кольцо (O RING)

Под заказ

1

Под заказ

уточнить

Купить
12 853707 Сальник (OIL SEAL)

Под заказ

1

Под заказ

уточнить

Купить
13 853708 UPPER END CAP

Под заказ

1

Под заказ

уточнить

Купить
14 853710 Блокировка стартера (TIMING PLATE)

Под заказ

1

Под заказ

уточнить

Купить
15 853711 GUIDE PLATE

Под заказ

1

Под заказ

уточнить

Купить
16 9630T02 CYLINDER HEAD

Под заказ

1

Под заказ

уточнить

Купить
17 898101264 PLUG, Welch

Под заказ

1

Под заказ

уточнить

Купить
18 8M0119224 Набор прокладок (+TH 346-01005-1 G)

Под заказ

1

Под заказ

уточнить

Купить
19 879194264 Болт (BOLT)

Под заказ

2

Под заказ

уточнить

Купить
20 8537052 Колпачок (CAP)

Под заказ

1

Под заказ

уточнить

Купить
21 853702005 Прокладка (+TH 346-01032-0D0)

Под заказ

1

Под заказ

уточнить

Купить
22 853704 Термостат (THERMOSTAT)

Под заказ

1

Под заказ

уточнить

Купить
23 8M0114740 Свеча зажигания (S PLUG B7HS @4)

Под заказ

2

Под заказ

уточнить

Купить
24 828942 Свеча зажигания (NGK BR7HS-10@10)

Под заказ

2

Под заказ

уточнить

Купить
25 898101927 SCREW

Под заказ

10

Под заказ

уточнить

Купить
26 8M0106725 WASHER

Под заказ

10

Под заказ

уточнить

Купить
27 823913Q Анод (ANODE)

Под заказ

1

Под заказ

уточнить

Купить
28 851848018 TUBING, (250mm)

Под заказ

1

Под заказ

уточнить

Купить
29 853706 EXHAUST COVER

Под заказ

1

Под заказ

уточнить

Купить
30 812939018 Прокладка (GASKET)

Под заказ

1

Под заказ

уточнить

Купить
31 898103A79 SCREW/WASHER KIT, Includes Reference 22

Под заказ

9

Под заказ

уточнить

Купить
32 8M0130965 BOLT

Под заказ

9

Под заказ

уточнить

Купить
33 853712 Упорная пластина (THRUST RING)

Под заказ

2

Под заказ

уточнить

Купить
34 8537071 Сальник (OIL SEAL)

Под заказ

1

Под заказ

уточнить

Купить
35 8537072 Сальник (OIL SEAL)

Под заказ

1

Под заказ

уточнить

Купить
36 8537091 Уплотнительное кольцо (O RING)

Под заказ

1

Под заказ

уточнить

Купить
37 853713T END CAP LOWER

Под заказ

1

Под заказ

уточнить

Купить
38 16832 Болт M6x16 (BOLT)

Под заказ

2

Под заказ

уточнить

Купить
39 8M0084273 Набор прокладок дв.блока (GASKET SET)

Под заказ

1

Под заказ

уточнить

Купить
40 853787A07 Двигательный блок в сборе 25-30(PH 25/30 2S(INTL))

Под заказ

1

Под заказ

уточнить

Купить

Нулевая цена не означает отсутствие товара. Оформите заказ, и менеджер сообщит вам цену и наличие товара, предварительно запросив их у поставщика

Главная Магазины
Корзина0
Профиль