Мы используем cookie для наилучшего представления нашего сайта. Подробнее об этом в Политике конфиденциальности.
Ок

Одинцово

Ваш город:
Одинцово (Московская область)?
Нет
Да
Каталог
Каталог Написать в WhatsApp
Мотоэкипировка

Коллектор 2-х тактного ПЛМ MERCURY 25 М Серийный номер от 0N055505 и выше

Коллектор 2-х тактного ПЛМ MERCURY 25 М Серийный номер от 0N055505 и выше в Москве: актуальный каталог, цены, фото, описание. Купите коллектор 2-х тактного плм mercury 25 м серийный номер от 0n055505 и выше в кредит – оформите заявку онлайн за 1 минуту!

Оригинальные запчасти

Артикул НАИМЕНОВАНИЕ Кол-во деталей в узле Примечание Наличие Цена Аналоги Фото
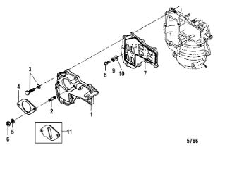
1 8M0130960 INLET MANIFOLD

Под заказ

1

Под заказ

уточнить

Купить
2 8M0106728 STUD

Под заказ

2

Под заказ

уточнить

Купить
3 168284 Болт (BOLT)

Под заказ

9

Под заказ

уточнить

Купить
4 853702007 Прокладка (GASKET)

Под заказ

1

Под заказ

уточнить

Купить
5 400212 Гайка (NUT)

Под заказ

2

Под заказ

уточнить

Купить
6 853719 *** Лепестковые клапана (REED BLOCK)

Под заказ

1

Под заказ

уточнить

Купить
7 8230311 SCREW

Под заказ

1

Под заказ

уточнить

Купить
8 16818 LOCKWASHER

Под заказ

1

Под заказ

уточнить

Купить
9 809931044 WASHER

Под заказ

1

Под заказ

уточнить

Купить
10 885193 RESTRICTOR

Под заказ

1

Под заказ

уточнить

Купить
11 853780A1 REPAIR KIT, Carburetor

Под заказ

1

Под заказ

уточнить

Купить
12 8M0084273 Набор прокладок дв.блока (GASKET SET)

Под заказ

1

Под заказ

уточнить

Купить
13 853787A07 Двигательный блок в сборе 25-30(PH 25/30 2S(INTL))

Под заказ

1

Под заказ

уточнить

Купить

Нулевая цена не означает отсутствие товара. Оформите заказ, и менеджер сообщит вам цену и наличие товара, предварительно запросив их у поставщика

Главная Магазины
Корзина0
Профиль