Мы используем cookie для наилучшего представления нашего сайта. Подробнее об этом в Политике конфиденциальности.
Ок

Одинцово

Ваш город:
Одинцово (Московская область)?
Нет
Да
Каталог
Каталог Написать в WhatsApp
Мотоэкипировка

Корпус редуктора в сборе (2 / 2,5 л.с.) 2-Х ТАКТНОГО ПЛМ MERCURY 3.3M Серийный номер от 0G710613 до 0T894576

Корпус редуктора в сборе (2 / 2,5 л.с.) 2-Х ТАКТНОГО ПЛМ MERCURY 3.3M Серийный номер от 0G710613 до 0T894576 в Москве: актуальный каталог, цены, фото, описание. Купите корпус редуктора в сборе (2 / 2,5 л.с.) 2-х тактного плм mercury 3.3m серийный номер от 0g710613 до 0t894576 в кредит – оформите заявку онлайн за 1 минуту!

Оригинальные запчасти

Артикул НАИМЕНОВАНИЕ Кол-во деталей в узле Примечание Наличие Цена Аналоги Фото
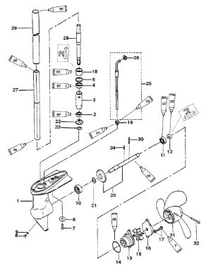
1 825122A2 GEAR HOUSING

Под заказ

N/A

Под заказ

уточнить

Купить
2 95220A3 Набор прокладок редуктора 2,5-3,3 (GASKET SET-L/U)

Под заказ

N/A

Под заказ

уточнить

Купить
3 825122T1 GEAR HOUSING ASSEMBLY, Basic

Под заказ

N/A

Под заказ

уточнить

Купить
4 95342 Подшипник (BEARING-BALL)

Под заказ

N/A

Под заказ

уточнить

Купить
5 95343 SPACER

Под заказ

N/A

Под заказ

уточнить

Купить
6 95344 Шариковый подшипник (BEARING-BALL )

Под заказ

N/A

Под заказ

уточнить

Купить
7 95345 SNAP RING, BALL BEARING

Под заказ

N/A

Под заказ

уточнить

Купить
8 823913Q Анод (ANODE)

Под заказ

N/A

Под заказ

уточнить

Купить
9 16832 Болт M6x16 (BOLT)

Под заказ

N/A

Под заказ

уточнить

Купить
10 953683 Заглушка (PLUG-OIL)

Под заказ

N/A

Под заказ

уточнить

Купить
11 8M0082880 Прокладка (GASKET @3)

Под заказ

N/A

Под заказ

уточнить

Купить
12 95347 Шарикоподшипник (BEARING-BALL)

Под заказ

N/A

Под заказ

уточнить

Купить
13 95348 Сальник (SEAL-OIL)

Под заказ

N/A

Под заказ

уточнить

Купить
14 952871 Корпус водяной помпы (HOUSING ASSY-W/P )

Под заказ

N/A

Под заказ

уточнить

Купить
15 95288 Уплотнительное кольцо (O RING)

Под заказ

N/A

Под заказ

уточнить

Купить
16 952892 Крыльчатка водяного насоса (IMPELLER)Используется на моторах: 2,5 л.с. двухтактные

Под заказ

N/A

Под заказ

уточнить

1 460

Купить
17 825114 Крышка редуктора

Под заказ

N/A

Под заказ

уточнить

Купить
18 167051 Болт (BOLT)

Под заказ

N/A

Под заказ

уточнить

Купить
19 95350 Сальник (SEAL-OIL)

Под заказ

N/A

Под заказ

уточнить

Купить
20 95291A1 PROPELLER SHAFT

Под заказ

N/A

Под заказ

уточнить

Купить
21 811647A1 SHIM

Под заказ

N/A

Под заказ

уточнить

Купить
22 95293 PINION GEAR

Под заказ

N/A

Под заказ

уточнить

Купить
23 815066 Стопорное кольцо (SNAP RING)

Под заказ

N/A

Под заказ

уточнить

Купить
24 95371 Шпонка (KEY, IMPELLER)

Под заказ

N/A

Под заказ

уточнить

Купить
25 95359 WATER TUBE ASSEMBLY

Под заказ

N/A

Под заказ

уточнить

Купить
26 953593 WATER TUBE ASSEMBLY

Под заказ

N/A

Под заказ

уточнить

Купить
27 953601 Втулка верхняя трубки охлаждения (GROMMET, Upper)

Под заказ

N/A

Под заказ

уточнить

Купить
28 95290 DRIVESHAFT (Upper)

Под заказ

N/A

Под заказ

уточнить

Купить
29 952903 DRIVESHAFT (Upper)

Под заказ

N/A

Под заказ

уточнить

Купить
30 95369 DRIVESHAFT, Lower

Под заказ

N/A

Под заказ

уточнить

Купить
31 95277 PIPE

Под заказ

N/A

Под заказ

уточнить

Купить
32 952772 PIPE

Под заказ

N/A

Под заказ

уточнить

Купить
33 815111Q02 Шпонка (SHEAR PIN KT@2 )

Под заказ

N/A

Под заказ

уточнить

Купить
34 815083A01 Винт гребной (BLKMAX 7.4X6 RH D X 6P X 3RH)для моторов мощностью 2,5 л.с. (2-х и 4-х т)диам 7.375дюй

Под заказ

N/A

Под заказ

уточнить

2 470

Купить
35 815084A01 Винт гребной (BLMX 7 3/8R6) 2.5-3.5 л.с. аллюм

Под заказ

N/A

Под заказ

уточнить

Купить
36 815084A02 Винт гребной (BLMX 7 3/8R7) 3.3 л.с. станд.

Под заказ

N/A

Под заказ

уточнить

Купить
37 815083A02 Винт гребной (BLKMAX 7.38X7 RH)для моторов мощностью 3,3 л.с. (2-х т) и 3,5 л.с. (4-х т)диаметр 7.37

Под заказ

N/A

Под заказ

уточнить

2 950

Купить
38 95295 Шплинт (PIN-COTTER @5)

Под заказ

N/A

Под заказ

уточнить

Купить

Нулевая цена не означает отсутствие товара. Оформите заказ, и менеджер сообщит вам цену и наличие товара, предварительно запросив их у поставщика

Главная Магазины
Корзина0
Профиль