Мы используем cookie для наилучшего представления нашего сайта. Подробнее об этом в Политике конфиденциальности.
Ок

Одинцово

Ваш город:
Одинцово (Московская область)?
Нет
Да
Каталог
Каталог Написать в WhatsApp
Мотоэкипировка

Электрические компоненты 2-х тактного ПЛМ MERCURY 30 M Серийный номер от 0N001875 до 0N055504

Электрические компоненты 2-х тактного ПЛМ MERCURY 30 M Серийный номер от 0N001875 до 0N055504 в Москве: актуальный каталог, цены, фото, описание. Купите электрические компоненты 2-х тактного плм mercury 30 m серийный номер от 0n001875 до 0n055504 в кредит – оформите заявку онлайн за 1 минуту!

Оригинальные запчасти

Артикул НАИМЕНОВАНИЕ Кол-во деталей в узле Примечание Наличие Цена Аналоги Фото
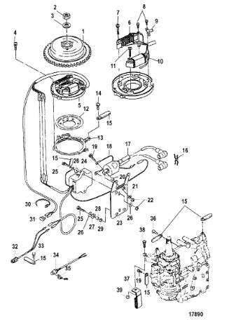
1 815024T05 Маховик (FLYWHEEL)

Под заказ

1

Под заказ

уточнить

Купить
2 8537224 Гайка (NUT)

Под заказ

1

Под заказ

уточнить

Купить
3 851832001 Гайка (NUT, (Gold))

Под заказ

1

Под заказ

уточнить

Купить
4 8537011 Шайба (WASHER)

Под заказ

1

Под заказ

уточнить

Купить
5 853737T03 COIL PLATE ASSY

Под заказ

1

Под заказ

уточнить

Купить
6 160743 Токосъемная катушка (ALTERNATOR)

Под заказ

1

Под заказ

уточнить

Купить
7 8230312 SCREW

Под заказ

2

Под заказ

уточнить

Купить
8 853738 WIRE GUIDE

Под заказ

1

Под заказ

уточнить

Купить
9 803702T Токосъемная катушка (EXCITER COIL)

Под заказ

1

Под заказ

уточнить

Купить
10 8230313 SCREW

Под заказ

2

Под заказ

уточнить

Купить
11 853711 GUIDE PLATE

Под заказ

1

Под заказ

уточнить

Купить
12 853710 Блокировка стартера (TIMING PLATE)

Под заказ

1

Под заказ

уточнить

Купить
13 8230315 SCREW

Под заказ

1

Под заказ

уточнить

Купить
14 813275 CLAMP, RECTIFIER (SAIL POWER)

Под заказ

6

Под заказ

уточнить

Купить
15 953953 CLIP

Под заказ

1

Под заказ

уточнить

Купить
16 8M0047311 Катушка зажигания (ING. COIL BOX 8)

Под заказ

0

Под заказ

уточнить

Купить
17 853740 GROUND WIRE

Под заказ

1

Под заказ

уточнить

Купить
18 823042 Болт (BOLT)

Под заказ

2

Под заказ

уточнить

Купить
19 8537151 Шайба (SPACER)

Под заказ

2

Под заказ

уточнить

Купить
20 400212 Гайка (NUT)

Под заказ

3

Под заказ

уточнить

Купить
21 853739 ELECTRICAL PLATE

Под заказ

1

Под заказ

уточнить

Купить
22 16061T03 Коммутатор (CD UNIT)

Под заказ

1

Под заказ

уточнить

Купить
23 8230421 BOLT

Под заказ

4

Под заказ

уточнить

Купить
24 953923 WASHER (RUBBER)

Под заказ

3

Под заказ

уточнить

Купить
25 952868 COLLAR

Под заказ

3

Под заказ

уточнить

Купить
26 953924 WASHER (RUBBER)

Под заказ

3

Под заказ

уточнить

Купить
27 16828 BOLT

Под заказ

1

Под заказ

уточнить

Купить
28 823037A2 Стоп-кнопка (LANYARD ST.SWITCH)

Под заказ

1

Под заказ

уточнить

Купить
29 823054 Стропка (LANYARD ASSY)

Под заказ

1

Под заказ

уточнить

Купить
30 8230316 SCREW

Под заказ

2

Под заказ

уточнить

Купить
31 953952 CLAMP

Под заказ

1

Под заказ

уточнить

Купить
32 8M0106736 BOLT

Под заказ

1

Под заказ

уточнить

Купить
33 400213 Гайка

Под заказ

1

Под заказ

уточнить

Купить

Нулевая цена не означает отсутствие товара. Оформите заказ, и менеджер сообщит вам цену и наличие товара, предварительно запросив их у поставщика

Главная Магазины
Корзина0
Профиль