Мы используем cookie для наилучшего представления нашего сайта. Подробнее об этом в Политике конфиденциальности.
Ок

Одинцово

Ваш город:
Одинцово (Московская область)?
Нет
Да
Каталог
Каталог Написать в WhatsApp
Мотоэкипировка

Топливный насос электрический 2-х тактного ПЛМ MERCURY 40 M Серийный номер от 0G055314 до 0G760299

Топливный насос электрический 2-х тактного ПЛМ MERCURY 40 M Серийный номер от 0G055314 до 0G760299 в Москве: актуальный каталог, цены, фото, описание. Купите топливный насос электрический 2-х тактного плм mercury 40 m серийный номер от 0g055314 до 0g760299 в кредит – оформите заявку онлайн за 1 минуту!

Оригинальные запчасти

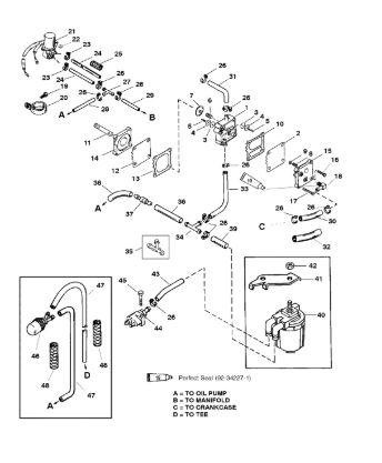
Артикул НАИМЕНОВАНИЕ Кол-во деталей в узле Примечание Наличие Цена Аналоги Фото
1 14360A78 Топливный насос (PUMP KIT-FUEL)

Под заказ

1

Под заказ

уточнить

Купить
2 857005A1 Ремкомплект бензонасоса Mercury - DIAPHRAM KIT QUICKSILVER

Под заказ

1

Под заказ

уточнить

4 820

Купить
3 987691 Прокладка (GASKET)

Под заказ

1

Под заказ

уточнить

Купить
4 144303 BASE, FUEL PUMP

Под заказ

1

Под заказ

уточнить

Купить
5 987752 PLATE

Под заказ

1

Под заказ

уточнить

Купить
6 82130050 SCREW-PUMP TO BLOCK (M6 X 50)

Под заказ

2

Под заказ

уточнить

Купить
7 82104540 SCREW-FUEL PUMP (M5 X 40)

Под заказ

2

Под заказ

уточнить

Купить
8 433351 Коннектор (CONNECTOR)

Под заказ

1

Под заказ

уточнить

Купить
9 4006731 Болт (SCREW)

Под заказ

1

Под заказ

уточнить

Купить
10 633001 CLAMP, ENRICHNER VALVE

Под заказ

1

Под заказ

уточнить

Купить
11 633003 CLAMP

Под заказ

1

Под заказ

уточнить

Купить
12 819503A5 Клапан соленоид (SOLENOID KIT)

Под заказ

1

Под заказ

уточнить

Купить
13 F694504 GROMMET

Под заказ

1

Под заказ

уточнить

Купить
14 69355 Хомут (STA STRAP, (5.50 Inch))

Под заказ

2

Под заказ

уточнить

Купить
15 9912688 Топливная трубка (TUBING-36 INCH)

Под заказ

2

Под заказ

уточнить

Купить
16 82538115 SLEEVE (1/2 X 5 IN.)

Под заказ

1

Под заказ

уточнить

Купить
17 82459620 SLEEVE (3/8 X 7-1/2 IN.)

Под заказ

1

Под заказ

уточнить

Купить
18 59169003 Тройник (FITTING @2)

Под заказ

1

Под заказ

уточнить

Купить
19 892024122 Шланг обратного клапана (TUBING-20 FEET)

Под заказ

1

Под заказ

уточнить

Купить
20 830764 Шланг (HOSE)

Под заказ

1

Под заказ

уточнить

Купить
21 9912878 Шланг (TUBING (1-1/2 IN.))

Под заказ

1

Под заказ

уточнить

Купить
22 8507051 INSULATOR

Под заказ

1

Под заказ

уточнить

Купить
23 830763 HOSE

Под заказ

1

Под заказ

уточнить

Купить
24 818993 Коннектор (TEE)

Под заказ

1

Под заказ

уточнить

Купить
25 818992 Коннектор (CONNECTOR)

Под заказ

1

Под заказ

уточнить

Купить
26 8189941 Обратный клапан (VALVE-CHECK)

Под заказ

1

Под заказ

уточнить

Купить
27 82381335 Шланг (TUBING, (15.00 Inches Bulk))

Под заказ

1

Под заказ

уточнить

Купить
28 891642T03 Фильтр (FILTER ASSY-FUEL)

Под заказ

1

Под заказ

уточнить

Купить
29 822387 BRACKET

Под заказ

1

Под заказ

уточнить

Купить
30 401196 Гайка (NUT, (M6))

Под заказ

1

Под заказ

уточнить

Купить
31 8M0108349 Шланг (HOSE-70 INCH)

Под заказ

1

Под заказ

уточнить

Купить
32 816856T01 Топливный коннектор (CONNECTOR-FUEL)

Под заказ

1

Под заказ

уточнить

Купить
33 4000332 SCREW, ADAPTOR TO BOTTOM COWL (35MM)

Под заказ

1

Под заказ

уточнить

Купить
34 858763 Груша подкачки (PRIMER BULB)

Под заказ

1

Под заказ

уточнить

Купить
35 822420A94 Набор прокладок 30/40 дв. блок (GASKET SET)

Под заказ

1

Под заказ

уточнить

Купить
36 808569T02 Двигательный блок в сборе (PWHD 30/40 2ST)

Под заказ

1

Под заказ

уточнить

Купить

Нулевая цена не означает отсутствие товара. Оформите заказ, и менеджер сообщит вам цену и наличие товара, предварительно запросив их у поставщика

Главная Магазины
Корзина0
Профиль