Мы используем cookie для наилучшего представления нашего сайта. Подробнее об этом в Политике конфиденциальности.
Ок

Одинцово

Ваш город:
Одинцово (Московская область)?
Нет
Да
Каталог
Каталог Написать в WhatsApp
Мотоэкипировка

Карбюратор 2-х тактного ПЛМ MERCURY 40 M Серийный номер от 0T980000 до 0T999999

Карбюратор 2-х тактного ПЛМ MERCURY 40 M Серийный номер от 0T980000 до 0T999999 в Москве: актуальный каталог, цены, фото, описание. Купите карбюратор 2-х тактного плм mercury 40 m серийный номер от 0t980000 до 0t999999 в кредит – оформите заявку онлайн за 1 минуту!

Оригинальные запчасти

Артикул НАИМЕНОВАНИЕ Кол-во деталей в узле Примечание Наличие Цена Аналоги Фото
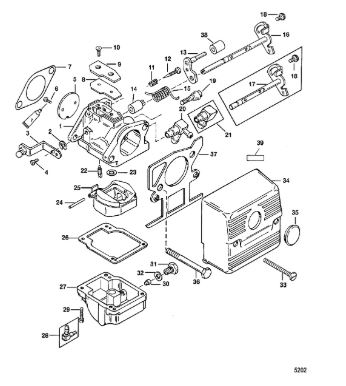
1 823799T38 CARBURETOR, (WME 97)

Под заказ

1

Под заказ

уточнить

Купить
2 821383T17 Карбюратор 40SP (CARBURETOR)

Под заказ

1

Под заказ

уточнить

Купить
3 821383T18 Карбюратор 40 2-х такт. (CARBURETOR)

Под заказ

1

Под заказ

уточнить

Купить
4 8113521 LEVER-OIL (ELECTRIC)

Под заказ

1

Под заказ

уточнить

Купить
5 8086121 SCREW-LEVER RETAINER

Под заказ

1

Под заказ

уточнить

Купить
6 8236371 THROTTLE VALVE

Под заказ

1

Под заказ

уточнить

Купить
7 8144461 Прокладка (GASKET)

Под заказ

1

Под заказ

уточнить

Купить
8 811221 COVER PLATE

Под заказ

1

Под заказ

уточнить

Купить
9 811220 SCREW-COVER PLATE

Под заказ

2

Под заказ

уточнить

Купить
10 808746 LEVER

Под заказ

1

Под заказ

уточнить

Купить
11 8087431 BUSHING-THROTTLE SHAFT

Под заказ

1

Под заказ

уточнить

Купить
12 8236331 THROTTLE SHAFT

Под заказ

1

Под заказ

уточнить

Купить
13 8236323 THROTTLE SHAFT

Под заказ

1

Под заказ

уточнить

Купить
14 823634 SCREW

Под заказ

1

Под заказ

уточнить

Купить
15 8087392 Регулировочный болт (SCREW)

Под заказ

1

Под заказ

уточнить

Купить
16 95951 INLET NEEDLE VALVE

Под заказ

1

Под заказ

уточнить

Купить
17 808738 GASKET-NOZZLE WELL

Под заказ

1

Под заказ

уточнить

Купить
18 9594 Поплавок карбюратора (FLOAT)

Под заказ

1

Под заказ

уточнить

Купить
19 811695 FUEL BOWL

Под заказ

1

Под заказ

уточнить

Купить
20 811693 FUEL BOWL

Под заказ

1

Под заказ

уточнить

Купить
21 808612 Болт 8-32х0,75 (SCREW-FUEL BOWL)

Под заказ

4

Под заказ

уточнить

Купить
22 4215 MAIN FUEL JET (.066)

Под заказ

1

Под заказ

уточнить

Купить
23 5225 Жиклер (MAIN FUEL JET .054)

Под заказ

1

Под заказ

уточнить

3 110

Купить
24 802731 Уплотнитель (SEAL (CONSISTS OF 4 SEALS))

Под заказ

1

Под заказ

уточнить

Купить
25 823587T02 COVER ASY-CARB

Под заказ

1

Под заказ

уточнить

Купить
26 4000363 SCREW (M8 X100)

Под заказ

2

Под заказ

уточнить

Купить
27 8235862 Проставка (PLATE-CARB)

Под заказ

1

Под заказ

уточнить

Купить
28 67748 Бочонок (ROLLER)

Под заказ

1

Под заказ

уточнить

Купить
29 8236354 Рем. набор карбюратора (REPAIR KIT-CARB)

Под заказ

1

Под заказ

уточнить

Купить
30 8112231 Набор прокладок (GASKET KIT)

Под заказ

1

Под заказ

уточнить

Купить
31 822420A94 Набор прокладок 30/40 дв. блок (GASKET SET)

Под заказ

1

Под заказ

уточнить

Купить
32 808569T02 Двигательный блок в сборе (PWHD 30/40 2ST)

Под заказ

1

Под заказ

уточнить

Купить

Нулевая цена не означает отсутствие товара. Оформите заказ, и менеджер сообщит вам цену и наличие товара, предварительно запросив их у поставщика

Главная Магазины
Корзина0
Профиль