Мы используем cookie для наилучшего представления нашего сайта. Подробнее об этом в Политике конфиденциальности.
Ок

Одинцово

Ваш город:
Одинцово (Московская область)?
Нет
Да
Каталог
Каталог Написать в WhatsApp
Мотоэкипировка

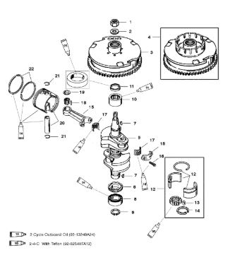
Коленчатый вал, поршень, маховик 2-х тактного ПЛМ MERCURY 40 M Серийный номер от 9854537 до 0P016999

Коленчатый вал, поршень, маховик 2-х тактного ПЛМ MERCURY 40 M Серийный номер от 9854537 до 0P016999 в Москве: актуальный каталог, цены, фото, описание. Купите коленчатый вал, поршень, маховик 2-х тактного плм mercury 40 m серийный номер от 9854537 до 0p016999 в кредит – оформите заявку онлайн за 1 минуту!

Оригинальные запчасти

Артикул НАИМЕНОВАНИЕ Кол-во деталей в узле Примечание Наличие Цена Аналоги Фото
1 42979 Гайка (NUT)

Под заказ

1

Под заказ

уточнить

Купить
2 33001 Шайба 1,25 (WASHER, FLYWHEEL NUT)

В наличии

1

В наличии

730

1 070

Купить
3 859233T23 Маховик (FLYWHEEL)

Под заказ

1

Под заказ

уточнить

Купить
4 859233T24 FLYWHEEL

Под заказ

1

Под заказ

уточнить

Купить
5 859233T26 FLYWHEEL ASY

Под заказ

1

Под заказ

уточнить

Купить
6 859233T25 FLYWHEEL ASSY

Под заказ

1

Под заказ

уточнить

Купить
7 821369T01 Коленвал в сборе (CRANKSHAFT ASSY)

Под заказ

1

Под заказ

уточнить

Купить
8 43019A2 Шестерня-привод маслонасоса (GEAR KIT-DRIVER)

Под заказ

1

Под заказ

уточнить

Купить
9 91800 Шпонка вала (Key)

Под заказ

2

Под заказ

уточнить

Купить
10 63742T Шарикоподшипник (BEARING-BALL)

Под заказ

1

Под заказ

уточнить

Купить
11 812877 Стопорное кольцо (RING-RETAINING)

Под заказ

1

Под заказ

уточнить

Купить
12 9612A6 Шатун (CONN ROD ASSY)

Под заказ

2

Под заказ

уточнить

Купить
13 91012 Болт шатуна (SCREW-SPEC @5)

Под заказ

4

Под заказ

уточнить

Купить
14 8M0045428 Подшипник (BEARING KIT)

Под заказ

2

Под заказ

уточнить

Купить
15 47270 Иголка подшипника (BRG-NEEDLE @200)

Под заказ

58

Под заказ

уточнить

Купить
16 8M0012298 Упорная шайба (THRUST WASHER)

Под заказ

4

Под заказ

уточнить

Купить
17 850026T3 Поршень стандартный (PISTON KIT-STD)

Под заказ

2

Под заказ

уточнить

Купить
18 850026T2 Поршень (PISTON ASSY-.015 )

Под заказ

0

Под заказ

уточнить

Купить
19 857196 Стопорное кольцо (RING-LOCK @15)

Под заказ

4

Под заказ

уточнить

Купить
20 821695A4 Кольца поршневые компл стд. (RING SET-STD)

Под заказ

1

Под заказ

уточнить

Купить
21 821695A1 Кольца поршневые (RING SET-.015)

Под заказ

0

Под заказ

уточнить

Купить
22 808569T02 Двигательный блок в сборе (PWHD 30/40 2ST)

Под заказ

1

Под заказ

уточнить

Купить

Нулевая цена не означает отсутствие товара. Оформите заказ, и менеджер сообщит вам цену и наличие товара, предварительно запросив их у поставщика

Главная Магазины
Корзина0
Профиль