Мы используем cookie для наилучшего представления нашего сайта. Подробнее об этом в Политике конфиденциальности.
Ок

Одинцово

Ваш город:
Одинцово (Московская область)?
Нет
Да
Каталог
Каталог Написать в WhatsApp
Мотоэкипировка

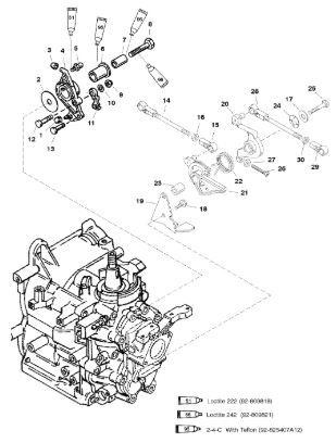
Рычаг дроссельной заслонки (S/N-0G590000/BEL-9973100 & UP) 2-х тактного ПЛМ MERCURY 40 M Серийный номер от 9854537 до 0P016999

Рычаг дроссельной заслонки (S/N-0G590000/BEL-9973100 & UP) 2-х тактного ПЛМ MERCURY 40 M Серийный номер от 9854537 до 0P016999 в Москве: актуальный каталог, цены, фото, описание. Купите рычаг дроссельной заслонки (s/n-0g590000/bel-9973100 & up) 2-х тактного плм mercury 40 m серийный номер от 9854537 до 0p016999 в кредит – оформите заявку онлайн за 1 минуту!

Оригинальные запчасти

Артикул НАИМЕНОВАНИЕ Кол-во деталей в узле Примечание Наличие Цена Аналоги Фото
1 42980 Шайба (WASHER, LEVER STUD)

Под заказ

1

Под заказ

уточнить

Купить
2 822458 Вставка (BUMPER)

Под заказ

1

Под заказ

уточнить

Купить
3 8M0041742 Рычаг дроссельной заслонки (LEVER-THROTTLE)

Под заказ

1

Под заказ

уточнить

Купить
4 8235695 Шарнир (BALL, Threaded)

Под заказ

1

Под заказ

уточнить

Купить
5 4007180 Болт (SCREW, (M10 x 45))

Под заказ

1

Под заказ

уточнить

Купить
6 401386 Гайка (NUT-M6 HEX, NYL I)

Под заказ

1

Под заказ

уточнить

Купить
7 69056 Шайба

Под заказ

1

Под заказ

уточнить

Купить
8 822459 Фиксатор (RETAINER)

Под заказ

1

Под заказ

уточнить

Купить
9 42927 Поворотный палец (PIN, THROTTLE LEVER)

Под заказ

1

Под заказ

уточнить

Купить
10 8224561 Штырь (PIN)

Под заказ

1

Под заказ

уточнить

Купить
11 881227A4 Плечо рычага (LINK, Throttle Control)

Под заказ

1

Под заказ

уточнить

Купить
12 65567 WASHER, TOP COWL CATCH (UPPER)

Под заказ

1

Под заказ

уточнить

Купить
13 4006731 Болт (SCREW)

Под заказ

1

Под заказ

уточнить

Купить
14 8214943 BRACKET-THROTTLE CABLE

Под заказ

1

Под заказ

уточнить

Купить
15 853926 Кронштейн тяги (SPARK ARM)

Под заказ

1

Под заказ

уточнить

Купить
16 853925 Рычаг (THROTTLE CAM)

Под заказ

1

Под заказ

уточнить

Купить
17 42164 SPRING

Под заказ

1

Под заказ

уточнить

Купить
18 823807 BUSHING

Под заказ

1

Под заказ

уточнить

Купить
19 99611 WAVE WASHER, TILT LEVER

Под заказ

1

Под заказ

уточнить

Купить
20 4000332 SCREW, ADAPTOR TO BOTTOM COWL (35MM)

Под заказ

1

Под заказ

уточнить

Купить
21 40019111 SCREW, (M5 x 35)

Под заказ

1

Под заказ

уточнить

Купить
22 400211 Гайка (NUT)

Под заказ

1

Под заказ

уточнить

Купить
23 881227A2 SPARK CONTROL LINK

Под заказ

1

Под заказ

уточнить

Купить
24 817428 Наконечник тяги пластиковый (SOCKET)

Под заказ

2

Под заказ

уточнить

Купить
25 45076 Гайка (NUT@10)

Под заказ

1

Под заказ

уточнить

Купить

Нулевая цена не означает отсутствие товара. Оформите заказ, и менеджер сообщит вам цену и наличие товара, предварительно запросив их у поставщика

Главная Магазины
Корзина0
Профиль