Мы используем cookie для наилучшего представления нашего сайта. Подробнее об этом в Политике конфиденциальности.
Ок

Одинцово

Ваш город:
Одинцово (Московская область)?
Нет
Да
Каталог
Каталог Написать в WhatsApp
Мотоэкипировка

Компоненты двигателя 2-Х ТАКТНОГО ПЛМ MERCURY 50EO Серийный номер от 9885345 до 9973099

Компоненты двигателя 2-Х ТАКТНОГО ПЛМ MERCURY 50EO Серийный номер от 9885345 до 9973099 в Москве: актуальный каталог, цены, фото, описание. Купите компоненты двигателя 2-х тактного плм mercury 50eo серийный номер от 9885345 до 9973099 в кредит – оформите заявку онлайн за 1 минуту!

Оригинальные запчасти

Артикул НАИМЕНОВАНИЕ Кол-во деталей в узле Примечание Наличие Цена Аналоги Фото
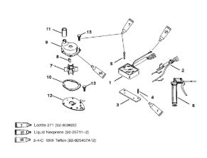
1 821889T24 REV LIMITER ASSY

Под заказ

1

Под заказ

уточнить

Купить
2 823147A4 HARNESS-ADAPTOR-REV LIMITER

Под заказ

1

Под заказ

уточнить

Купить
3 826579 BRACKET

Под заказ

1

Под заказ

уточнить

Купить
4 4006731 Болт (SCREW)

Под заказ

2

Под заказ

уточнить

Купить
5 40011109 Болт (SCREW)

Под заказ

2

Под заказ

уточнить

Купить
6 30500A2 GREASE KIT

Под заказ

1

Под заказ

уточнить

Купить
7 19453T Крыльчатка помпы MERCURY (ОТ 60Л.С.) IMPELLER W/P

В наличии

1

В наличии

4 050

5 000

Купить
8 8M0032831 Шпонка (KEY)

Под заказ

1

Под заказ

уточнить

Купить
9 822189 Прокладка (GASKET)

Под заказ

1

Под заказ

уточнить

Купить
10 43023 Сальник (SEAL)

Под заказ

1

Под заказ

уточнить

Купить
11 19700A2 Зеркало помпы (FACEPLATE KIT)

Под заказ

1

Под заказ

уточнить

Купить
12 812966A12 Ремнабор водяной помпы (REPAIR KIT, Water Pump)

Под заказ

1

Под заказ

уточнить

Купить
13 814669A2 Набор сальников (SEAL KIT-G/H)

Под заказ

1

Под заказ

уточнить

Купить

Нулевая цена не означает отсутствие товара. Оформите заказ, и менеджер сообщит вам цену и наличие товара, предварительно запросив их у поставщика

Главная Магазины
Корзина0
Профиль