Мы используем cookie для наилучшего представления нашего сайта. Подробнее об этом в Политике конфиденциальности.
Ок

Одинцово

Ваш город:
Одинцово (Московская область)?
Нет
Да
Каталог
Каталог Написать в WhatsApp
Мотоэкипировка

Компоненты для закачки масла 2-Х ТАКТНОГО ПЛМ MERCURY 55 Серийный номер от 0D000750 до 0G290584

Компоненты для закачки масла 2-Х ТАКТНОГО ПЛМ MERCURY 55 Серийный номер от 0D000750 до 0G290584 в Москве: актуальный каталог, цены, фото, описание. Купите компоненты для закачки масла 2-х тактного плм mercury 55 серийный номер от 0d000750 до 0g290584 в кредит – оформите заявку онлайн за 1 минуту!

Оригинальные запчасти

Артикул НАИМЕНОВАНИЕ Кол-во деталей в узле Примечание Наличие Цена Аналоги Фото
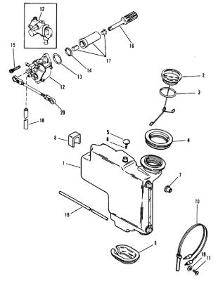
1 19070A2 CAP ASSEMBLY

Под заказ

1

Под заказ

уточнить

Купить
2 90186 O-RING

Под заказ

1

Под заказ

уточнить

Купить
3 8160661 SEAL

Под заказ

1

Под заказ

уточнить

Купить
4 812718T1 Маслобак (TANK ASSY-OIL)

Под заказ

1

Под заказ

уточнить

Купить
5 828765A2 Крышка (CAP ASSEMBLY)

Под заказ

1

Под заказ

уточнить

Купить
6 8M0039080 SEAL-OIL TANK

Под заказ

1

Под заказ

уточнить

Купить
7 19299A1 Фиксатор (VENT ASSY)

Под заказ

1

Под заказ

уточнить

Купить
8 64871 Клапан (VALVE-CHECK)

Под заказ

1

Под заказ

уточнить

Купить
9 813644 GROMMET

Под заказ

1

Под заказ

уточнить

Купить
10 813649 BOOT

Под заказ

1

Под заказ

уточнить

Купить
11 8M0039085 BOOT

Под заказ

1

Под заказ

уточнить

Купить
12 12886A6 Датчик уровня масла (SWITCH ASSY)

Под заказ

1

Под заказ

уточнить

Купить
13 58376 Болт (SCREW)

Под заказ

1

Под заказ

уточнить

Купить
14 812690A1 OIL INJECTION PUMP

Под заказ

1

Под заказ

уточнить

Купить
15 818902A1 Маслянный насос (PUMP ASSY-OIL)

Под заказ

1

Под заказ

уточнить

Купить
16 62705 Уплотнительное кольцо (O RING @2)

Под заказ

1

Под заказ

уточнить

Купить
17 36390 Резиновое кольцо (O RING)

Под заказ

1

Под заказ

уточнить

Купить
18 40011108 Болт (SCREW)

Под заказ

2

Под заказ

уточнить

Купить
19 19277 Приводной шток (GEAR-DRIVEN)

Под заказ

1

Под заказ

уточнить

Купить
20 19278A2 Втулка штока привода маслонасоса(BEARING ASSEMBLY)

Под заказ

1

Под заказ

уточнить

Купить
21 82381335 Шланг (TUBING, (15.00 Inches Bulk))

Под заказ

2

Под заказ

уточнить

Купить
22 72761 Шайба (WASHER, WIRING HARNESS CLAMP SCREW)

Под заказ

1

Под заказ

уточнить

Купить
23 821287 LINK

Под заказ

1

Под заказ

уточнить

Купить

Нулевая цена не означает отсутствие товара. Оформите заказ, и менеджер сообщит вам цену и наличие товара, предварительно запросив их у поставщика

Главная Магазины
Корзина0
Профиль