Мы используем cookie для наилучшего представления нашего сайта. Подробнее об этом в Политике конфиденциальности.
Ок

Одинцово

Ваш город:
Одинцово (Московская область)?
Нет
Да
Каталог
Каталог Написать в WhatsApp
Мотоэкипировка

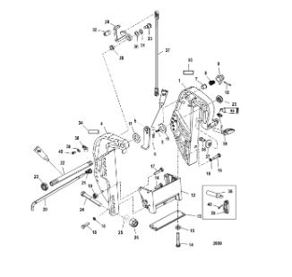
Зажимной кронштейн (ручной) 2-Х ТАКТНОГО ПЛМ MERCURY 60 Серийный номер от 0P017000 до 0P325499

Зажимной кронштейн (ручной) 2-Х ТАКТНОГО ПЛМ MERCURY 60 Серийный номер от 0P017000 до 0P325499 в Москве: актуальный каталог, цены, фото, описание. Купите зажимной кронштейн (ручной) 2-х тактного плм mercury 60 серийный номер от 0p017000 до 0p325499 в кредит – оформите заявку онлайн за 1 минуту!

Оригинальные запчасти

Артикул НАИМЕНОВАНИЕ Кол-во деталей в узле Примечание Наличие Цена Аналоги Фото
1 8M0084195 BRACKET-CLAMP-BLK

Под заказ

1

Под заказ

уточнить

Купить
2 98727 GREASE FITTING, PORT TRANSOM BRACKET

Под заказ

1

Под заказ

уточнить

Купить
3 99604 GROOVE PIN

Под заказ

1

Под заказ

уточнить

Купить
4 822867F1 CLAMP BRACKET

Под заказ

1

Под заказ

уточнить

Купить
5 893704T01 Упор двигателя (LEVER, Tilt Lock)

Под заказ

1

Под заказ

уточнить

Купить
6 99622 SPRING

Под заказ

1

Под заказ

уточнить

Купить
7 65830 BUSHING, TILT LEVER

Под заказ

1

Под заказ

уточнить

Купить
8 812708 SPRING

Под заказ

1

Под заказ

уточнить

Купить
9 812709 KNOB

Под заказ

1

Под заказ

уточнить

Купить
10 99615 GROOVE PIN

Под заказ

1

Под заказ

уточнить

Купить
11 19619 Шайба (WASHER)

Под заказ

2

Под заказ

уточнить

Купить
12 18486F5 ANCHOR BRACKET

Под заказ

1

Под заказ

уточнить

Купить
13 818298Q1 Комплект анодов (ANODE KIT)

Под заказ

1

Под заказ

уточнить

Купить
14 4000330 Болт (SCREW @5)

Под заказ

2

Под заказ

уточнить

Купить
15 29245 Шайба (WASHER @10)

Под заказ

2

Под заказ

уточнить

Купить
16 85594030 Болт М8х30 (SCREW)

Под заказ

5

Под заказ

уточнить

Купить
17 8M0000586 SCREW, (M8 x 35)

Под заказ

1

Под заказ

уточнить

Купить
18 843108 WASHER, (.330 x .560 x .060)

Под заказ

4

Под заказ

уточнить

Купить
19 401388 Гайка (NUT, M8)

Под заказ

2

Под заказ

уточнить

Купить
20 8M0026068 PIN ASY-TILT

Под заказ

1

Под заказ

уточнить

Купить
21 821461 Пружина (SPRING)

Под заказ

1

Под заказ

уточнить

Купить
22 8M0041938 Трубка штока рулевого троса (TILT TUBE)

Под заказ

1

Под заказ

уточнить

Купить
23 858869 Гайка (NUT, (.875-14))

Под заказ

2

Под заказ

уточнить

Купить
24 8M0084737 LINK

Под заказ

1

Под заказ

уточнить

Купить
25 19615A05 TILT LEVER ASSY

Под заказ

1

Под заказ

уточнить

Купить
26 812707 Втулка (BUSHING)

Под заказ

1

Под заказ

уточнить

Купить
27 8M0042643 Шайба (WASHER)

Под заказ

1

Под заказ

уточнить

Купить
28 99611 WAVE WASHER, TILT LEVER

Под заказ

1

Под заказ

уточнить

Купить
29 8M0007469 Крышка рукоятки стопора (KNOB-TILT)

Под заказ

1

Под заказ

уточнить

Купить
30 19611 SCREW

Под заказ

1

Под заказ

уточнить

Купить
31 830253 DECAL-TILT/LOCK

Под заказ

1

Под заказ

уточнить

Купить
32 818883A1 Болт (SCREW ASSY-THUMB)

Под заказ

2

Под заказ

уточнить

Купить
33 818884 Шайба (WASHER)

Под заказ

2

Под заказ

уточнить

Купить
34 768042 Болт (SCREW)

Под заказ

2

Под заказ

уточнить

Купить

Нулевая цена не означает отсутствие товара. Оформите заказ, и менеджер сообщит вам цену и наличие товара, предварительно запросив их у поставщика

Главная Магазины
Корзина0
Профиль