Мы используем cookie для наилучшего представления нашего сайта. Подробнее об этом в Политике конфиденциальности.
Ок

Одинцово

Ваш город:
Одинцово (Московская область)?
Нет
Да
Каталог
Каталог Написать в WhatsApp
Мотоэкипировка

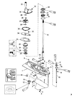
Корпус коробки передач, приводной вал 1.64:1 передаточное число 2-Х ТАКТНОГО ПЛМ MERCURY 60 Серийный номер от 0P325500 и выше

Корпус коробки передач, приводной вал 1.64:1 передаточное число 2-Х ТАКТНОГО ПЛМ MERCURY 60 Серийный номер от 0P325500 и выше в Москве: актуальный каталог, цены, фото, описание. Купите корпус коробки передач, приводной вал 1.64:1 передаточное число 2-х тактного плм mercury 60 серийный номер от 0p325500 и выше в кредит – оформите заявку онлайн за 1 минуту!

Оригинальные запчасти

Артикул НАИМЕНОВАНИЕ Кол-во деталей в узле Примечание Наличие Цена Аналоги Фото
1 9760T23 Редуктор в сборе (GEAR HOUSING-SHOR)

Под заказ

1

Под заказ

уточнить

Купить
2 9760T25 Редуктор в сборе (GС COMP 60 2S LG)

Под заказ

1

Под заказ

уточнить

Купить
3 9760T28 GEAR HOUSING ASSEMBLY, Complete - 3.44 Inch/87.37 mm Torpedo Diameter

Под заказ

1

Под заказ

уточнить

Купить
4 9760T42 Редуктор (GEAR HOUSING)

Под заказ

1

Под заказ

уточнить

Купить
5 8M0058389 Болт (SCREW KIT @2)

Под заказ

1

Под заказ

уточнить

Купить
6 79953Q04 Болт дренажный 0.375-16х0.25 (SCREW KIT @2)

Под заказ

2

Под заказ

уточнить

Купить
7 191833 Прокладка дренажного болта редуктора F80

Под заказ

3

Под заказ

уточнить

Купить
8 8M0084244 Штифт (PIN - DOWEL)

Под заказ

1

Под заказ

уточнить

Купить
9 43044 Штифт (PIN, Dowel - Without Hole (.375 x .625))

Под заказ

1

Под заказ

уточнить

Купить
10 878089 Заглушка (PLUG, Pipe (.0625-27))

Под заказ

1

Под заказ

уточнить

Купить
11 812768 Подшипник (BEARING)

Под заказ

1

Под заказ

уточнить

Купить
12 818226A1 Пластина (PLATE KIT-FILLER)

Под заказ

1

Под заказ

уточнить

Купить
13 813694T Ведущая шестерня (GEAR-PINION)

Под заказ

1

Под заказ

уточнить

Купить
14 55910 Гайка (NUT @5)

Под заказ

1

Под заказ

уточнить

Купить
15 812732A1 Вал переключения передач (SHIFT SHAFT ASSEMBLY)

Под заказ

1

Под заказ

уточнить

Купить
16 815420 Тяга переключения передач (SHIFT SHAFT)

Под заказ

1

Под заказ

уточнить

Купить
17 29641 Шплинт (E RING @2)

Под заказ

1

Под заказ

уточнить

Купить
18 813696A2 Втулка (BUSHING)

Под заказ

1

Под заказ

уточнить

Купить
19 45258 Уплотнительное кольцо (O RING)

Под заказ

1

Под заказ

уточнить

Купить
20 8164641 Сальник (SEAL)

Под заказ

1

Под заказ

уточнить

Купить
21 815422 Приводной вал (DRIVESHAFT)

Под заказ

1

Под заказ

уточнить

Купить
22 812731 Вал приводной (DRIVESHAFT)

Под заказ

1

Под заказ

уточнить

Купить
23 815421 DRIVESHAFT

Под заказ

1

Под заказ

уточнить

Купить
24 8M0063262 Кольца регулировочные (SHIM SET)

Под заказ

1

Под заказ

уточнить

Купить
25 77420A1 Подшипник (bearing kit)

Под заказ

1

Под заказ

уточнить

Купить
26 812966A7 Корпус сальников (BASE ASSY-WIP)

Под заказ

1

Под заказ

уточнить

Купить
27 30224 Уплотнительное кольцо резиновое (O RING @5)

Под заказ

1

Под заказ

уточнить

Купить
28 814669 Сальник (seal)

Под заказ

1

Под заказ

уточнить

Купить
29 814670 Сальник (seal)

Под заказ

1

Под заказ

уточнить

Купить
30 19453T Крыльчатка помпы MERCURY (ОТ 60Л.С.) IMPELLER W/P

В наличии

1

В наличии

4 050

5 000

Купить
31 8M0032831 Шпонка (KEY)

Под заказ

1

Под заказ

уточнить

Купить
32 8M0005777 Шайба

Под заказ

2

Под заказ

уточнить

Купить
33 812966A12 Ремнабор водяной помпы (REPAIR KIT, Water Pump)

Под заказ

1

Под заказ

уточнить

Купить
34 8M4502052 Прокладка (GASKET)

Под заказ

1

Под заказ

уточнить

Купить
35 822189 Прокладка (GASKET)

Под заказ

1

Под заказ

уточнить

Купить
36 43023 Сальник (SEAL)

Под заказ

1

Под заказ

уточнить

Купить
37 19700A2 Зеркало помпы (FACEPLATE KIT)

Под заказ

1

Под заказ

уточнить

Купить
38 760394 Кулачок (CAM-SHIFT@2)

Под заказ

1

Под заказ

уточнить

Купить
39 812867A97 Набор прокладок (GASKET SET)

Под заказ

1

Под заказ

уточнить

Купить
40 812966A11 *** Ремкомплект бумажных прокладок насоса

Под заказ

1

Под заказ

уточнить

Купить
41 814669A2 Набор сальников (SEAL KIT-G/H)

Под заказ

1

Под заказ

уточнить

Купить

Нулевая цена не означает отсутствие товара. Оформите заказ, и менеджер сообщит вам цену и наличие товара, предварительно запросив их у поставщика

Главная Магазины
Корзина0
Профиль