Мы используем cookie для наилучшего представления нашего сайта. Подробнее об этом в Политике конфиденциальности.
Ок

Одинцово

Ваш город:
Одинцово (Московская область)?
Нет
Да
Каталог
Каталог Написать в WhatsApp
Мотоэкипировка

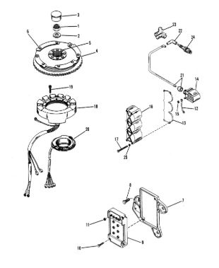
Маховик, распределительная коробка, катушка зажимная и статор 2-Х ТАКТНОГО ПЛМ MERCURY 60 Серийный номер от 7208333 до 0A721307

Маховик, распределительная коробка, катушка зажимная и статор 2-Х ТАКТНОГО ПЛМ MERCURY 60 Серийный номер от 7208333 до 0A721307 в Москве: актуальный каталог, цены, фото, описание. Купите маховик, распределительная коробка, катушка зажимная и статор 2-х тактного плм mercury 60 серийный номер от 7208333 до 0a721307 в кредит – оформите заявку онлайн за 1 минуту!

Оригинальные запчасти

Артикул НАИМЕНОВАНИЕ Кол-во деталей в узле Примечание Наличие Цена Аналоги Фото
1 52901 Гайка 0,625-18 (NUT, FLYWHEEL)

Под заказ

1

Под заказ

уточнить

Купить
2 33001 Шайба 1,25 (WASHER, FLYWHEEL NUT)

В наличии

1

В наличии

730

1 070

Купить
3 45907 Заглушка (PLUG, FLYWHEEL)

Под заказ

1

Под заказ

уточнить

Купить
4 8722A5 FLYWHEEL ASSEMBLY

Под заказ

1

Под заказ

уточнить

Купить
5 68997 SCREW, RATCHET TO FLYWHEEL - MANUAL

Под заказ

8

Под заказ

уточнить

Купить
6 32417 SCREW, FLEXINLE PLATE TO FLYWHEEL

Под заказ

8

Под заказ

уточнить

Купить
7 889351 PLATE, SWITCH BOX

Под заказ

1

Под заказ

уточнить

Купить
8 824941 Винт (SCREW)

Под заказ

3

Под заказ

уточнить

Купить
9 7778A12 Коммутатор (SWITCHBOX ASSY)

Под заказ

1

Под заказ

уточнить

Купить
10 12463 SCREW, SWITCH BOX TO PLATE

Под заказ

2

Под заказ

уточнить

Купить
11 45076 Гайка (NUT@10)

Под заказ

11

Под заказ

уточнить

Купить
12 60443A3 WIRE ASSEMBLY, SWITCH BOX TO COIL (GREEN)

Под заказ

1

Под заказ

уточнить

Купить
13 62822A1 WIRE ASSEMBLY, SWITCH BOX TO COIL (GREEN/WHITE)

Под заказ

1

Под заказ

уточнить

Купить
14 68896A4 WIRE ASSEMBLY, SWITCH BOX TO COIL (GREEN/RED)

Под заказ

1

Под заказ

уточнить

Купить
15 88807A9 WIRE ASSEMBLY, SWITCH BOX TO COIL (BLACK)

Под заказ

3

Под заказ

уточнить

Купить
16 73439 PLATE, MOUNTING - IGNITION COIL

Под заказ

1

Под заказ

уточнить

Купить
17 832757A4 Катушка зажигания (COIL KIT)

Под заказ

3

Под заказ

уточнить

Купить
18 43542 COVER, IGNITION COIL

Под заказ

1

Под заказ

уточнить

Купить
19 92399 SCREW, COVER TO MOUNTING PLATE (2-1/4")

Под заказ

6

Под заказ

уточнить

Купить
20 5704A7 Статор (STATOR ASSEMBLY)

Под заказ

1

Под заказ

уточнить

Купить
21 96455A8 TRIGGER PLATE ASSEMBLY

Под заказ

1

Под заказ

уточнить

Купить
22 813715A1 LEAD WIRE

Под заказ

3

Под заказ

уточнить

Купить
23 63709A1 Надсвечник (BOOT ASSEMBLY, SPARK PLUG)

Под заказ

3

Под заказ

уточнить

Купить
24 99213 SHEEL, SPARK PLUG BOOT

Под заказ

3

Под заказ

уточнить

Купить
25 97180Q Свеча зажигания (NGK BUHW @10)

Под заказ

3

Под заказ

уточнить

Купить
26 14103550 Свеча зажигания (NGK BUZHW@10)

Под заказ

3

Под заказ

уточнить

Купить
27 30164 WASHER, COIL COVER SCREW

Под заказ

6

Под заказ

уточнить

Купить

Нулевая цена не означает отсутствие товара. Оформите заказ, и менеджер сообщит вам цену и наличие товара, предварительно запросив их у поставщика

Главная Магазины
Корзина0
Профиль