Мы используем cookie для наилучшего представления нашего сайта. Подробнее об этом в Политике конфиденциальности.
Ок

Одинцово

Ваш город:
Одинцово (Московская область)?
Нет
Да
Каталог
Каталог Написать в WhatsApp
Мотоэкипировка

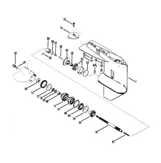
Корпус шестерни (карданный вал) 2-Х ТАКТНОГО ПЛМ MERCURY 60 Серийный номер от 9385911 до 9469199

Корпус шестерни (карданный вал) 2-Х ТАКТНОГО ПЛМ MERCURY 60 Серийный номер от 9385911 до 9469199 в Москве: актуальный каталог, цены, фото, описание. Купите корпус шестерни (карданный вал) 2-х тактного плм mercury 60 серийный номер от 9385911 до 9469199 в кредит – оформите заявку онлайн за 1 минуту!

Оригинальные запчасти

Артикул НАИМЕНОВАНИЕ Кол-во деталей в узле Примечание Наличие Цена Аналоги Фото
1 9539A2 GEAR HOUSING ASS'Y. (SHORT SHAFT) (BLACK)

Под заказ

1

Под заказ

уточнить

Купить
2 9539A3 GEAR HOUSING ASS'Y. (LONG SHAFT) (BLACK)

Под заказ

1

Под заказ

уточнить

Купить
3 9539A9 GEAR HOUSING ASSEMBLY (LONG SHAFT) (GRAY)

Под заказ

1

Под заказ

уточнить

Купить
4 9539T1 GEAR HOUSING

Под заказ

1

Под заказ

уточнить

Купить
5 9539T8 ORD 1643-9539T 1

Под заказ

1

Под заказ

уточнить

Купить
6 760394 Кулачок (CAM-SHIFT@2)

Под заказ

1

Под заказ

уточнить

Купить
7 38374A1 SHIM, BEARING CUP TO GEAR HOUSING (.002-3-5-10)

Под заказ

1

Под заказ

уточнить

Купить
8 38356A1 Роликовый подшипник (BEARING SET)

Под заказ

1

Под заказ

уточнить

Купить
9 88018T1 GEAR ASSY-FORWARD

Под заказ

1

Под заказ

уточнить

Купить
10 21739 Подшипник (BEARING)

Под заказ

1

Под заказ

уточнить

Купить
11 38441 CAM FOLLOWER

Под заказ

1

Под заказ

уточнить

Купить
12 20843 Направляющий подпятник (SLIDE)

Под заказ

1

Под заказ

уточнить

Купить
13 39845 SPRING, COMPRESSION - CAM FOLLOWER

Под заказ

1

Под заказ

уточнить

Купить
14 92911T CLUTCH

Под заказ

1

Под заказ

уточнить

Купить
15 38113 *** Шпонка (PIN-CROSS@2)

Под заказ

1

Под заказ

уточнить

Купить
16 38114 Пружина (SPRING)

Под заказ

1

Под заказ

уточнить

Купить
17 75365 PROPELLER SHAFT

Под заказ

1

Под заказ

уточнить

Купить
18 88017T REVERSE GEAR

Под заказ

1

Под заказ

уточнить

Купить
19 32004 WASHER, THRUST - REVERSE GEAR

Под заказ

1

Под заказ

уточнить

Купить
20 20839T Подшипник (BEARING-BALL)

Под заказ

1

Под заказ

уточнить

Купить
21 31986 Уплотнительное кольцо (O RING @4)

Под заказ

1

Под заказ

уточнить

Купить
22 69386T1 CARRIER ASSY-BRG

Под заказ

1

Под заказ

уточнить

Купить
23 21700 Подшипник (BEARING)

Под заказ

1

Под заказ

уточнить

Купить
24 69188 Сальник (SEAL)

Под заказ

1

Под заказ

уточнить

Купить
25 69189 Сальник (SEAL)

Под заказ

1

Под заказ

уточнить

Купить
26 30281 Шпонка металлическая (KEY @5)

Под заказ

1

Под заказ

уточнить

Купить
27 53012 Шайба (TAB WASHER, GEAR HOUSING COVER)

Под заказ

1

Под заказ

уточнить

Купить
28 87763 Алюминиевая гайка (NUT@2)

Под заказ

1

Под заказ

уточнить

Купить
29 31640Q4 Триммер-анод (ANODE/TRIM TAB)

Под заказ

1

Под заказ

уточнить

Купить
30 66024 SCREW, TRIM TAB TO GEAR HOUSING

Под заказ

1

Под заказ

уточнить

Купить
31 856774 Шайба (WASHER)

Под заказ

1

Под заказ

уточнить

Купить
32 826709113 Гайка (NUT-.375-24 NYL I)

Под заказ

1

Под заказ

уточнить

Купить
33 65791 WASHER, GEAR HOUSING STUDS (7/16")

Под заказ

1

Под заказ

уточнить

Купить
34 34933 Гайка

Под заказ

1

Под заказ

уточнить

Купить
35 73345A1 Упорная шайба (THRUST WASHER)

Под заказ

1

Под заказ

уточнить

Купить
36 76281Q Шайба (TAB WASHER@2)

Под заказ

1

Под заказ

уточнить

Купить
37 69578Q1 Крепление гребного винта (PROP NUT KIT@2)

Под заказ

1

Под заказ

уточнить

Купить
38 88449A32 GASKET SET

Под заказ

1

Под заказ

уточнить

Купить

Нулевая цена не означает отсутствие товара. Оформите заказ, и менеджер сообщит вам цену и наличие товара, предварительно запросив их у поставщика

Главная Магазины
Корзина0
Профиль