Мы используем cookie для наилучшего представления нашего сайта. Подробнее об этом в Политике конфиденциальности.
Ок

Одинцово

Ваш город:
Одинцово (Московская область)?
Нет
Да
Каталог
Каталог Написать в WhatsApp
Мотоэкипировка

Стартер, соленоид стартера, выпрямитель тока 2-Х ТАКТНОГО ПЛМ MERCURY 60 Серийный номер от 9385911 до 9469199

Стартер, соленоид стартера, выпрямитель тока 2-Х ТАКТНОГО ПЛМ MERCURY 60 Серийный номер от 9385911 до 9469199 в Москве: актуальный каталог, цены, фото, описание. Купите стартер, соленоид стартера, выпрямитель тока 2-х тактного плм mercury 60 серийный номер от 9385911 до 9469199 в кредит – оформите заявку онлайн за 1 минуту!

Оригинальные запчасти

Артикул НАИМЕНОВАНИЕ Кол-во деталей в узле Примечание Наличие Цена Аналоги Фото
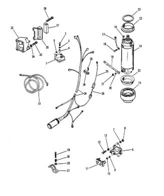
1 8M0058226 Выпрямитель (RECTIFIER)

Под заказ

1

Под заказ

уточнить

Купить
2 38055 SCREW, (.190-32 x .620), CABLE TO IGNITION PLATE

Под заказ

2

Под заказ

уточнить

Купить
3 26996 Шайба гровера (LOCKWASHER @15)

Под заказ

2

Под заказ

уточнить

Купить
4 94304 SPACER, RECTIFIER SCREW

Под заказ

2

Под заказ

уточнить

Купить
5 45076 Гайка (NUT@10)

Под заказ

3

Под заказ

уточнить

Купить
6 96054T Соленоид (SOLENOID)

Под заказ

1

Под заказ

уточнить

Купить
7 26995 Шайба (LOCKWASHER @5)

Под заказ

2

Под заказ

уточнить

Купить
8 94330 Болт (NUT)

Под заказ

2

Под заказ

уточнить

Купить
9 97861 Изолятор (INSULATOR)

Под заказ

1

Под заказ

уточнить

Купить
10 69054 SCREW, SOLENOID TO ATTENUATOR (5/8")

Под заказ

2

Под заказ

уточнить

Купить
11 44369A1 Стартер (STARTER KIT)

Под заказ

1

Под заказ

уточнить

Купить
12 44368 ADAPTOR, STARTER MOTOR STAMPED 50-44369

Под заказ

1

Под заказ

уточнить

Купить
13 8M0043376 STOP

Под заказ

2

Под заказ

уточнить

Купить
14 93388A1 CABLE, STARTER TO SOUND ATTENUATOR (BLACK)

Под заказ

1

Под заказ

уточнить

Купить
15 69035 SCREW, WIRE TO STARTER MOTOR (5/8")

Под заказ

1

Под заказ

уточнить

Купить
16 93389A6 CABLE

Под заказ

1

Под заказ

уточнить

Купить
17 20890 NUT, INPUT STUD

Под заказ

1

Под заказ

уточнить

Купить
18 8M0034918 Втулка стартера (COLLAR)

Под заказ

2

Под заказ

уточнить

Купить
19 56774 SPACER, COLLAR TO BRACKET

Под заказ

1

Под заказ

уточнить

Купить
20 96271A2 WIRING HARNESS (INTERNAL)

Под заказ

1

Под заказ

уточнить

Купить
21 95084A2 WIRE ASSEMBLY, FUSE - EARLY MODELS

Под заказ

1

Под заказ

уточнить

Купить
22 79091 Предохранитель 20 ампер (FUSE-20 AMP @5)

Под заказ

1

Под заказ

уточнить

Купить
23 88751 CLAMP, WIRING HARNESS

Под заказ

1

Под заказ

уточнить

Купить
24 23702 SCREW, WIRING HARNESS CLAMP

Под заказ

1

Под заказ

уточнить

Купить
25 72761 Шайба (WASHER, WIRING HARNESS CLAMP SCREW)

Под заказ

1

Под заказ

уточнить

Купить
26 28357 SPRING, WIRING HARNESS

Под заказ

1

Под заказ

уточнить

Купить
27 88439A7 BATTERY CABLE (POSITIVE)

Под заказ

1

Под заказ

уточнить

Купить
28 88439A4 Электрокабель (CABLE ASSY-NEG)

Под заказ

1

Под заказ

уточнить

Купить
29 88683 BRACKET, WIRING HARNESS SUPPORT

Под заказ

1

Под заказ

уточнить

Купить
30 23015 SCREW, COVER TO TOP COVER

Под заказ

2

Под заказ

уточнить

Купить
31 30164 WASHER, COIL COVER SCREW

Под заказ

2

Под заказ

уточнить

Купить
32 88682 COVER, HARNESS SUPPORT BRACKET

Под заказ

1

Под заказ

уточнить

Купить
33 25158 SCREW, ADJUSTING - THROTTLE ARM (1-3/4")

Под заказ

2

Под заказ

уточнить

Купить
34 60925 SEAL, WIRING HARNESS BRACKET

Под заказ

1

Под заказ

уточнить

Купить
35 28700 CLAMP, WIRING HARNESS

Под заказ

1

Под заказ

уточнить

Купить
36 73286 SCREW, WIRING HARNESS CLAMP

Под заказ

1

Под заказ

уточнить

Купить

Нулевая цена не означает отсутствие товара. Оформите заказ, и менеджер сообщит вам цену и наличие товара, предварительно запросив их у поставщика

Главная Магазины
Корзина0
Профиль