Мы используем cookie для наилучшего представления нашего сайта. Подробнее об этом в Политике конфиденциальности.
Ок

Одинцово

Ваш город:
Одинцово (Московская область)?
Нет
Да
Каталог
Каталог Написать в WhatsApp
Мотоэкипировка

Насос отсечки мощности (прямоугольный двигатель Eaton) 2-Х ТАКТНОГО ПЛМ MERCURY 60 Серийный номер от 9469200 до 9683054

Насос отсечки мощности (прямоугольный двигатель Eaton) 2-Х ТАКТНОГО ПЛМ MERCURY 60 Серийный номер от 9469200 до 9683054 в Москве: актуальный каталог, цены, фото, описание. Купите насос отсечки мощности (прямоугольный двигатель eaton) 2-х тактного плм mercury 60 серийный номер от 9469200 до 9683054 в кредит – оформите заявку онлайн за 1 минуту!

Оригинальные запчасти

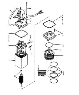
Артикул НАИМЕНОВАНИЕ Кол-во деталей в узле Примечание Наличие Цена Аналоги Фото
1 826729A10 POWER TRIM KIT

Под заказ

1

Под заказ

уточнить

Купить
2 12659 FRAME AND FIELD KIT

Под заказ

1

Под заказ

уточнить

Купить
3 12665 BRUSH SPRING KIT

Под заказ

1

Под заказ

уточнить

Купить
4 13506 BRUSH CARD KIT

Под заказ

1

Под заказ

уточнить

Купить
5 12662 PUMP AND END FRAME KIT

Под заказ

1

Под заказ

уточнить

Купить
6 126631 PUMP SEAL KIT

Под заказ

1

Под заказ

уточнить

Купить
7 12660 END FRAME KIT

Под заказ

1

Под заказ

уточнить

Купить
8 12661 ARMATURE KIT

Под заказ

1

Под заказ

уточнить

Купить
9 12664 THRU BOLT KIT

Под заказ

1

Под заказ

уточнить

Купить

Нулевая цена не означает отсутствие товара. Оформите заказ, и менеджер сообщит вам цену и наличие товара, предварительно запросив их у поставщика

Главная Магазины
Корзина0
Профиль