Мы используем cookie для наилучшего представления нашего сайта. Подробнее об этом в Политике конфиденциальности.
Ок

Одинцово

Ваш город:
Одинцово (Московская область)?
Нет
Да
Каталог
Каталог Написать в WhatsApp
Мотоэкипировка

Корпус коробки передач (PROP SHAFT)(BIGFOOT)(SEAPRO/MARATHON/PONTOON) 2-Х ТАКТНОГО ПЛМ MERCURY 60 Серийный номер от 9683055 до 9885344

Корпус коробки передач (PROP SHAFT)(BIGFOOT)(SEAPRO/MARATHON/PONTOON) 2-Х ТАКТНОГО ПЛМ MERCURY 60 Серийный номер от 9683055 до 9885344 в Москве: актуальный каталог, цены, фото, описание. Купите корпус коробки передач (prop shaft)(bigfoot)(seapro/marathon/pontoon) 2-х тактного плм mercury 60 серийный номер от 9683055 до 9885344 в кредит – оформите заявку онлайн за 1 минуту!

Оригинальные запчасти

Артикул НАИМЕНОВАНИЕ Кол-во деталей в узле Примечание Наличие Цена Аналоги Фото
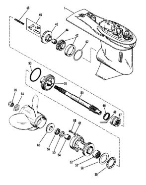
1 9011G92 GEAR HOUSING (Complete)

Под заказ

1

Под заказ

уточнить

Купить
2 9011G94 GEAR HOUSING (Complete)

Под заказ

1

Под заказ

уточнить

Купить
3 9011G96 ORD 1667-9011G92

Под заказ

1

Под заказ

уточнить

Купить
4 9011G48 GEAR HOUSING

Под заказ

1

Под заказ

уточнить

Купить
5 9011T73 GEAR HSG-BASIC-BL

Под заказ

1

Под заказ

уточнить

Купить
6 9011T74 ORD 1667-9011T73

Под заказ

1

Под заказ

уточнить

Купить
7 30894A1 Роликовый подшипник (BEARING SET)

Под заказ

1

Под заказ

уточнить

Купить
8 12634A2 *** Шестерня переднего хода (GEAR ASSY-FORWARD)

Под заказ

1

Под заказ

уточнить

Купить
9 30895T Подшипник (BEARING)

Под заказ

1

Под заказ

уточнить

Купить
10 850315A1 Копир кулачка (FOLLOWER KIT-CAM)

Под заказ

1

Под заказ

уточнить

Купить
11 44530 Шарик (BALL)

Под заказ

3

Под заказ

уточнить

Купить
12 30622 SPRING, COMPRESSION - CAM FOLLOWER

Под заказ

1

Под заказ

уточнить

Купить
13 822539T Муфта переключения передач (CLUTCH)

Под заказ

1

Под заказ

уточнить

Купить
14 8M0100263 PIN @3

Под заказ

1

Под заказ

уточнить

Купить
15 30893 Пружина (SPRING @2)

Под заказ

1

Под заказ

уточнить

Купить
16 12238T PROPELLER SHAFT

Под заказ

1

Под заказ

уточнить

Купить
17 12635T Шестерня заднего хода (GEAR-REVERSE)

Под заказ

1

Под заказ

уточнить

Купить
18 12596T2 Корпус подшипника (CARRIER ASSY-BRG)

Под заказ

1

Под заказ

уточнить

Купить
19 861844 Уплотнительное кольцо (O RING)

Под заказ

1

Под заказ

уточнить

Купить
20 30956T Подшипник (BEARING)

Под заказ

1

Под заказ

уточнить

Купить
21 76868 Сальник (SEAL @5 )

Под заказ

1

Под заказ

уточнить

Купить
22 70081 Сальник (SEAL)

Под заказ

1

Под заказ

уточнить

Купить
23 12578T Подшипник роликовый (BEARING)

Под заказ

1

Под заказ

уточнить

Купить
24 12577 Шайба (WASHER)

Под заказ

1

Под заказ

уточнить

Купить
25 12576 Шарикоподшипник (BEARING)

Под заказ

1

Под заказ

уточнить

Купить
26 4000354 Винт (SCREW, BEARING CARRIER)

Под заказ

2

Под заказ

уточнить

Купить
27 44491A1 Регулировочные кольца (shim set)

Под заказ

1

Под заказ

уточнить

Купить
28 13191Q01 Упорная шайба (THRUSTWASHER@2)

Под заказ

1

Под заказ

уточнить

Купить
29 816629Q Шайба (TAB WASHER)

Под заказ

1

Под заказ

уточнить

Купить
30 52707Q1 Гайка крепления гребного винта (PROP NUT KIT@2)

Под заказ

1

Под заказ

уточнить

Купить
31 43035A4 Набор сальников (SEAL KIT)

Под заказ

1

Под заказ

уточнить

Купить

Нулевая цена не означает отсутствие товара. Оформите заказ, и менеджер сообщит вам цену и наличие товара, предварительно запросив их у поставщика

Главная Магазины
Корзина0
Профиль