Мы используем cookie для наилучшего представления нашего сайта. Подробнее об этом в Политике конфиденциальности.
Ок

Одинцово

Ваш город:
Одинцово (Московская область)?
Нет
Да
Каталог
Каталог Написать в WhatsApp
Мотоэкипировка

Блок цилиндров и картер 2-Х ТАКТНОГО ПЛМ MERCURY 60 Серийный номер от 9885345 до 9973099

Блок цилиндров и картер 2-Х ТАКТНОГО ПЛМ MERCURY 60 Серийный номер от 9885345 до 9973099 в Москве: актуальный каталог, цены, фото, описание. Купите блок цилиндров и картер 2-х тактного плм mercury 60 серийный номер от 9885345 до 9973099 в кредит – оформите заявку онлайн за 1 минуту!

Оригинальные запчасти

Артикул НАИМЕНОВАНИЕ Кол-во деталей в узле Примечание Наличие Цена Аналоги Фото
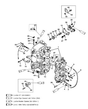
1 9755T15 CYLINDER BLOCK

Под заказ

1

Под заказ

уточнить

Купить
2 81742780 SCREW (M8 X 80 HEX FLANGE HEAD)

Под заказ

8

Под заказ

уточнить

Купить
3 81742730 Болт (SCREW (M8 X 30))

Под заказ

6

Под заказ

уточнить

Купить
4 426585 Перепускной клапан (VALVE-CHECK)

Под заказ

1

Под заказ

уточнить

Купить
5 892024122 Шланг обратного клапана (TUBING-20 FEET)

Под заказ

1

Под заказ

уточнить

Купить
6 426233 Клапан (CHECK VALVE)

Под заказ

1

Под заказ

уточнить

Купить
7 812888A1 Держатель (CARRIER ASSEMBLY)

Под заказ

2

Под заказ

уточнить

Купить
8 400212 Гайка (NUT)

Под заказ

1

Под заказ

уточнить

Купить
9 42942 CAP, NYLON-ADJUSTING

Под заказ

1

Под заказ

уточнить

Купить
10 43044 Штифт (PIN, Dowel - Without Hole (.375 x .625))

Под заказ

1

Под заказ

уточнить

Купить
11 8M0084653 Шпонка (PIN - DOWEL)

Под заказ

3

Под заказ

уточнить

Купить
12 18597 COVER

Под заказ

1

Под заказ

уточнить

Купить
13 81742750 SCREW, (M8 x 50)

Под заказ

2

Под заказ

уточнить

Купить
14 8128672 Прокладка (GASKET)

Под заказ

1

Под заказ

уточнить

Купить
15 8161949 Шпилька (STUD, M6 x 44)

Под заказ

2

Под заказ

уточнить

Купить
16 185981 PLUG, Pipe (.375-18)

Под заказ

4

Под заказ

уточнить

Купить
17 817430110 Болт (SCREW (M10 X 110))

Под заказ

6

Под заказ

уточнить

Купить
18 40011149 SCREW, (M8 x 25)

Под заказ

4

Под заказ

уточнить

Купить
19 12896 SCREW, SWITCH

Под заказ

1

Под заказ

уточнить

Купить
20 8128821 POPPET

Под заказ

1

Под заказ

уточнить

Купить
21 812887002 Диафрагма (DIAPHRAGM)

Под заказ

1

Под заказ

уточнить

Купить
22 94182 WASHER

Под заказ

1

Под заказ

уточнить

Купить
23 69570 SCREW, COVER

Под заказ

1

Под заказ

уточнить

Купить
24 90392 SPRING, POPPET VALVE

Под заказ

1

Под заказ

уточнить

Купить
25 42996 SPRING, COMPRESSION - POPPET VALVE

Под заказ

1

Под заказ

уточнить

Купить
26 14586 Термостат (THERMOSTAT-120)

Под заказ

1

Под заказ

уточнить

Купить
27 62386001 Прокладка (GASKET @4)

Под заказ

1

Под заказ

уточнить

Купить
28 812867A97 Набор прокладок (GASKET SET)

Под заказ

1

Под заказ

уточнить

Купить
29 811209T93 POWERHEAD ASSEMBLY COMPLETE (ALL)

Под заказ

1

Под заказ

уточнить

Купить
30 328022 Заглушка (PIPE PLUG)

Под заказ

1

Под заказ

уточнить

Купить
31 787992 Датчик (SENDER-TEMP)

Под заказ

1

Под заказ

уточнить

Купить
32 889733 Корпус датчика температуры (RETAINER)

Под заказ

1

Под заказ

уточнить

Купить
33 878609 Болт (SCREW, (#10-16 x .600))

Под заказ

1

Под заказ

уточнить

Купить
34 56681 Шайба (WASHER, SWITCH BOX ATTACHING SCREW)

Под заказ

1

Под заказ

уточнить

Купить
35 49221 Шайба

Под заказ

2

Под заказ

уточнить

Купить
36 69056 Шайба

Под заказ

2

Под заказ

уточнить

Купить
37 816872 Гайка-барашек (WING NUT)

Под заказ

2

Под заказ

уточнить

Купить
38 996642 Топливный фиттинг (ELBOW)

Под заказ

1

Под заказ

уточнить

Купить
39 782792 Штуцер

Под заказ

1

Под заказ

уточнить

Купить
40 8M0036859 COVER

Под заказ

1

Под заказ

уточнить

Купить
41 56759 Штуцер (FITTING)

Под заказ

1

Под заказ

уточнить

Купить
42 8129962 Заглушка (COVER)

Под заказ

1

Под заказ

уточнить

Купить
43 48462 Уплотнительное кольцо (O RING)

Под заказ

1

Под заказ

уточнить

Купить
44 40011108 Болт (SCREW)

Под заказ

2

Под заказ

уточнить

Купить
45 821595 LIFTING EYE

Под заказ

1

Под заказ

уточнить

Купить
46 821606 SCREW (55MM)

Под заказ

1

Под заказ

уточнить

Купить
47 401368 NUT, (M8)

Под заказ

1

Под заказ

уточнить

Купить

Нулевая цена не означает отсутствие товара. Оформите заказ, и менеджер сообщит вам цену и наличие товара, предварительно запросив их у поставщика

Главная Магазины
Корзина0
Профиль