Мы используем cookie для наилучшего представления нашего сайта. Подробнее об этом в Политике конфиденциальности.
Ок

Одинцово

Ваш город:
Одинцово (Московская область)?
Нет
Да
Каталог
Каталог Написать в WhatsApp
Мотоэкипировка

Электрика 2-х тактного ПЛМ MERCURY 9.9 M TMC Серийный номер от 0N059858 и выше

Электрика 2-х тактного ПЛМ MERCURY 9.9 M TMC Серийный номер от 0N059858 и выше в Москве: актуальный каталог, цены, фото, описание. Купите электрика 2-х тактного плм mercury 9.9 m tmc серийный номер от 0n059858 и выше в кредит – оформите заявку онлайн за 1 минуту!

Оригинальные запчасти

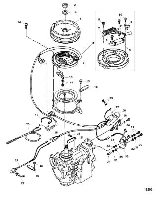
Артикул НАИМЕНОВАНИЕ Кол-во деталей в узле Примечание Наличие Цена Аналоги Фото
1 803700002 Маховик без звездочки 15SP (FLYWHEEL)

Под заказ

1

Под заказ

уточнить

Купить
2 851832001 Гайка (NUT, (Gold))

Под заказ

1

Под заказ

уточнить

Купить
3 8537011 Шайба (WASHER)

Под заказ

1

Под заказ

уточнить

Купить
4 803701A1 PLATE ASSEMBLY, Coil

Под заказ

1

Под заказ

уточнить

Купить
5 803702T Токосъемная катушка (EXCITER COIL)

Под заказ

1

Под заказ

уточнить

Купить
6 803703 Катушка генератора (ALTERNATOR SET)

Под заказ

1

Под заказ

уточнить

Купить
7 853738 WIRE GUIDE

Под заказ

1

Под заказ

уточнить

Купить
8 803828 CLAMP

Под заказ

1

Под заказ

уточнить

Купить
9 8230315 SCREW

Под заказ

4

Под заказ

уточнить

Купить
10 803829001 Кулачок (THROTTLE CAM)

В наличии

1

В наличии

2 850

4 600

Купить
11 855544024 SCREW

Под заказ

1

Под заказ

уточнить

Купить
12 8M0130961 CLAMP

Под заказ

2

Под заказ

уточнить

Купить
13 17175 Проводка (HARNESS)

Под заказ

1

Под заказ

уточнить

Купить
14 823037A2 Стоп-кнопка (LANYARD ST.SWITCH)

Под заказ

1

Под заказ

уточнить

Купить
15 823054 Стропка (LANYARD ASSY)

Под заказ

1

Под заказ

уточнить

Купить
16 803563005 CLAMP

Под заказ

1

Под заказ

уточнить

Купить
17 8230427 BOLT, (M6 x 12)

Под заказ

2

Под заказ

уточнить

Купить
18 803704T CD UNIT

Под заказ

1

Под заказ

уточнить

Купить
19 803705 BRACKET

Под заказ

1

Под заказ

уточнить

Купить
20 855544016 SCREW

Под заказ

1

Под заказ

уточнить

Купить
21 82304225 BOLT

Под заказ

1

Под заказ

уточнить

Купить
22 16826 Шайба (WASHER@10)

Под заказ

3

Под заказ

уточнить

Купить
23 851834 GASKET

Под заказ

2

Под заказ

уточнить

Купить
24 803707 SPACER

Под заказ

1

Под заказ

уточнить

Купить
25 8M0047313 Катушка зажигания (IGNITION COIL KIT)

Под заказ

1

Под заказ

уточнить

Купить
26 855543 Надсвечник (BOOT)

Под заказ

2

Под заказ

уточнить

Купить

Нулевая цена не означает отсутствие товара. Оформите заказ, и менеджер сообщит вам цену и наличие товара, предварительно запросив их у поставщика

Главная Магазины
Корзина0
Профиль