Каталог
Каталог Написать в WhatsApp
Мотоэкипировка

Компоненты силовой отделки 2-Х ТАКТНОГО ПЛМ MERCURY 90 Серийный номер от 0B240451 до 0C221999

Компоненты силовой отделки 2-Х ТАКТНОГО ПЛМ MERCURY 90 Серийный номер от 0B240451 до 0C221999 в Москве: актуальный каталог, цены, фото, описание. Купите компоненты силовой отделки 2-х тактного плм mercury 90 серийный номер от 0b240451 до 0c221999 в кредит – оформите заявку онлайн за 1 минуту!

Оригинальные запчасти

Артикул НАИМЕНОВАНИЕ Кол-во деталей в узле Примечание Наличие Цена Аналоги Фото
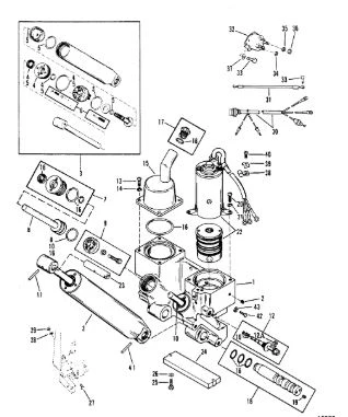
1 99659A21 MANIFOLD ASSEMBLY (MERCURY)

Под заказ

1

Под заказ

уточнить

Купить
2 99659A22 MANIFOLD ASSEMBLY (MARINER)

Под заказ

1

Под заказ

уточнить

Купить
3 56800 Заглушка (PIPE PLUG)

Под заказ

11

Под заказ

уточнить

Купить
4 41493A7 TRIM CYLINDER ASSEMBLY (BLACK)

Под заказ

1

Под заказ

уточнить

Купить
5 41492A1 GUIDE ASSEMBLY

Под заказ

1

Под заказ

уточнить

Купить
6 41478A1 REPAIR KIT

Под заказ

1

Под заказ

уточнить

Купить
7 41482A2 CHECK VALVE KIT

Под заказ

1

Под заказ

уточнить

Купить
8 8M0021648 END CAP ASSY

Под заказ

2

Под заказ

уточнить

Купить
9 878413A1 PISTON/ROD ASSEMBLY

Под заказ

1

Под заказ

уточнить

Купить
10 12184A1 TRIM FILTER ASSEMBLY

Под заказ

1

Под заказ

уточнить

Купить
11 878414T01 TRIM ROD KIT-STBD

Под заказ

1

Под заказ

уточнить

Купить
12 821539 Шпонка (PIN-TRILOBE)

Под заказ

1

Под заказ

уточнить

Купить
13 893929A01 Клапан (VALVE KIT-RELIEF)

Под заказ

1

Под заказ

уточнить

Купить
14 815949001 E-RING

Под заказ

1

Под заказ

уточнить

Купить
15 99642 COVER, MANIFOLD

Под заказ

1

Под заказ

уточнить

Купить
16 48462A4 O RING KIT

Под заказ

1

Под заказ

уточнить

Купить
17 99609A1 PLUG ASSEMBLY

Под заказ

1

Под заказ

уточнить

Купить
18 99641A1 SHAFT ASSEMBLY

Под заказ

1

Под заказ

уточнить

Купить
19 826729A10 POWER TRIM KIT

Под заказ

1

Под заказ

уточнить

Купить
20 99625002 Штифт (SHAFT-UPPER TILT)

Под заказ

1

Под заказ

уточнить

Купить
21 818298Q1 Комплект анодов (ANODE KIT)

Под заказ

1

Под заказ

уточнить

Купить
22 4000332 SCREW, ADAPTOR TO BOTTOM COWL (35MM)

Под заказ

2

Под заказ

уточнить

Купить
23 29245 Шайба (WASHER @10)

Под заказ

2

Под заказ

уточнить

Купить
24 8M0045383 STRIKER PLATE

Под заказ

2

Под заказ

уточнить

Купить
25 58643 LOCKWASHER

Под заказ

2

Под заказ

уточнить

Купить
26 46335 Гайка (PROP NUT)

Под заказ

2

Под заказ

уточнить

Купить
27 17201A2 CONTROL HARNESS, POWER TRIM (2 WIRE)

Под заказ

1

Под заказ

уточнить

Купить
28 87379A14 WIRE ASSEMBLY (2-3/4"-RED)

Под заказ

2

Под заказ

уточнить

Купить
29 88807A13 CABLE ASSEMBLY, IGNITION COIL (BLACK - 5-1/4")

Под заказ

1

Под заказ

уточнить

Купить
30 96158T Соленоид (SOLENOID)

Под заказ

2

Под заказ

уточнить

Купить
31 40007106 SCREW, STARTER SOLENOID

Под заказ

2

Под заказ

уточнить

Купить
32 64015 NUT, STARTER SOLENOID TERMINAL (1/4-20)

Под заказ

4

Под заказ

уточнить

Купить
33 22875 CLIP,WIRES AND HARNESS

Под заказ

2

Под заказ

уточнить

Купить
34 8M0084613 WASHER

Под заказ

2

Под заказ

уточнить

Купить
35 69079 SCREW, HARNESS LEADS (1/2")

Под заказ

2

Под заказ

уточнить

Купить
36 878267 PIN, Groove

Под заказ

1

Под заказ

уточнить

Купить
37 4000377 Болт (SCREW)

Под заказ

6

Под заказ

уточнить

Купить
38 400258 LOCKWASHER, BRACKET SCREW

Под заказ

6

Под заказ

уточнить

Купить

Нулевая цена не означает отсутствие товара. Оформите заказ, и менеджер сообщит вам цену и наличие товара, предварительно запросив их у поставщика

Главная Магазины
Корзина0
Профиль