Мы используем cookie для наилучшего представления нашего сайта. Подробнее об этом в Политике конфиденциальности.
Ок

Одинцово

Ваш город:
Одинцово (Московская область)?
Нет
Да
Каталог
Каталог Написать в WhatsApp
Мотоэкипировка

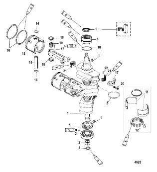
Коленвал, поршни и шатуны 2-Х ТАКТНОГО ПЛМ MERCURY 90 Серийный номер от 0G760300 до 0T979999

Коленвал, поршни и шатуны 2-Х ТАКТНОГО ПЛМ MERCURY 90 Серийный номер от 0G760300 до 0T979999 в Москве: актуальный каталог, цены, фото, описание. Купите коленвал, поршни и шатуны 2-х тактного плм mercury 90 серийный номер от 0g760300 до 0t979999 в кредит – оформите заявку онлайн за 1 минуту!

Оригинальные запчасти

Артикул НАИМЕНОВАНИЕ Кол-во деталей в узле Примечание Наличие Цена Аналоги Фото
1 827616T1 CRANKSHAFT

Под заказ

1

Под заказ

уточнить

Купить
2 43011T Шарикоподшипник (BEARING-BALL)

Под заказ

1

Под заказ

уточнить

Купить
3 786611 Втулка (WEAR SLEEVE)

Под заказ

1

Под заказ

уточнить

Купить
4 35126 Уплотнительное кольцо (O-RING)

Под заказ

1

Под заказ

уточнить

Купить
5 818412A4 Кольца поршневые (RING SET-4-STD)

Под заказ

1

Под заказ

уточнить

Купить
6 91800 Шпонка вала (Key)

Под заказ

2

Под заказ

уточнить

Купить
7 43019A1 Шестерня приводная (DRIVER GEAR)

Под заказ

1

Под заказ

уточнить

Купить
8 43013T3 Роликоподшипник (BEARING ASSY )

Под заказ

1

Под заказ

уточнить

Купить
9 43993 Сальник (SEAL)

Под заказ

1

Под заказ

уточнить

Купить
10 858225 Уплотнительное кольцо (O RING)

Под заказ

1

Под заказ

уточнить

Купить
11 823683 Уплотнительное кольцо (O-RING)

Под заказ

1

Под заказ

уточнить

Купить
12 42943A1 Роликоподшипник (BEARING KIT)

Под заказ

2

Под заказ

уточнить

Купить
13 826191T4 Поршень (PISTON ASSY-STD)

Под заказ

3

Под заказ

уточнить

Купить
14 821896A3 Поршень рем. 0,015 д. (PISTON ASSY-.015)

Под заказ

1

Под заказ

уточнить

Купить
15 821896A4 Поршень ремонтный (PISTON ASSY-.030)

Под заказ

1

Под заказ

уточнить

Купить
16 857196 Стопорное кольцо (RING-LOCK @15)

Под заказ

6

Под заказ

уточнить

Купить
17 822321A12 Кольцо (RING SET-STD)

Под заказ

1

Под заказ

уточнить

Купить
18 822321A1 Кольца поршневые 8шт рем. 0,015 (PISTON RING ASSY)

Под заказ

1

Под заказ

уточнить

Купить
19 822321A2 PISTON RING ASSEMBLY

Под заказ

1

Под заказ

уточнить

Купить
20 818846T6 Шатун (CONNECTING ROD)

Под заказ

3

Под заказ

уточнить

Купить
21 8M0012298 Упорная шайба (THRUST WASHER)

Под заказ

6

Под заказ

уточнить

Купить
22 818391001 Иголка подшипника (BRG-NEEDLE @200)

Под заказ

87

Под заказ

уточнить

Купить
23 94320 Болт 0,375-24 х 1,25 (SCREW)

Под заказ

6

Под заказ

уточнить

Купить
24 844338A01 Подшипник (BEARING/CAGE KIT)

Под заказ

3

Под заказ

уточнить

Купить
25 43004A99 Набор прокладок 75/90 дв. блок (GASKET SET)

Под заказ

1

Под заказ

уточнить

Купить
26 898208A02 POWERHEAD ASSEMBLY

Под заказ

1

Под заказ

уточнить

Купить
27 809837T97 Двигательный блок в сборе (POWERHEAD)

Под заказ

1

Под заказ

уточнить

Купить

Нулевая цена не означает отсутствие товара. Оформите заказ, и менеджер сообщит вам цену и наличие товара, предварительно запросив их у поставщика

Главная Магазины
Корзина0
Профиль