Мы используем cookie для наилучшего представления нашего сайта. Подробнее об этом в Политике конфиденциальности.
Ок

Одинцово

Ваш город:
Одинцово (Московская область)?
Нет
Да
Каталог
Каталог Написать в WhatsApp
Мотоэкипировка

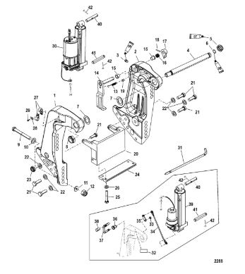
Кронштейн транца(SN- USA 0T801000/ BEL 0P268000 и выше) 2-Х ТАКТНОГО ПЛМ MERCURY 90 Серийный номер от 0P017000 до 0P325499

Кронштейн транца(SN- USA 0T801000/ BEL 0P268000 и выше) 2-Х ТАКТНОГО ПЛМ MERCURY 90 Серийный номер от 0P017000 до 0P325499 в Москве: актуальный каталог, цены, фото, описание. Купите кронштейн транца(sn- usa 0t801000/ bel 0p268000 и выше) 2-х тактного плм mercury 90 серийный номер от 0p017000 до 0p325499 в кредит – оформите заявку онлайн за 1 минуту!

Оригинальные запчасти

Артикул НАИМЕНОВАНИЕ Кол-во деталей в узле Примечание Наличие Цена Аналоги Фото
1 828334T02 TRANSOM BRACKET, (Starboard)

Под заказ

1

Под заказ

уточнить

Купить
2 828333T07 TRANSOM BRACKET, (Port)

Под заказ

1

Под заказ

уточнить

Купить
3 98727 GREASE FITTING, PORT TRANSOM BRACKET

Под заказ

1

Под заказ

уточнить

Купить
4 99170A2 TUBE KIT, Tilt

Под заказ

1

Под заказ

уточнить

Купить
5 826125A1 TILT TUBE

Под заказ

1

Под заказ

уточнить

Купить
6 859133 NUT, (1.00-14)

Под заказ

1

Под заказ

уточнить

Купить
7 826135 NUT, (1.00-14)

Под заказ

1

Под заказ

уточнить

Купить
8 45711 Уплотнительное кольцо (O RING@5)

Под заказ

1

Под заказ

уточнить

Купить
9 88750 WAVE WASHER, TILT TUBE

Под заказ

2

Под заказ

уточнить

Купить
10 858869 Гайка (NUT, (.875-14))

Под заказ

1

Под заказ

уточнить

Купить
11 826164 NUT, (.875-14)

Под заказ

1

Под заказ

уточнить

Купить
12 830899 SPRING, Tension

Под заказ

1

Под заказ

уточнить

Купить
13 8M0109798 LEVER-TILT LOCK

Под заказ

1

Под заказ

уточнить

Купить
14 65830 BUSHING, TILT LEVER

Под заказ

2

Под заказ

уточнить

Купить
15 830900 SPRING, Compression

Под заказ

1

Под заказ

уточнить

Купить
16 99633 KNOB, TILT LOCK LEVER

Под заказ

1

Под заказ

уточнить

Купить
17 99615 GROOVE PIN

Под заказ

1

Под заказ

уточнить

Купить
18 893709 PIN-GROOVED

Под заказ

1

Под заказ

уточнить

Купить
19 8M0086406 BRACKET-ANCHOR

Под заказ

1

Под заказ

уточнить

Купить
20 858771 Болт М10х30 (SCREW)

Под заказ

6

Под заказ

уточнить

Купить
21 4002319 Шайба (WASHER@3)

Под заказ

6

Под заказ

уточнить

Купить
22 40114 NUT, (M10)

Под заказ

1

Под заказ

уточнить

Купить
23 818298Q1 Комплект анодов (ANODE KIT)

Под заказ

1

Под заказ

уточнить

Купить
24 4000330 Болт (SCREW @5)

Под заказ

2

Под заказ

уточнить

Купить
25 29245 Шайба (WASHER @10)

Под заказ

2

Под заказ

уточнить

Купить
26 22740 CLIP

Под заказ

2

Под заказ

уточнить

Купить
27 8M0084613 WASHER

Под заказ

1

Под заказ

уточнить

Купить
28 878609 Болт (SCREW, (#10-16 x .600))

Под заказ

1

Под заказ

уточнить

Купить
29 8M0090335 Система гидроподъема в сборе (POWER TRIM ASSY)

Под заказ

1

Под заказ

уточнить

Купить
30 8M0026068 PIN ASY-TILT

Под заказ

1

Под заказ

уточнить

Купить
31 830253 DECAL-TILT/LOCK

Под заказ

1

Под заказ

уточнить

Купить
32 826709110 NUT, (.312-18)

Под заказ

1

Под заказ

уточнить

Купить
33 8353511 LINK ROD

Под заказ

1

Под заказ

уточнить

Купить
34 832042 ARM

Под заказ

1

Под заказ

уточнить

Купить
35 832040 BUSHING

Под заказ

1

Под заказ

уточнить

Купить
36 832039 TILT LEVER

Под заказ

1

Под заказ

уточнить

Купить
37 8M0007469 Крышка рукоятки стопора (KNOB-TILT)

Под заказ

1

Под заказ

уточнить

Купить
38 835249T1 MANUAL TILT ASSEMBLY

Под заказ

1

Под заказ

уточнить

Купить
39 99625002 Штифт (SHAFT-UPPER TILT)

Под заказ

1

Под заказ

уточнить

Купить
40 818898 Штифт крепления гидроцил. нижн.75-125(PIN, Anchor)

Под заказ

1

Под заказ

уточнить

Купить
41 821539 Шпонка (PIN-TRILOBE)

Под заказ

2

Под заказ

уточнить

Купить

Нулевая цена не означает отсутствие товара. Оформите заказ, и менеджер сообщит вам цену и наличие товара, предварительно запросив их у поставщика

Главная Магазины
Корзина0
Профиль