Мы используем cookie для наилучшего представления нашего сайта. Подробнее об этом в Политике конфиденциальности.
Ок

Одинцово

Ваш город:
Одинцово (Московская область)?
Нет
Да
Каталог
Каталог Написать в WhatsApp
Мотоэкипировка

Корпус шестерни (карданный вал 2.31:1 передаточное число) 2-Х ТАКТНОГО ПЛМ MERCURY 90 Серийный номер от 0P325500 и выше

Корпус шестерни (карданный вал 2.31:1 передаточное число) 2-Х ТАКТНОГО ПЛМ MERCURY 90 Серийный номер от 0P325500 и выше в Москве: актуальный каталог, цены, фото, описание. Купите корпус шестерни (карданный вал 2.31:1 передаточное число) 2-х тактного плм mercury 90 серийный номер от 0p325500 и выше в кредит – оформите заявку онлайн за 1 минуту!

Оригинальные запчасти

Артикул НАИМЕНОВАНИЕ Кол-во деталей в узле Примечание Наличие Цена Аналоги Фото
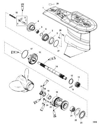
1 9011J15 Редуктор в сборе (GEAR HSG. LONG BL)

Под заказ

1

Под заказ

уточнить

Купить
2 9011J21 GEAR HOUSING, Complete

Под заказ

1

Под заказ

уточнить

Купить
3 9011J23 GEAR HOUSING, Complete

Под заказ

1

Под заказ

уточнить

Купить
4 9011G59 Корпус редуктора (GEAR HOUSING ASSEMBLY, Basic)

Под заказ

1

Под заказ

уточнить

Купить
5 30894A1 Роликовый подшипник (BEARING SET)

Под заказ

1

Под заказ

уточнить

Купить
6 882813A3 Шестерня переднего хода (GEAR KIT-FORWARD)

Под заказ

1

Под заказ

уточнить

Купить
7 30895T Подшипник (BEARING)

Под заказ

1

Под заказ

уточнить

Купить
8 856823 Кольцо (RING, Retaining)

Под заказ

1

Под заказ

уточнить

Купить
9 850315A1 Копир кулачка (FOLLOWER KIT-CAM)

Под заказ

1

Под заказ

уточнить

Купить
10 44530 Шарик (BALL)

Под заказ

3

Под заказ

уточнить

Купить
11 850327 SPRING

Под заказ

1

Под заказ

уточнить

Купить
12 8M0100263 PIN @3

Под заказ

1

Под заказ

уточнить

Купить
13 30893 Пружина (SPRING @2)

Под заказ

1

Под заказ

уточнить

Купить
14 850048T *Муфта (CLUTCH)

Под заказ

1

Под заказ

уточнить

Купить
15 8M0140445 Гребной вал (PROP SHAFT)

Под заказ

1

Под заказ

уточнить

Купить
16 882814T Шестерня з.х. (GEAR-REVERSE)

Под заказ

1

Под заказ

уточнить

Купить
17 12596T2 Корпус подшипника (CARRIER ASSY-BRG)

Под заказ

1

Под заказ

уточнить

Купить
18 861844 Уплотнительное кольцо (O RING)

Под заказ

1

Под заказ

уточнить

Купить
19 30956T Подшипник (BEARING)

Под заказ

1

Под заказ

уточнить

Купить
20 70080 Сальник (SEAL)

Под заказ

1

Под заказ

уточнить

Купить
21 70081 Сальник (SEAL)

Под заказ

1

Под заказ

уточнить

Купить
22 12578T Подшипник роликовый (BEARING)

Под заказ

1

Под заказ

уточнить

Купить
23 12577 Шайба (WASHER)

Под заказ

1

Под заказ

уточнить

Купить
24 12576 Шарикоподшипник (BEARING)

Под заказ

1

Под заказ

уточнить

Купить
25 8M0034456 Шпилька M8x1.25x48 (STUD)

Под заказ

2

Под заказ

уточнить

Купить
26 855941 Шайба (WASHER)

Под заказ

2

Под заказ

уточнить

Купить
27 401378 NUT, (M8)

Под заказ

2

Под заказ

уточнить

Купить
28 44491A1 Регулировочные кольца (shim set)

Под заказ

1

Под заказ

уточнить

Купить
29 8227731 Вставка (INSERT)

Под заказ

2

Под заказ

уточнить

Купить
30 43035A4 Набор сальников (SEAL KIT)

Под заказ

1

Под заказ

уточнить

Купить
31 13461A99 Набор прокладок 75-125 2-такт. (GASKET SET)

Под заказ

1

Под заказ

уточнить

Купить

Нулевая цена не означает отсутствие товара. Оформите заказ, и менеджер сообщит вам цену и наличие товара, предварительно запросив их у поставщика

Главная Магазины
Корзина0
Профиль