Мы используем cookie для наилучшего представления нашего сайта. Подробнее об этом в Политике конфиденциальности.
Ок

Одинцово

Ваш город:
Одинцово (Московская область)?
Нет
Да
Каталог
Каталог Написать в WhatsApp
Мотоэкипировка

Система прокачки 2-Х ТАКТНОГО ПЛМ MERCURY 90 Серийный номер от 1B000001 и выше

Система прокачки 2-Х ТАКТНОГО ПЛМ MERCURY 90 Серийный номер от 1B000001 и выше в Москве: актуальный каталог, цены, фото, описание. Купите система прокачки 2-х тактного плм mercury 90 серийный номер от 1b000001 и выше в кредит – оформите заявку онлайн за 1 минуту!

Оригинальные запчасти

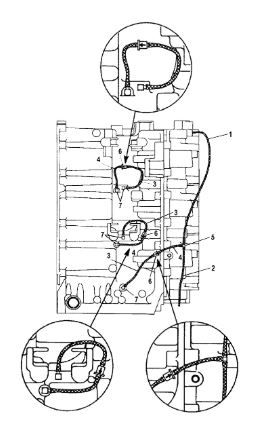
Артикул НАИМЕНОВАНИЕ Кол-во деталей в узле Примечание Наличие Цена Аналоги Фото
1 892024122 Шланг обратного клапана (TUBING-20 FEET)

Под заказ

3

Под заказ

уточнить

Купить
2 59169003 Тройник (FITTING @2)

Под заказ

1

Под заказ

уточнить

Купить
3 149126 Перепускной клапан (VALVE-CHECK)

Под заказ

3

Под заказ

уточнить

Купить
4 15133 ELBOW, BLEED HOSE (45 DEG.)

Под заказ

5

Под заказ

уточнить

Купить
5 898208A02 POWERHEAD ASSEMBLY

Под заказ

1

Под заказ

уточнить

Купить
6 809837T97 Двигательный блок в сборе (POWERHEAD)

Под заказ

1

Под заказ

уточнить

Купить

Нулевая цена не означает отсутствие товара. Оформите заказ, и менеджер сообщит вам цену и наличие товара, предварительно запросив их у поставщика

Главная Магазины
Корзина0
Профиль