Мы используем cookie для наилучшего представления нашего сайта. Подробнее об этом в Политике конфиденциальности.
Ок

Одинцово

Ваш город:
Одинцово (Московская область)?
Нет
Да
Каталог
Каталог Написать в WhatsApp
Мотоэкипировка

Впускной коллектор и резонатор 2-Х ТАКТНОГО ПЛМ MERCURY 90 Серийный номер от 1B000001 и выше

Впускной коллектор и резонатор 2-Х ТАКТНОГО ПЛМ MERCURY 90 Серийный номер от 1B000001 и выше в Москве: актуальный каталог, цены, фото, описание. Купите впускной коллектор и резонатор 2-х тактного плм mercury 90 серийный номер от 1b000001 и выше в кредит – оформите заявку онлайн за 1 минуту!

Оригинальные запчасти

Артикул НАИМЕНОВАНИЕ Кол-во деталей в узле Примечание Наличие Цена Аналоги Фото
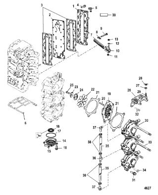
1 42878A2 EXHAUST COVER/PLATE KIT

Под заказ

1

Под заказ

уточнить

Купить
2 43004009 Прокладка (GASKET)

Под заказ

2

Под заказ

уточнить

Купить
3 996642 Топливный фиттинг (ELBOW)

Под заказ

1

Под заказ

уточнить

Купить
4 430075 Прокладка (GASKET)

Под заказ

1

Под заказ

уточнить

Купить
5 42881A1 SHIFT RAIL

Под заказ

1

Под заказ

уточнить

Купить
6 42981 Шайба с ограничителем (TAB WASHER)

Под заказ

2

Под заказ

уточнить

Купить
7 40001134 Болт (SCREW)

Под заказ

2

Под заказ

уточнить

Купить
8 988851 Кронштейн (SLIDE)

Под заказ

1

Под заказ

уточнить

Купить
9 35459 Шайба (WASHER)

Под заказ

1

Под заказ

уточнить

Купить
10 401386 Гайка (NUT-M6 HEX, NYL I)

Под заказ

1

Под заказ

уточнить

Купить
11 858552T2 LOWER END CAP ASSEMBLY

Под заказ

1

Под заказ

уточнить

Купить
12 426585 Перепускной клапан (VALVE-CHECK)

Под заказ

1

Под заказ

уточнить

Купить
13 419533 Сальник (SEAL)

Под заказ

1

Под заказ

уточнить

Купить
14 89224 Антифриз жел.

Под заказ

1

Под заказ

уточнить

1 870

Купить
15 4010825 Болт (SCREW M10 X 25)

Под заказ

3

Под заказ

уточнить

Купить
16 42963A11 Блок пластинчатых клапанов 75-125(REED BLOCK ASSY)

Под заказ

3

Под заказ

уточнить

Купить
17 139376 Прокладка (GASKET)

Под заказ

6

Под заказ

уточнить

Купить
18 43018A1 Лепестковые клапана (REED KIT)

Под заказ

3

Под заказ

уточнить

Купить
19 429821 Упорная шайба (TAB WASHER)

Под заказ

3

Под заказ

уточнить

Купить
20 42924 Упорная шайба лепестк клапана70-125(RETAINER REED)

Под заказ

3

Под заказ

уточнить

Купить
21 88421471 Болт M6x16 (SCREW)

Под заказ

3

Под заказ

уточнить

Купить
22 8M0039350 BRACKET

Под заказ

1

Под заказ

уточнить

Купить
23 827514 BRACKET

Под заказ

1

Под заказ

уточнить

Купить
24 49221 Шайба

Под заказ

2

Под заказ

уточнить

Купить
25 816872 Гайка-барашек (WING NUT)

Под заказ

2

Под заказ

уточнить

Купить
26 8161949 Шпилька (STUD, M6 x 44)

Под заказ

2

Под заказ

уточнить

Купить
27 884296T Впускной коллектор (INDUCTION MANIFOL)

Под заказ

3

Под заказ

уточнить

Купить
28 81742740 SCREW (M8 X 40)

Под заказ

2

Под заказ

уточнить

Купить
29 40001167 SCREW (#4 CYLINDER)

Под заказ

2

Под заказ

уточнить

Купить
30 8M0108349 Шланг (HOSE-70 INCH)

Под заказ

2

Под заказ

уточнить

Купить
31 432881 TEE FITTING

Под заказ

1

Под заказ

уточнить

Купить
32 8585531 CONNECTOR

Под заказ

1

Под заказ

уточнить

Купить
33 804666A05 DECAL, EPC Information (2005)

Под заказ

1

Под заказ

уточнить

Купить
34 804666A06 DECAL, EPA Label Information (2006)

Под заказ

1

Под заказ

уточнить

Купить
35 804666A07 DECAL, EPA Label Information (2007)

Под заказ

1

Под заказ

уточнить

Купить
36 804666A08 DECAL, EPA Label Information (2008 and up)

Под заказ

1

Под заказ

уточнить

Купить
37 43004A99 Набор прокладок 75/90 дв. блок (GASKET SET)

Под заказ

1

Под заказ

уточнить

Купить
38 898208A02 POWERHEAD ASSEMBLY

Под заказ

1

Под заказ

уточнить

Купить
39 809837T97 Двигательный блок в сборе (POWERHEAD)

Под заказ

1

Под заказ

уточнить

Купить

Нулевая цена не означает отсутствие товара. Оформите заказ, и менеджер сообщит вам цену и наличие товара, предварительно запросив их у поставщика

Главная Магазины
Корзина0
Профиль