Мы используем cookie для наилучшего представления нашего сайта. Подробнее об этом в Политике конфиденциальности.
Ок

Одинцово

Ваш город:
Одинцово (Московская область)?
Нет
Да
Каталог
Каталог Написать в WhatsApp
Мотоэкипировка

Электрические компоненты 2-Х ТАКТНОГО ПЛМ MERCURY 90 Серийный номер от 9483121 до 9506480

Электрические компоненты 2-Х ТАКТНОГО ПЛМ MERCURY 90 Серийный номер от 9483121 до 9506480 в Москве: актуальный каталог, цены, фото, описание. Купите электрические компоненты 2-х тактного плм mercury 90 серийный номер от 9483121 до 9506480 в кредит – оформите заявку онлайн за 1 минуту!

Оригинальные запчасти

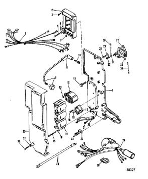
Артикул НАИМЕНОВАНИЕ Кол-во деталей в узле Примечание Наличие Цена Аналоги Фото
1 42968A23 IGNITION PLATE

Под заказ

1

Под заказ

уточнить

Купить
2 7778A12 Коммутатор (SWITCHBOX ASSY)

Под заказ

1

Под заказ

уточнить

Купить
3 69079 SCREW, HARNESS LEADS (1/2")

Под заказ

1

Под заказ

уточнить

Купить
4 40007110 SCREW, SWITCH BOX

Под заказ

2

Под заказ

уточнить

Купить
5 94304 SPACER, RECTIFIER SCREW

Под заказ

2

Под заказ

уточнить

Купить
6 45076 Гайка (NUT@10)

Под заказ

9

Под заказ

уточнить

Купить
7 41592A4 HARNESS ASSEMBLY, PRIMARY

Под заказ

1

Под заказ

уточнить

Купить
8 813715A1 LEAD WIRE

Под заказ

3

Под заказ

уточнить

Купить
9 63709A1 Надсвечник (BOOT ASSEMBLY, SPARK PLUG)

Под заказ

3

Под заказ

уточнить

Купить
10 97182Q Свеча зажигания (NGK BUHW-2 @10)

Под заказ

3

Под заказ

уточнить

Купить
11 82155025 SCREW

Под заказ

3

Под заказ

уточнить

Купить
12 832757A4 Катушка зажигания (COIL KIT)

Под заказ

3

Под заказ

уточнить

Купить
13 43542 COVER, IGNITION COIL

Под заказ

1

Под заказ

уточнить

Купить
14 40007114 SCREW, IGNITION COIL COVER

Под заказ

6

Под заказ

уточнить

Купить
15 89302 Шайба (WASHER, DECK BASE SCREW (NEW DESIGN))

Под заказ

6

Под заказ

уточнить

Купить
16 8M0058226 Выпрямитель (RECTIFIER)

Под заказ

1

Под заказ

уточнить

Купить
17 16731T01 SWITCH ASSY

Под заказ

1

Под заказ

уточнить

Купить
18 45915 TERMINAL BLOCK

Под заказ

2

Под заказ

уточнить

Купить
19 48408 Болт (SCREW @5)

Под заказ

4

Под заказ

уточнить

Купить
20 41591A3 WIRING HARNESS ASSEMBLY, ENGINE

Под заказ

1

Под заказ

уточнить

Купить
21 79091 Предохранитель 20 ампер (FUSE-20 AMP @5)

Под заказ

1

Под заказ

уточнить

Купить
22 88439A3 BATTERY CABLE (POSITIVE)

Под заказ

1

Под заказ

уточнить

Купить
23 88439A4 Электрокабель (CABLE ASSY-NEG)

Под заказ

1

Под заказ

уточнить

Купить
24 96158T Соленоид (SOLENOID)

Под заказ

1

Под заказ

уточнить

Купить
25 40007106 SCREW, STARTER SOLENOID

Под заказ

2

Под заказ

уточнить

Купить
26 88807A6 WIRE, SOLENOID SCREW (BLACK)

Под заказ

1

Под заказ

уточнить

Купить
27 64015 NUT, STARTER SOLENOID TERMINAL (1/4-20)

Под заказ

2

Под заказ

уточнить

Купить
28 88808A18 WIRE, RECTIFIER TO SOLENOID (RED)

Под заказ

1

Под заказ

уточнить

Купить
29 124174 COVER

Под заказ

1

Под заказ

уточнить

Купить
30 134731 FUSE HOLDER

Под заказ

1

Под заказ

уточнить

Купить

Нулевая цена не означает отсутствие товара. Оформите заказ, и менеджер сообщит вам цену и наличие товара, предварительно запросив их у поставщика

Главная Магазины
Корзина0
Профиль