Мы используем cookie для наилучшего представления нашего сайта. Подробнее об этом в Политике конфиденциальности.
Ок

Одинцово

Ваш город:
Одинцово (Московская область)?
Нет
Да
Каталог
Каталог Написать в WhatsApp
Мотоэкипировка

Коленвал, поршни и шатуны (#638-8532--1) 2-Х ТАКТНОГО ПЛМ MERCURY 90 Серийный номер от 9506481 до 9589038

Коленвал, поршни и шатуны (#638-8532--1) 2-Х ТАКТНОГО ПЛМ MERCURY 90 Серийный номер от 9506481 до 9589038 в Москве: актуальный каталог, цены, фото, описание. Купите коленвал, поршни и шатуны (#638-8532--1) 2-х тактного плм mercury 90 серийный номер от 9506481 до 9589038 в кредит – оформите заявку онлайн за 1 минуту!

Оригинальные запчасти

Артикул НАИМЕНОВАНИЕ Кол-во деталей в узле Примечание Наличие Цена Аналоги Фото
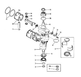
1 9001T3 CRANKSHAFT ASSY

Под заказ

1

Под заказ

уточнить

Купить
2 43011T Шарикоподшипник (BEARING-BALL)

Под заказ

1

Под заказ

уточнить

Купить
3 93412 RETAINING RING, BALL BEARING

Под заказ

1

Под заказ

уточнить

Купить
4 54196A6 Держатель (CARRIER ASSEMBLY)

Под заказ

1

Под заказ

уточнить

Купить
5 65800 PACKING,CARRIER

Под заказ

1

Под заказ

уточнить

Купить
6 35126 Уплотнительное кольцо (O-RING)

Под заказ

1

Под заказ

уточнить

Купить
7 91800 Шпонка вала (Key)

Под заказ

2

Под заказ

уточнить

Купить
8 43019A1 Шестерня приводная (DRIVER GEAR)

Под заказ

1

Под заказ

уточнить

Купить
9 42079A4 RING ASSEMBLY, SEALING

Под заказ

1

Под заказ

уточнить

Купить
10 42943A1 Роликоподшипник (BEARING KIT)

Под заказ

2

Под заказ

уточнить

Купить
11 9009T13 PISTON ASSY-STD

Под заказ

3

Под заказ

уточнить

Купить
12 9009A6 Поршень рем.0,015 (PISTON ASSY-.015)

Под заказ

1

Под заказ

уточнить

Купить
13 9009A7 PISTON ASSEMBLY (.030 O.S.)

Под заказ

1

Под заказ

уточнить

Купить
14 857196 Стопорное кольцо (RING-LOCK @15)

Под заказ

6

Под заказ

уточнить

Купить
15 96170A12 PISTON RING ASSEBMLY (STANDARD)

Под заказ

1

Под заказ

уточнить

Купить
16 96170A3 PISTON RING ASSEMBLY (.015 O.S.)

Под заказ

1

Под заказ

уточнить

Купить
17 96170A4 PISTON RING ASSEMBLY (.030 O.S.)

Под заказ

1

Под заказ

уточнить

Купить
18 9002A6 CONNECTING ROD ASSEMBLY

Под заказ

3

Под заказ

уточнить

Купить
19 8M0032839 WASHER @5

Под заказ

6

Под заказ

уточнить

Купить
20 88258001 Иголки шатуна (NEEDLES-BRG @102)

Под заказ

87

Под заказ

уточнить

Купить
21 94320 Болт 0,375-24 х 1,25 (SCREW)

Под заказ

6

Под заказ

уточнить

Купить
22 844338A01 Подшипник (BEARING/CAGE KIT)

Под заказ

3

Под заказ

уточнить

Купить
23 43013T3 Роликоподшипник (BEARING ASSY )

Под заказ

1

Под заказ

уточнить

Купить
24 43993 Сальник (SEAL)

Под заказ

1

Под заказ

уточнить

Купить
25 823683 Уплотнительное кольцо (O-RING)

Под заказ

1

Под заказ

уточнить

Купить
26 43004A99 Набор прокладок 75/90 дв. блок (GASKET SET)

Под заказ

1

Под заказ

уточнить

Купить

Нулевая цена не означает отсутствие товара. Оформите заказ, и менеджер сообщит вам цену и наличие товара, предварительно запросив их у поставщика

Главная Магазины
Корзина0
Профиль