Мы используем cookie для наилучшего представления нашего сайта. Подробнее об этом в Политике конфиденциальности.
Ок

Одинцово

Ваш город:
Одинцово (Московская область)?
Нет
Да
Каталог
Каталог Написать в WhatsApp
Мотоэкипировка

Впускной коллектор 4-Х ТАКТНОГО ПЛМ MERCURY 100 Серийный номер от 1B227000 до 1B366822

Впускной коллектор 4-Х ТАКТНОГО ПЛМ MERCURY 100 Серийный номер от 1B227000 до 1B366822 в Москве: актуальный каталог, цены, фото, описание. Купите впускной коллектор 4-х тактного плм mercury 100 серийный номер от 1b227000 до 1b366822 в кредит – оформите заявку онлайн за 1 минуту!

Оригинальные запчасти

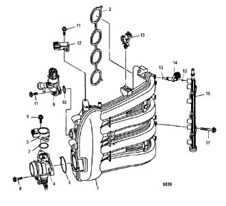
Артикул НАИМЕНОВАНИЕ Кол-во деталей в узле Примечание Наличие Цена Аналоги Фото
1 881440T03 INTAKE ASSEMBLY, Complete

Под заказ

1

Под заказ

уточнить

Купить
2 880886T01 MANIFOLD ASSEMBLY

Под заказ

1

Под заказ

уточнить

Купить
3 881433001 Прокладка впускного коллектора (GASKET)

Под заказ

1

Под заказ

уточнить

Купить
4 881433002 GASKET

Под заказ

1

Под заказ

уточнить

Купить
5 881441T05 THROTTLE BODY ASSEMBLY

Под заказ

1

Под заказ

уточнить

Купить
6 880884001 SENSOR ASSEMBLY, Throttle

Под заказ

2

Под заказ

уточнить

Купить
7 881502001 SCREW

Под заказ

2

Под заказ

уточнить

Купить
8 881504001 O-RING

Под заказ

2

Под заказ

уточнить

Купить
9 881510001 BOLT

Под заказ

3

Под заказ

уточнить

Купить
10 880883T02 CONTROL VALVE ASSEMBLY

Под заказ

1

Под заказ

уточнить

Купить
11 881448001 O-RING

Под заказ

2

Под заказ

уточнить

Купить
12 881449001 SCREW

Под заказ

4

Под заказ

уточнить

Купить
13 880885001 SENSOR ASSEMBLY

Под заказ

1

Под заказ

уточнить

Купить
14 881530001 CLAMP

Под заказ

1

Под заказ

уточнить

Купить
15 880887T02 Форсунка (INJECTOR ASSEMBLY)

Под заказ

4

Под заказ

уточнить

Купить
16 885183A02 Уплотнительные кольца форсунки (O-RING KIT)

Под заказ

1

Под заказ

уточнить

Купить
17 881518T01 Топливная рейка F75-100 yam (FUEL RAIL)

Под заказ

1

Под заказ

уточнить

Купить
18 881532001 BOLT

Под заказ

2

Под заказ

уточнить

Купить

Нулевая цена не означает отсутствие товара. Оформите заказ, и менеджер сообщит вам цену и наличие товара, предварительно запросив их у поставщика

Главная Магазины
Корзина0
Профиль