Мы используем cookie для наилучшего представления нашего сайта. Подробнее об этом в Политике конфиденциальности.
Ок

Одинцово

Ваш город:
Одинцово (Московская область)?
Нет
Да
Каталог
Каталог Написать в WhatsApp
Мотоэкипировка

Впускные и выпускные клапаны 4-Х ТАКТНОГО ПЛМ MERCURY 115 Серийный номер от 0T178500 до 0T800999

Впускные и выпускные клапаны 4-Х ТАКТНОГО ПЛМ MERCURY 115 Серийный номер от 0T178500 до 0T800999 в Москве: актуальный каталог, цены, фото, описание. Купите впускные и выпускные клапаны 4-х тактного плм mercury 115 серийный номер от 0t178500 до 0t800999 в кредит – оформите заявку онлайн за 1 минуту!

Оригинальные запчасти

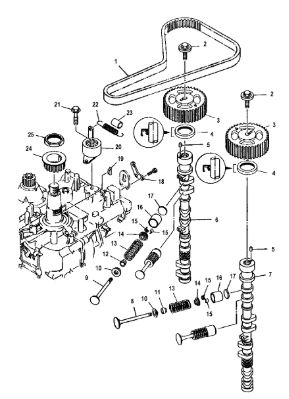
Артикул НАИМЕНОВАНИЕ Кол-во деталей в узле Примечание Наличие Цена Аналоги Фото
1 804145 Ремень ГРМ (V BELT)

Под заказ

1

Под заказ

уточнить

Купить
2 804143001 BOLT

Под заказ

2

Под заказ

уточнить

Купить
3 804142T Шкив распрдвала (DRIVEN GEAR)

Под заказ

2

Под заказ

уточнить

Купить
4 804144001 Сальник (SEAL-OIL)

Под заказ

2

Под заказ

уточнить

Купить
5 804141 PIN, Dowel

Под заказ

2

Под заказ

уточнить

Купить
6 8M0057172 Распредвал (CAMSHAFT)

Под заказ

1

Под заказ

уточнить

Купить
7 804139T CAMSHAFT

Под заказ

1

Под заказ

уточнить

Купить
8 804128T INTAKE VALVE

Под заказ

8

Под заказ

уточнить

Купить
9 804129T EXHAUST VALVE

Под заказ

8

Под заказ

уточнить

Купить
10 804130 SEAT

Под заказ

16

Под заказ

уточнить

Купить
11 804136 Маслосъемный сальник (SEAL)

Под заказ

8

Под заказ

уточнить

Купить
12 804137 Маслосъемный сальник выпускного клапана (SEAL)

Под заказ

8

Под заказ

уточнить

Купить
13 804131 VALVE SPRING

Под заказ

16

Под заказ

уточнить

Купить
14 804132 RETAINER

Под заказ

16

Под заказ

уточнить

Купить
15 804135 COTTER VALVE

Под заказ

32

Под заказ

уточнить

Купить
16 804138T VALVE LIFTER

Под заказ

16

Под заказ

уточнить

Купить
17 8046071 ADJUSTING PAD

Под заказ

1

Под заказ

уточнить

Купить
18 8046072 ADJUSTING PAD

Под заказ

1

Под заказ

уточнить

Купить
19 8046073 ADJUSTING PAD

Под заказ

1

Под заказ

уточнить

Купить
20 8046074 ADJUSTING PAD

Под заказ

1

Под заказ

уточнить

Купить
21 8046075 ADJUSTING PAD

Под заказ

1

Под заказ

уточнить

Купить
22 8046076 ADJUSTING PAD

Под заказ

1

Под заказ

уточнить

Купить
23 8046077 ADJUSTING PAD

Под заказ

1

Под заказ

уточнить

Купить
24 8046078 ADJUSTING PAD

Под заказ

1

Под заказ

уточнить

Купить
25 8046079 ADJUSTING PAD

Под заказ

1

Под заказ

уточнить

Купить
26 80460710 ADJUSTING PAD

Под заказ

1

Под заказ

уточнить

Купить
27 80460711 ADJUSTING PAD

Под заказ

1

Под заказ

уточнить

Купить
28 80460712 ADJUSTING PAD

Под заказ

1

Под заказ

уточнить

Купить
29 80460713 ADJUSTING PAD

Под заказ

1

Под заказ

уточнить

Купить
30 80460714 ADJUSTING PAD

Под заказ

1

Под заказ

уточнить

Купить
31 80460715 ADJUSTING PAD

Под заказ

1

Под заказ

уточнить

Купить
32 80460716 ADJUSTING PAD

Под заказ

1

Под заказ

уточнить

Купить
33 80460717 ADJUSTING PAD

Под заказ

1

Под заказ

уточнить

Купить
34 804608 ADJUSTING PAD

Под заказ

1

Под заказ

уточнить

Купить
35 80460810 ADJUSTING PAD

Под заказ

1

Под заказ

уточнить

Купить
36 80460820 ADJUSTING PAD

Под заказ

1

Под заказ

уточнить

Купить
37 80460830 ADJUSTING PAD

Под заказ

1

Под заказ

уточнить

Купить
38 80460840 PAD, Adjusting

Под заказ

1

Под заказ

уточнить

Купить
39 80460850 ADJUSTING PAD

Под заказ

1

Под заказ

уточнить

Купить
40 80460860 ADJUSTING PAD

Под заказ

1

Под заказ

уточнить

Купить
41 80460870 ADJUSTING PAD

Под заказ

1

Под заказ

уточнить

Купить
42 80460880 ADJUSTING PAD

Под заказ

1

Под заказ

уточнить

Купить
43 804149 VALVE PLATE

Под заказ

1

Под заказ

уточнить

Купить
44 804153 KEY

Под заказ

1

Под заказ

уточнить

Купить
45 804146 Натяжитель ремня ГРМ (TENSIONER0

Под заказ

1

Под заказ

уточнить

Купить
46 804150 BOLT, (M10 x 45)

Под заказ

1

Под заказ

уточнить

Купить
47 804147 Пружина ролика натяжителя (SPRING)

Под заказ

1

Под заказ

уточнить

Купить
48 804148 HOSE

Под заказ

1

Под заказ

уточнить

Купить
49 804151T Шестерня приводная(DRIVE GEAR)

Под заказ

1

Под заказ

уточнить

Купить
50 881314003 NUT

Под заказ

1

Под заказ

уточнить

Купить
51 858732T02 GASKET SET, Powerhead

Под заказ

1

Под заказ

уточнить

Купить
52 881310T09 HEAD-CYLINDER

Под заказ

1

Под заказ

уточнить

Купить
53 881421T04 POWERHEAD ASSEMBLY

Под заказ

1

Под заказ

уточнить

Купить

Нулевая цена не означает отсутствие товара. Оформите заказ, и менеджер сообщит вам цену и наличие товара, предварительно запросив их у поставщика

Главная Магазины
Корзина0
Профиль