Мы используем cookie для наилучшего представления нашего сайта. Подробнее об этом в Политике конфиденциальности.
Ок

Одинцово

Ваш город:
Одинцово (Московская область)?
Нет
Да
Каталог
Каталог Написать в WhatsApp
Мотоэкипировка

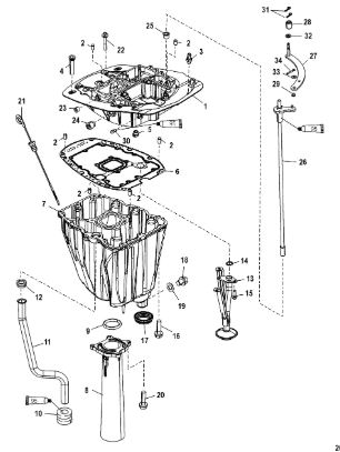
Выхлопная труба 4-Х ТАКТНОГО ПЛМ MERCURY 115 Серийный номер от 1B227000 до 1B366822

Выхлопная труба 4-Х ТАКТНОГО ПЛМ MERCURY 115 Серийный номер от 1B227000 до 1B366822 в Москве: актуальный каталог, цены, фото, описание. Купите выхлопная труба 4-х тактного плм mercury 115 серийный номер от 1b227000 до 1b366822 в кредит – оформите заявку онлайн за 1 минуту!

Оригинальные запчасти

Артикул НАИМЕНОВАНИЕ Кол-во деталей в узле Примечание Наличие Цена Аналоги Фото
1 897580A05 ADAPTOR PLATE KIT

Под заказ

1

Под заказ

уточнить

Купить
2 23784 Втулка

Под заказ

6

Под заказ

уточнить

Купить
3 880090 FITTING

Под заказ

1

Под заказ

уточнить

Купить
4 817519A2 CHECK VALVE DRAIN

Под заказ

2

Под заказ

уточнить

Купить
5 19565002 GROMMET

Под заказ

1

Под заказ

уточнить

Купить
6 8585831 Прокладка (GASKET-ADAPTER PL)

Под заказ

1

Под заказ

уточнить

Купить
7 858572T01 Крышка картера (SUMP-OIL)

Под заказ

1

Под заказ

уточнить

Купить
8 858584A1 EXHAUST TUBE

Под заказ

1

Под заказ

уточнить

Купить
9 881295 Уплотнительное кольцо (O-RING)

Под заказ

1

Под заказ

уточнить

Купить
10 89417004 GROMMET

Под заказ

1

Под заказ

уточнить

Купить
11 8M0026130 Трубка (TUBE-WATER NI EDP, LONG)

Под заказ

1

Под заказ

уточнить

Купить
12 8M0026129 TUBE-WATER

Под заказ

1

Под заказ

уточнить

Купить
13 814080001 Уплотнитель водозаборной трубки (SEAL)

Под заказ

1

Под заказ

уточнить

Купить
14 858571T OIL PICK-UP TUBE

Под заказ

1

Под заказ

уточнить

Купить
15 859082 Уплотнительное кольцо (O RING)

Под заказ

1

Под заказ

уточнить

Купить
16 8248327 SCREW

Под заказ

12

Под заказ

уточнить

Купить
17 8M0039073 Уплотнитель (SEAL)

Под заказ

1

Под заказ

уточнить

Купить
18 8288181 Заглушка (PLUG-DRAIN)

Под заказ

1

Под заказ

уточнить

Купить
19 828816 Прокладка (GASKET)

Под заказ

1

Под заказ

уточнить

Купить
20 82483213 SCREW, (M6 x 60)

Под заказ

4

Под заказ

уточнить

Купить
21 8596021 DIPSTICK

Под заказ

1

Под заказ

уточнить

Купить
22 898442 SCREW, (M8 x 50)

Под заказ

4

Под заказ

уточнить

Купить
23 889567 PLUG, (.500-14)

Под заказ

1

Под заказ

уточнить

Купить
24 27132 Втулка (BUSHING)

Под заказ

1

Под заказ

уточнить

Купить
25 888840 SHIFT LINK

Под заказ

1

Под заказ

уточнить

Купить
26 888917 Ролик (ROLLER)

Под заказ

1

Под заказ

уточнить

Купить
27 891658 BUSHING

Под заказ

1

Под заказ

уточнить

Купить
28 888823001 Фиксатор (SHIFT DETENT ASSEMBLY)

Под заказ

1

Под заказ

уточнить

Купить
29 82053M Шпонка (PIN, COTTER)

Под заказ

2

Под заказ

уточнить

Купить
30 888832 WASHER

Под заказ

1

Под заказ

уточнить

Купить
31 69056 Шайба

Под заказ

1

Под заказ

уточнить

Купить
32 26953 COTTER PIN, CLEVIS PIN

Под заказ

1

Под заказ

уточнить

Купить

Нулевая цена не означает отсутствие товара. Оформите заказ, и менеджер сообщит вам цену и наличие товара, предварительно запросив их у поставщика

Главная Магазины
Корзина0
Профиль