Мы используем cookie для наилучшего представления нашего сайта. Подробнее об этом в Политике конфиденциальности.
Ок

Одинцово

Ваш город:
Одинцово (Московская область)?
Нет
Да
Каталог
Каталог Написать в WhatsApp
Мотоэкипировка

Рулевой цилиндр в сборе 4-Х ТАКТНОГО ПЛМ MERCURY 135 Серийный номер от 1B381712 до 1B517158

Рулевой цилиндр в сборе 4-Х ТАКТНОГО ПЛМ MERCURY 135 Серийный номер от 1B381712 до 1B517158 в Москве: актуальный каталог, цены, фото, описание. Купите рулевой цилиндр в сборе 4-х тактного плм mercury 135 серийный номер от 1b381712 до 1b517158 в кредит – оформите заявку онлайн за 1 минуту!

Оригинальные запчасти

Артикул НАИМЕНОВАНИЕ Кол-во деталей в узле Примечание Наличие Цена Аналоги Фото
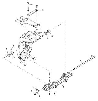
1 898349A01 *** Гидравлический цилиндр рулевой (KIT-STR ACT UNIV)

Под заказ

1

Под заказ

уточнить

Купить
2 898349A11 Рулевой гидроцилиндр мотора (STEERING ACT KIT)

Под заказ

1

Под заказ

уточнить

Купить
3 898081A01 TIE ROD ASSEMBLY

Под заказ

1

Под заказ

уточнить

Купить
4 898007001 PLATE, Lifting Eye

Под заказ

1

Под заказ

уточнить

Купить
5 898089 Шайба (WASHER)

Под заказ

1

Под заказ

уточнить

Купить
6 898087 Гайка (NUT)

Под заказ

1

Под заказ

уточнить

Купить
7 8M0042636 Гайка (NUT-BRASS @3)

Под заказ

1

Под заказ

уточнить

Купить
8 898086001 Втулка (COLLAR)

Под заказ

1

Под заказ

уточнить

Купить
9 898090 Шайба (WASHER)

Под заказ

2

Под заказ

уточнить

Купить
10 898088 Установочный винт (SET SCREW)

Под заказ

1

Под заказ

уточнить

Купить
11 898067 Шайба (SPACER)

Под заказ

1

Под заказ

уточнить

Купить
12 898082A01 STEERING LINK ASSEMBLY, Straight Arm

Под заказ

1

Под заказ

уточнить

Купить
13 875273138 SCREW, (.375-24 x 1.38)

Под заказ

2

Под заказ

уточнить

Купить

Нулевая цена не означает отсутствие товара. Оформите заказ, и менеджер сообщит вам цену и наличие товара, предварительно запросив их у поставщика

Главная Магазины
Корзина0
Профиль