Мы используем cookie для наилучшего представления нашего сайта. Подробнее об этом в Политике конфиденциальности.
Ок

Одинцово

Ваш город:
Одинцово (Московская область)?
Нет
Да
Каталог
Каталог Написать в WhatsApp
Мотоэкипировка

Головка цилиндра 4-Х ТАКТНОГО ПЛМ MERCURY 15 Carb(2CYL) Серийный номер от 0R235949 и выше

Головка цилиндра 4-Х ТАКТНОГО ПЛМ MERCURY 15 Carb(2CYL) Серийный номер от 0R235949 и выше в Москве: актуальный каталог, цены, фото, описание. Купите головка цилиндра 4-х тактного плм mercury 15 carb(2cyl) серийный номер от 0r235949 и выше в кредит – оформите заявку онлайн за 1 минуту!

Оригинальные запчасти

Артикул НАИМЕНОВАНИЕ Кол-во деталей в узле Примечание Наличие Цена Аналоги Фото
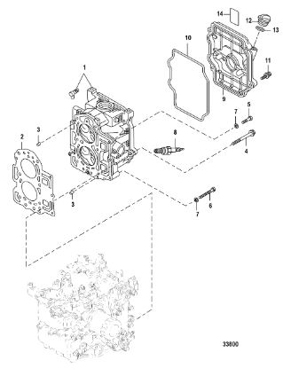
1 879147T57 CYLINDER HEAD

Под заказ

1

Под заказ

уточнить

Купить
2 812939T25 Прокладка (GASKET)

Под заказ

1

Под заказ

уточнить

Купить
3 855677002 BOLT

Под заказ

6

Под заказ

уточнить

Купить
4 823042054 BOLT

Под заказ

2

Под заказ

уточнить

Купить
5 898101009 SCREW

Под заказ

1

Под заказ

уточнить

Купить
6 879194338 Шайба (WASHER@2)

Под заказ

3

Под заказ

уточнить

Купить
7 803507 Свеча зажигания (PLUG DCPR6E @10)

Под заказ

2

Под заказ

уточнить

Купить
8 879147T58 COVER

Под заказ

1

Под заказ

уточнить

Купить
9 812939T26 Уплотнитель крыши головки блока 15-20 4-т (GASKET)

Под заказ

1

Под заказ

уточнить

Купить
10 859578A02 Пробка (CAP)

Под заказ

1

Под заказ

уточнить

Купить
11 803513007 Уплотнительное кольцо (O-RING)

Под заказ

1

Под заказ

уточнить

Купить
12 8M0099416 SHORT BLOCK BOXED

Под заказ

1

Под заказ

уточнить

Купить
13 803663A08 GASKET SET

Под заказ

1

Под заказ

уточнить

Купить

Нулевая цена не означает отсутствие товара. Оформите заказ, и менеджер сообщит вам цену и наличие товара, предварительно запросив их у поставщика

Главная Магазины
Корзина0
Профиль