Мы используем cookie для наилучшего представления нашего сайта. Подробнее об этом в Политике конфиденциальности.
Ок

Одинцово

Ваш город:
Одинцово (Московская область)?
Нет
Да
Каталог
Каталог Написать в WhatsApp
Мотоэкипировка

Электрические компоненты 4-Х ТАКТНОГО ПЛМ MERCURY 4 Серийный номер от 0R000001 до 0R067089

Электрические компоненты 4-Х ТАКТНОГО ПЛМ MERCURY 4 Серийный номер от 0R000001 до 0R067089 в Москве: актуальный каталог, цены, фото, описание. Купите электрические компоненты 4-х тактного плм mercury 4 серийный номер от 0r000001 до 0r067089 в кредит – оформите заявку онлайн за 1 минуту!

Оригинальные запчасти

Артикул НАИМЕНОВАНИЕ Кол-во деталей в узле Примечание Наличие Цена Аналоги Фото
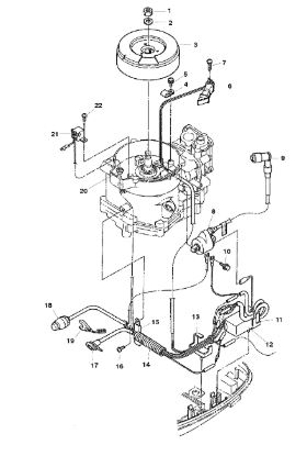
1 16071 NUT, FLYWHEEL

Под заказ

1

Под заказ

уточнить

Купить
2 16072 WASHER, FLYWHEEL

Под заказ

1

Под заказ

уточнить

Купить
3 803557T FLYWHEEL

Под заказ

1

Под заказ

уточнить

Купить
4 16060 CLAMP, ALTERNATOR

Под заказ

1

Под заказ

уточнить

Купить
5 803844T Катушка зажигания (COIL, Exciter)

Под заказ

1

Под заказ

уточнить

Купить
6 803559T1 *Катушка зажигания F4-F6 (COIL-IGNITION)

Под заказ

1

Под заказ

уточнить

Купить
7 803560001 Надсвечник (BOOT)

Под заказ

1

Под заказ

уточнить

Купить
8 167051 Болт (BOLT)

Под заказ

2

Под заказ

уточнить

Купить
9 878062 DAMPER (Rear)

Под заказ

1

Под заказ

уточнить

Купить
10 803558T02 CD UNIT

Под заказ

1

Под заказ

уточнить

Купить
11 878061 FRONT DAMPER

Под заказ

1

Под заказ

уточнить

Купить
12 879705 SLEEVE

Под заказ

1

Под заказ

уточнить

Купить
13 803563005 CLAMP

Под заказ

1

Под заказ

уточнить

Купить
14 8M0130961 CLAMP

Под заказ

1

Под заказ

уточнить

Купить
15 813275 CLAMP, RECTIFIER (SAIL POWER)

Под заказ

1

Под заказ

уточнить

Купить
16 16827 Болт (SCREW)

Под заказ

1

Под заказ

уточнить

Купить
17 803562 WARNING LAMP

Под заказ

1

Под заказ

уточнить

Купить
18 823037A05 SWITCH ASSEMBLY, Stop

Под заказ

1

Под заказ

уточнить

Купить
19 823054 Стропка (LANYARD ASSY)

Под заказ

1

Под заказ

уточнить

Купить
20 16068 GROMMET, PULSER COIL

Под заказ

1

Под заказ

уточнить

Купить
21 803561 COIL, Pulser

Под заказ

1

Под заказ

уточнить

Купить
22 82303110 SCREW, (M5 x 16)

Под заказ

2

Под заказ

уточнить

Купить

Нулевая цена не означает отсутствие товара. Оформите заказ, и менеджер сообщит вам цену и наличие товара, предварительно запросив их у поставщика

Главная Магазины
Корзина0
Профиль