Мы используем cookie для наилучшего представления нашего сайта. Подробнее об этом в Политике конфиденциальности.
Ок

Одинцово

Ваш город:
Одинцово (Московская область)?
Нет
Да
Каталог
Каталог Написать в WhatsApp
Мотоэкипировка

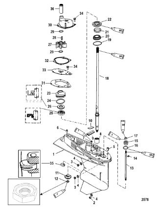
Корпус шестерни, приводной вал, длинный - 2:1 передаточное число 4-Х ТАКТНОГО ПЛМ MERCURY 40 Серийный номер от 1B227000 до 1B344398

Корпус шестерни, приводной вал, длинный - 2:1 передаточное число 4-Х ТАКТНОГО ПЛМ MERCURY 40 Серийный номер от 1B227000 до 1B344398 в Москве: актуальный каталог, цены, фото, описание. Купите корпус шестерни, приводной вал, длинный - 2:1 передаточное число 4-х тактного плм mercury 40 серийный номер от 1b227000 до 1b344398 в кредит – оформите заявку онлайн за 1 минуту!

Оригинальные запчасти

Артикул НАИМЕНОВАНИЕ Кол-во деталей в узле Примечание Наличие Цена Аналоги Фото
1 9760T44 Редуктор (GEAR HOUSING ASSEMBLY)

Под заказ

1

Под заказ

уточнить

Купить
2 9760T42 Редуктор (GEAR HOUSING)

Под заказ

1

Под заказ

уточнить

Купить
3 79953Q04 Болт дренажный 0.375-16х0.25 (SCREW KIT @2)

Под заказ

1

Под заказ

уточнить

Купить
4 191833 Прокладка дренажного болта редуктора F80

Под заказ

3

Под заказ

уточнить

Купить
5 8M0084244 Штифт (PIN - DOWEL)

Под заказ

1

Под заказ

уточнить

Купить
6 43044 Штифт (PIN, Dowel - Without Hole (.375 x .625))

Под заказ

1

Под заказ

уточнить

Купить
7 878089 Заглушка (PLUG, Pipe (.0625-27))

Под заказ

1

Под заказ

уточнить

Купить
8 812768 Подшипник (BEARING)

Под заказ

1

Под заказ

уточнить

Купить
9 818226A1 Пластина (PLATE KIT-FILLER)

Под заказ

1

Под заказ

уточнить

Купить
10 893604T Шестерня (GEAR-PINION)

Под заказ

1

Под заказ

уточнить

Купить
11 55910 Гайка (NUT @5)

Под заказ

1

Под заказ

уточнить

Купить
12 859607A1 Штанга переключения передач (SHIFT SHAFT ASSEMBLY)

Под заказ

1

Под заказ

уточнить

Купить
13 29641 Шплинт (E RING @2)

Под заказ

1

Под заказ

уточнить

Купить
14 813696A2 Втулка (BUSHING)

Под заказ

1

Под заказ

уточнить

Купить
15 45258 Уплотнительное кольцо (O RING)

Под заказ

1

Под заказ

уточнить

Купить
16 8164641 Сальник (SEAL)

Под заказ

1

Под заказ

уточнить

Купить
17 859102 Вал приводной (DRIVESHAFT)

Под заказ

1

Под заказ

уточнить

Купить
18 8M0063262 Кольца регулировочные (SHIM SET)

Под заказ

1

Под заказ

уточнить

Купить
19 77420A1 Подшипник (bearing kit)

Под заказ

1

Под заказ

уточнить

Купить
20 812966A7 Корпус сальников (BASE ASSY-WIP)

Под заказ

1

Под заказ

уточнить

Купить
21 30224 Уплотнительное кольцо резиновое (O RING @5)

Под заказ

1

Под заказ

уточнить

Купить
22 814669 Сальник (seal)

Под заказ

1

Под заказ

уточнить

Купить
23 814670 Сальник (seal)

Под заказ

1

Под заказ

уточнить

Купить
24 19453T Крыльчатка помпы MERCURY (ОТ 60Л.С.) IMPELLER W/P

В наличии

1

В наличии

4 050

5 000

Купить
25 8M0032831 Шпонка (KEY)

Под заказ

1

Под заказ

уточнить

Купить
26 8M0005777 Шайба

Под заказ

2

Под заказ

уточнить

Купить
27 812966A12 Ремнабор водяной помпы (REPAIR KIT, Water Pump)

Под заказ

1

Под заказ

уточнить

Купить
28 8M4502052 Прокладка (GASKET)

Под заказ

1

Под заказ

уточнить

Купить
29 822189 Прокладка (GASKET)

Под заказ

1

Под заказ

уточнить

Купить
30 19700A2 Зеркало помпы (FACEPLATE KIT)

Под заказ

1

Под заказ

уточнить

Купить
31 760394 Кулачок (CAM-SHIFT@2)

Под заказ

1

Под заказ

уточнить

Купить
32 8M0109708 Муфта (COUPLER)

Под заказ

1

Под заказ

уточнить

Купить
33 814669A2 Набор сальников (SEAL KIT-G/H)

Под заказ

1

Под заказ

уточнить

Купить

Нулевая цена не означает отсутствие товара. Оформите заказ, и менеджер сообщит вам цену и наличие товара, предварительно запросив их у поставщика

Главная Магазины
Корзина0
Профиль