Уважаемый клиент! Цены на сайте в процессе обновления. Уточняйте актуальную цену у менеджера в магазине.
Одинцово
On-line каталоги
 
			
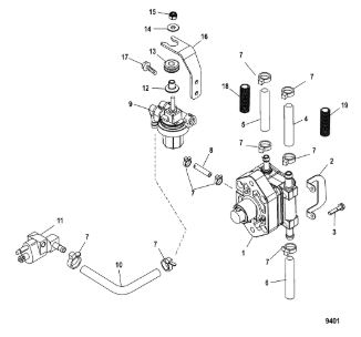
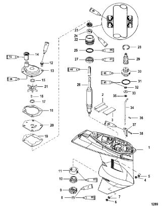
			Компоненты гидроподъема (Часть 1) 4-Х ТАКТНОГО ПЛМ MERCURY 40 Серийный номер от 1C000001 до 1C049738
 
			
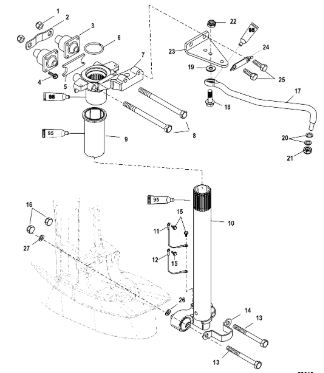
			Компоненты гидроподъема (Часть 2) 4-Х ТАКТНОГО ПЛМ MERCURY 40 Серийный номер от 1C000001 до 1C049738