Мы используем cookie для наилучшего представления нашего сайта. Подробнее об этом в Политике конфиденциальности.
Ок

Одинцово

Ваш город:
Одинцово (Московская область)?
Нет
Да
Каталог
Каталог Написать в WhatsApp
Мотоэкипировка

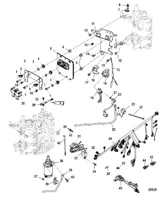
Электрические компоненты, 1C104333/0P560349 и ниже 4-Х ТАКТНОГО ПЛМ MERCURY 40 Серийный номер от 1C049739 и выше

Электрические компоненты, 1C104333/0P560349 и ниже 4-Х ТАКТНОГО ПЛМ MERCURY 40 Серийный номер от 1C049739 и выше в Москве: актуальный каталог, цены, фото, описание. Купите электрические компоненты, 1c104333/0p560349 и ниже 4-х тактного плм mercury 40 серийный номер от 1c049739 и выше в кредит – оформите заявку онлайн за 1 минуту!

Оригинальные запчасти

Артикул НАИМЕНОВАНИЕ Кол-во деталей в узле Примечание Наличие Цена Аналоги Фото
1 82129125 Болт (SCREW)

Под заказ

3

Под заказ

уточнить

Купить
2 893774002 Кронштейн (BRACKET)

Под заказ

1

Под заказ

уточнить

Купить
3 4002316 Шайба (WASHER@5)

Под заказ

3

Под заказ

уточнить

Купить
4 834985 Втулка (GROMMET)

Под заказ

3

Под заказ

уточнить

Купить
5 898369T05 Блок управления (ECM)

Под заказ

1

Под заказ

уточнить

Купить
6 898369T13 ECM, Engine Control Module

Под заказ

1

Под заказ

уточнить

Купить
7 856954 Втулка (BUSHING)

Под заказ

3

Под заказ

уточнить

Купить
8 24836 CLIP, TRIGGER LEADS

Под заказ

1

Под заказ

уточнить

Купить
9 82239312 Болт М5х12 (SCREW)

Под заказ

1

Под заказ

уточнить

Купить
10 858954 Держатель (CLIP, (.625))

Под заказ

2

Под заказ

уточнить

Купить
11 8M0022449 Кронштейн (PLATE)

Под заказ

3

Под заказ

уточнить

Купить
12 883834T01 Электрокабель (HARNESS)

Под заказ

1

Под заказ

уточнить

Купить
13 8M0007734 BRACE

Под заказ

1

Под заказ

уточнить

Купить
14 893768 Кронштейн (PLATE, Solenoid)

Под заказ

1

Под заказ

уточнить

Купить
15 82129114 Болт (SCREW)

Под заказ

1

Под заказ

уточнить

Купить
16 8M0010250 BRACKET

Под заказ

1

Под заказ

уточнить

Купить
17 8M0098898 Соленоид стартера (SOLENOID-STARTER)

Под заказ

1

Под заказ

уточнить

Купить
18 93388A16 Электрокабель (CABLE)

Под заказ

1

Под заказ

уточнить

Купить
19 401386 Гайка (NUT-M6 HEX, NYL I)

Под заказ

2

Под заказ

уточнить

Купить
20 88439A9 Электрокабель (CABLE ASSY-POS)

Под заказ

1

Под заказ

уточнить

Купить
21 880786 Кожух (BOOT (RED))

Под заказ

1

Под заказ

уточнить

Купить
22 893665T05 Электропроводка (HARNESS ASSEMBLY)

Под заказ

1

Под заказ

уточнить

Купить
23 83296925 *** Предохранитель 25 ампер (FUSE-CLEAR-25 AMP)

Под заказ

2

Под заказ

уточнить

Купить
24 8329695 *** Предохранитель 5 ампер (FUSE-TAN-5 AMP)

Под заказ

1

Под заказ

уточнить

Купить
25 832969T15 Предохранитель плавкий 15 А (FUSE, Mini - Blue)

Под заказ

1

Под заказ

уточнить

Купить
26 8329692 FUSE, Mini - Gray - 2 Ampere

Под заказ

1

Под заказ

уточнить

Купить
27 13541 Заглушка (PLUG, Male)

Под заказ

1

Под заказ

уточнить

Купить
28 8M0082988 Датчик положения коленвала (SENSOR ASSY)

Под заказ

1

Под заказ

уточнить

Купить
29 40011107 Болт (SCREW)

Под заказ

2

Под заказ

уточнить

Купить
30 893640T01 Регулятор напряжения (VOLTAGE REGULATOR)

Под заказ

1

Под заказ

уточнить

Купить
31 893771 Кронштейн (BRACKET)

Под заказ

1

Под заказ

уточнить

Купить
32 8308971 Упорная планка (PAD-FOAM)

Под заказ

1

Под заказ

уточнить

Купить
33 8248329 Болт (SCREW)

Под заказ

2

Под заказ

уточнить

Купить
34 8M0098207 Датчик давления масла (SWITCH-PRESSURE)

Под заказ

1

Под заказ

уточнить

Купить
35 893887T Стартер (STARTER ASSY)

Под заказ

1

Под заказ

уточнить

Купить
36 94330 Болт (NUT)

Под заказ

1

Под заказ

уточнить

Купить
37 88439A4 Электрокабель (CABLE ASSY-NEG)

Под заказ

1

Под заказ

уточнить

Купить
38 65292 J CLIP

Под заказ

1

Под заказ

уточнить

Купить
39 40011153 Болт (SCREW)

Под заказ

3

Под заказ

уточнить

Купить
40 881863A1 CABLE

Под заказ

1

Под заказ

уточнить

Купить
41 822447T01 CONNECTOR CAP ASSEMBLY, 3 Pin Male

Под заказ

1

Под заказ

уточнить

Купить
42 824514T02 CAP ASSEMBLY, Connector - 2 Pin Male

Под заказ

1

Под заказ

уточнить

Купить
43 897940T01 *Бокс для предохранителя (HARNESS-FUSE )

Под заказ

1

Под заказ

уточнить

Купить

Нулевая цена не означает отсутствие товара. Оформите заказ, и менеджер сообщит вам цену и наличие товара, предварительно запросив их у поставщика

Главная Магазины
Корзина0
Профиль