Мы используем cookie для наилучшего представления нашего сайта. Подробнее об этом в Политике конфиденциальности.
Ок

Одинцово

Ваш город:
Одинцово (Московская область)?
Нет
Да
Каталог
Каталог Написать в WhatsApp
Мотоэкипировка

Блок цилиндров и картер 4-Х ТАКТНОГО ПЛМ MERCURY 50 Серийный номер от 0P515897 и выше

Блок цилиндров и картер 4-Х ТАКТНОГО ПЛМ MERCURY 50 Серийный номер от 0P515897 и выше в Москве: актуальный каталог, цены, фото, описание. Купите блок цилиндров и картер 4-х тактного плм mercury 50 серийный номер от 0p515897 и выше в кредит – оформите заявку онлайн за 1 минуту!

Оригинальные запчасти

Артикул НАИМЕНОВАНИЕ Кол-во деталей в узле Примечание Наличие Цена Аналоги Фото
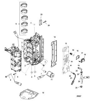
1 893502T02 Блок цилиндров (CYLINDER BLOCK)

Под заказ

1

Под заказ

уточнить

Купить
2 825010 PIN, Dowel

Под заказ

2

Под заказ

уточнить

Купить
3 889567 PLUG, (.500-14)

Под заказ

1

Под заказ

уточнить

Купить
4 416223 PLUG, Pipe (.750-14)

Под заказ

1

Под заказ

уточнить

Купить
5 893631 Вкладыш коленвала 1 половина! (BEARING MAIN BROWN)

Под заказ

11

Под заказ

уточнить

Купить
6 893631001 Вкладыш коленвала 1 половина! (BEARING)

Под заказ

11

Под заказ

уточнить

Купить
7 893631002 Вкладыш коленвала 1 половина! (BEARING)

Под заказ

11

Под заказ

уточнить

Купить
8 822625 NIPPLE

Под заказ

1

Под заказ

уточнить

Купить
9 82506182 SCREW (M8 X 1.25 X 82)

Под заказ

11

Под заказ

уточнить

Купить
10 892319001 Прокладка (GASKET)

Под заказ

1

Под заказ

уточнить

Купить
11 8M0065104 Фильтр масляный (FILTR OIL MPP)

Под заказ

1

Под заказ

уточнить

Купить
12 857078 Прокладка Mercury-60

Под заказ

1

Под заказ

уточнить

Купить
13 8M0118194 COVER - EXHAUST MACHINING - 4CYL

Под заказ

1

Под заказ

уточнить

Купить
14 14586 Термостат (THERMOSTAT-120)

Под заказ

1

Под заказ

уточнить

Купить
15 887978 Прокладка (GASKET)

Под заказ

1

Под заказ

уточнить

Купить
16 824853 Прокладка (GASKET)

Под заказ

1

Под заказ

уточнить

Купить
17 8M0008243 Крышка термостата (COVER)

Под заказ

1

Под заказ

уточнить

Купить
18 88348935 SCREW, (M6 x 35)

Под заказ

12

Под заказ

уточнить

Купить
19 8M0021770 STRAINER, Water

Под заказ

1

Под заказ

уточнить

Купить
20 889575 Датчик температуры (+SENSOR-TEMP.)

Под заказ

1

Под заказ

уточнить

Купить
21 627021 Уплотнительное кольцо (O RING)

Под заказ

1

Под заказ

уточнить

Купить
22 893697 LIFTING EYE

Под заказ

1

Под заказ

уточнить

Купить
23 857139 SCREW, (M8 x 35)

Под заказ

1

Под заказ

уточнить

Купить
24 8M0108349 Шланг (HOSE-70 INCH)

Под заказ

1

Под заказ

уточнить

Купить
25 883599A02 Набор прокладок (GASKET SET)

Под заказ

1

Под заказ

уточнить

Купить
26 893678T03 *Двигательный блок в сборе F60ELPT

Под заказ

1

Под заказ

уточнить

Купить

Нулевая цена не означает отсутствие товара. Оформите заказ, и менеджер сообщит вам цену и наличие товара, предварительно запросив их у поставщика

Главная Магазины
Корзина0
Профиль