Мы используем cookie для наилучшего представления нашего сайта. Подробнее об этом в Политике конфиденциальности.
Ок

Одинцово

Ваш город:
Одинцово (Московская область)?
Нет
Да
Каталог
Каталог Написать в WhatsApp
Мотоэкипировка

Стартер, 1B759588 и выше 4-Х ТАКТНОГО ПЛМ MERCURY 80 Серийный номер от 1B366823 и выше

Стартер, 1B759588 и выше 4-Х ТАКТНОГО ПЛМ MERCURY 80 Серийный номер от 1B366823 и выше в Москве: актуальный каталог, цены, фото, описание. Купите стартер, 1b759588 и выше 4-х тактного плм mercury 80 серийный номер от 1b366823 и выше в кредит – оформите заявку онлайн за 1 минуту!

Оригинальные запчасти

Артикул НАИМЕНОВАНИЕ Кол-во деталей в узле Примечание Наличие Цена Аналоги Фото
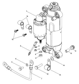
1 879345T77 Стартер (STARTER ASSY)

Под заказ

1

Под заказ

уточнить

Купить
2 898890T01 CABLE ASSEMBLY

Под заказ

1

Под заказ

уточнить

Купить
3 400255 Запорная шайба (LOCKWASHER, COVER SCREW)

Под заказ

1

Под заказ

уточнить

Купить
4 400211 Гайка (NUT)

Под заказ

1

Под заказ

уточнить

Купить
5 400213 Гайка

Под заказ

1

Под заказ

уточнить

Купить
6 26993 Шайба (LOCKWASHER@5)

Под заказ

1

Под заказ

уточнить

Купить
7 93388A1 CABLE, STARTER TO SOUND ATTENUATOR (BLACK)

Под заказ

1

Под заказ

уточнить

Купить
8 93388A8 CABLE

Под заказ

1

Под заказ

уточнить

Купить
9 30225 SCREW, END CAP MOUNTING

Под заказ

1

Под заказ

уточнить

Купить
10 8M0038988 SPACER

Под заказ

4

Под заказ

уточнить

Купить
11 8M0039900 MOUNT

Под заказ

8

Под заказ

уточнить

Купить
12 88552645 SCREW @2

Под заказ

4

Под заказ

уточнить

Купить
13 814634 CLAMP

Под заказ

1

Под заказ

уточнить

Купить
14 43430 WASHER, UPPER MOUNT SCREW

Под заказ

4

Под заказ

уточнить

Купить
15 8M0037204 Болт нейлоновый (SCREW @2)

Под заказ

2

Под заказ

уточнить

Купить
16 8M0040205 CLIP

Под заказ

2

Под заказ

уточнить

Купить

Нулевая цена не означает отсутствие товара. Оформите заказ, и менеджер сообщит вам цену и наличие товара, предварительно запросив их у поставщика

Главная Магазины
Корзина0
Профиль