Мы используем cookie для наилучшего представления нашего сайта. Подробнее об этом в Политике конфиденциальности.
Ок

Одинцово

Ваш город:
Одинцово (Московская область)?
Нет
Да
Каталог
Каталог Написать в WhatsApp
Мотоэкипировка

Впускные/выпускные клапаны 4-Х ТАКТНОГО ПЛМ MERCURY F15 Серийный номер от 0G590000 до 0G760299

Впускные/выпускные клапаны 4-Х ТАКТНОГО ПЛМ MERCURY F15 Серийный номер от 0G590000 до 0G760299 в Москве: актуальный каталог, цены, фото, описание. Купите впускные/выпускные клапаны 4-х тактного плм mercury f15 серийный номер от 0g590000 до 0g760299 в кредит – оформите заявку онлайн за 1 минуту!

Оригинальные запчасти

Артикул НАИМЕНОВАНИЕ Кол-во деталей в узле Примечание Наличие Цена Аналоги Фото
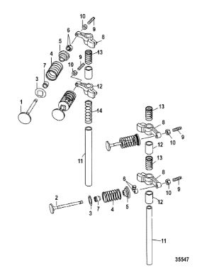
1 850838T INTAKE VALVE

Под заказ

2

Под заказ

уточнить

Купить
2 850839T EXHAUST VALVE

Под заказ

2

Под заказ

уточнить

Купить
3 822650 Седло клапанных сухарей (RETAINER-VALVE SPRING)

Под заказ

4

Под заказ

уточнить

Купить
4 893554 Сухарь клапана F40-3cyl EFI (KEY)

Под заказ

8

Под заказ

уточнить

Купить
5 825046 SCREW

Под заказ

4

Под заказ

уточнить

Купить
6 826150 NUT

Под заказ

4

Под заказ

уточнить

Купить
7 850842 ROCKER SHAFT

Под заказ

2

Под заказ

уточнить

Купить
8 825451 COLLAR

Под заказ

3

Под заказ

уточнить

Купить
9 825452 SPRING

Под заказ

3

Под заказ

уточнить

Купить
10 825453 SPRING

Под заказ

1

Под заказ

уточнить

Купить
11 802733A98 POWERHEAD ASSEMBLY

Под заказ

1

Под заказ

уточнить

Купить
12 835427A00 GASKET SET, Powerhead

Под заказ

1

Под заказ

уточнить

Купить

Нулевая цена не означает отсутствие товара. Оформите заказ, и менеджер сообщит вам цену и наличие товара, предварительно запросив их у поставщика

Главная Магазины
Корзина0
Профиль