Мы используем cookie для наилучшего представления нашего сайта. Подробнее об этом в Политике конфиденциальности.
Ок

Одинцово

Ваш город:
Одинцово (Московская область)?
Нет
Да
Каталог
Каталог Написать в WhatsApp
Мотоэкипировка

Цилиндр и картер 2-Х ТАКТНОГО ПЛМ SEA-PRO T9.8-9.9liteA

Цилиндр и картер 2-Х ТАКТНОГО ПЛМ SEA-PRO T9.8-9.9liteA в Москве: актуальный каталог, цены, фото, описание. Купите цилиндр и картер 2-х тактного плм sea-pro t9.8-9.9litea в кредит – оформите заявку онлайн за 1 минуту!

Оригинальные запчасти

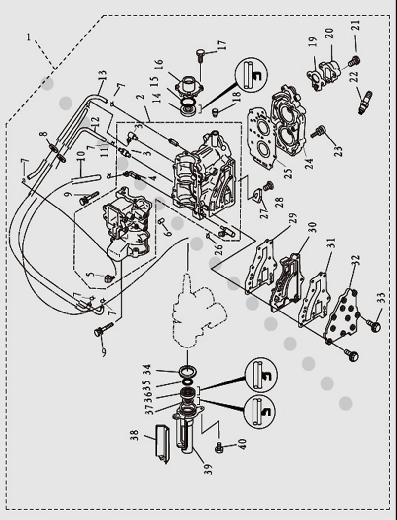
Артикул НАИМЕНОВАНИЕ Кол-во деталей в узле Примечание Наличие Цена Аналоги Фото
1 ALT8-03000000 Двигатель в сборе

Под заказ

1

Под заказ

уточнить

Купить
2 ALT8-03020000 Блок цилиндров в сборе

Под заказ

1

Под заказ

уточнить

Купить
3 ALT8-03020001 Штуцер

Под заказ

1

Под заказ

уточнить

Купить
4 ALT8-03020002 Штуцер

Под заказ

1

Под заказ

уточнить

Купить
5 ALT8-03020003 Клапан

Под заказ

2

Под заказ

уточнить

Купить
6 ALT8-03020004 Штифт

Под заказ

2

Под заказ

уточнить

Купить
7 ALT8-03020006 Защелка

Под заказ

1

Под заказ

уточнить

Купить
8 ALT8-03020007 Шланг L240

Под заказ

1

Под заказ

уточнить

Купить
9 ALT8-03020008 Хомут

Под заказ

2

Под заказ

уточнить

Купить
10 ALT8-03020009 Шланг L200

Под заказ

2

Под заказ

уточнить

Купить
11 ALT8-03020010 Шланг L167

Под заказ

1

Под заказ

уточнить

Купить
12 ALT8-03020011 Сальник коленвала верхний 20x36x7

Под заказ

1

Под заказ

уточнить

Купить
13 GB/T3452.1-92 Лодочный мотор Yamabisi - T4-T5 Уплотнительное кольцо 34х2

Под заказ

1

Под заказ

уточнить

Купить
14 ALT8-03020012 Корпус сальника

Под заказ

1

Под заказ

уточнить

Купить
15 ALT8-03020013 Заглушка

Под заказ

1

Под заказ

уточнить

Купить
16 ALT8-03020014 Прокладка термостата

Под заказ

1

Под заказ

уточнить

Купить
17 ALT8-03020015 Крышка термостата

Под заказ

1

Под заказ

уточнить

Купить
18 ALF4-05000010 Лодочный мотор Yamabisi - F4-F5 Термостат

Под заказ

1

Под заказ

уточнить

Купить
19 GB/T5783-2000 Лодочный мотор Yamabisi - F9.9-F15 Болт 6х25

Под заказ

3
BOLT M6X30
BOLT M6X30

Под заказ

уточнить

Купить
20 NGKBBPR7HS Свеча зажигания NGK BPR7HS-10

Под заказ

2

Под заказ

уточнить

Купить
21 ALT8-03020016 Головка блока цилиндров

Под заказ

1

Под заказ

уточнить

Купить
22 ALT8-03020017 Прокладка головки блока цилиндров

Под заказ

1

Под заказ

уточнить

Купить
23 ALT8-03020018 Анод

Под заказ

1

Под заказ

уточнить

Купить
24 GB/T819-2000 Лодочный мотор Yamabisi - Т2-2.5 Болт 6х10

Под заказ

1

Под заказ

уточнить

Купить
25 ALT8-03020019 Прокладка крышки выпуска внутр.

Под заказ

1

Под заказ

уточнить

Купить
26 ALT8-03020020 Крышка выпуска внутр.

Под заказ

1

Под заказ

уточнить

Купить
27 ALT8-03020021 Прокладка выпуска

Под заказ

1

Под заказ

уточнить

Купить
28 ALT8-03020022 Крышка выпуска

Под заказ

1

Под заказ

уточнить

Купить
29 GB/T97.1-85 Лодочный мотор Yamabisi - F9.9-F15 Шайба 6

Под заказ

1
WASHER 8
WASHER 8

Под заказ

уточнить

Купить
30 GB/T3452.1-92 Лодочный мотор Yamabisi - T4-T5 Уплотнительное кольцо 34х2

Под заказ

1

Под заказ

уточнить

Купить
31 ALT8-03020023 ALT8-03020023 Сальник коленвала нижний 20x36x7 T9.8A (2-36)¶

Под заказ

1

Под заказ

уточнить

1 170

Купить
32 ALT8-03020024 ALT8-03020024 Сальник коленвала нижний 14x23x6 T9.8A (2-37)

Под заказ

1

Под заказ

уточнить

1 060

Купить
33 ALT8-03020025 Обойма сальника коленвала

Под заказ

1

Под заказ

уточнить

Купить
34 ALT8-03020026 Корпус сальников коленвала

Под заказ

1

Под заказ

уточнить

Купить

Нулевая цена не означает отсутствие товара. Оформите заказ, и менеджер сообщит вам цену и наличие товара, предварительно запросив их у поставщика

Главная Магазины
Корзина0
Профиль