Мы используем cookie для наилучшего представления нашего сайта. Подробнее об этом в Политике конфиденциальности.
Ок

Одинцово

Ваш город:
Одинцово (Московская область)?
Нет
Да
Каталог
Каталог Написать в WhatsApp
Мотоэкипировка

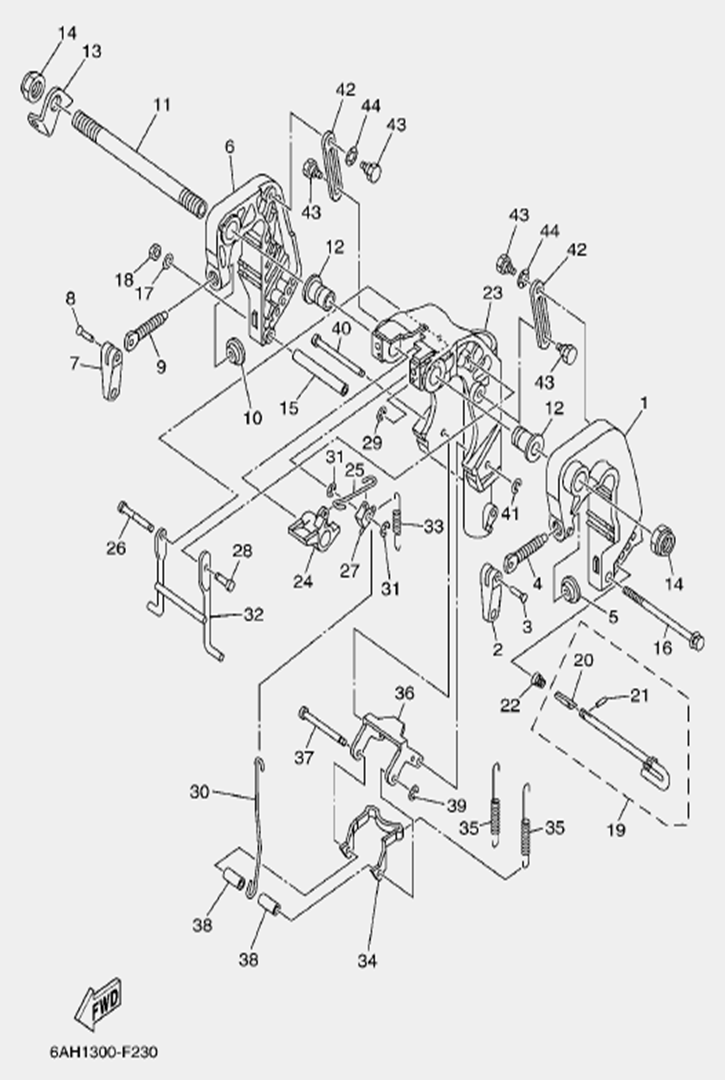
Струбцина (часть 1) 4-Х ТАКТНОГО ПЛМ SEA-PRO F20P

Струбцина (часть 1) 4-Х ТАКТНОГО ПЛМ SEA-PRO F20P в Москве: актуальный каталог, цены, фото, описание. Купите струбцина (часть 1) 4-х тактного плм sea-pro f20p в кредит – оформите заявку онлайн за 1 минуту!

Оригинальные запчасти

Артикул НАИМЕНОВАНИЕ Кол-во деталей в узле Примечание Наличие Цена Аналоги Фото
1 963-19001 Скоба струбцина левая

Под заказ

1

Под заказ

уточнить

Купить
2 15FMH-13009 Ручка винта струбцины

Под заказ

2

Под заказ

уточнить

Купить
3 15FMH-13010 Штифт ручки винта струбцины

Под заказ

2

Под заказ

уточнить

Купить
4 15FMH-13011 Зажим винтовой

Под заказ

2

Под заказ

уточнить

Купить
5 15FMH-13012 Шайба-площадка зажима струбцины

Под заказ

2

Под заказ

уточнить

Купить
6 963-19006 Скоба струбцина правая

Под заказ

1

Под заказ

уточнить

Купить
7 963-19011 Болт кронштейна

Под заказ

1

Под заказ

уточнить

Купить
8 963-19012 Втулка болта

Под заказ

2

Под заказ

уточнить

Купить
9 963-19013 Пластина кронштейна

Под заказ

1

Под заказ

уточнить

Купить
10 15FMH-13018 Гайка самоконтрящаяся

Под заказ

2

Под заказ

уточнить

Купить
11 15FMH-13021 Втулка

Под заказ

1

Под заказ

уточнить

Купить
12 963-19016 Болт с шайбой 6х155

Под заказ

1

Под заказ

уточнить

Купить
13 15FMH-12033 Гайка регулировочная латунная

Под заказ

1

Под заказ

уточнить

Купить
14 963-19019 Шток угла дифферента

Под заказ

1

Под заказ

уточнить

Купить
15 15FMH-13026 Пластина запирающая

Под заказ

1

Под заказ

уточнить

Купить
16 15FMH-13028 Штифт

Под заказ

1

Под заказ

уточнить

Купить
17 15FMH-13029 Пружина штока угла дифферента

Под заказ

1

Под заказ

уточнить

Купить
18 963-19023S Кронштейн поворотный

Под заказ

1

Под заказ

уточнить

Купить
19 963-19024 Замок наклона

Под заказ

1

Под заказ

уточнить

Купить
20 963-19025 Шток

Под заказ

1

Под заказ

уточнить

Купить
21 963-19026 Вал опорной стойки

Под заказ

1

Под заказ

уточнить

Купить
22 963-19027 Стопор пружины

Под заказ

1

Под заказ

уточнить

Купить
23 963-19028 Ограничитель вала

Под заказ

1

Под заказ

уточнить

Купить
24 963-19030 Вал стопорный

Под заказ

1

Под заказ

уточнить

Купить
25 963-19032 Стойка опорная

Под заказ

1

Под заказ

уточнить

Купить
26 963-19033 Пружина

Под заказ

1

Под заказ

уточнить

Купить
27 963-19034 Пластина замка

Под заказ

1

Под заказ

уточнить

Купить
28 963-19035 Пружина пластины

Под заказ

2

Под заказ

уточнить

Купить
29 963-19036 Пластина замка

Под заказ

1

Под заказ

уточнить

Купить
30 963-19037 Вал пластины замка

Под заказ

1

Под заказ

уточнить

Купить
31 963-19038 Втулка

Под заказ

2

Под заказ

уточнить

Купить
32 15FMH-13051 Кольцо стопорное

Под заказ

1

Под заказ

уточнить

Купить
33 963-19040 Вал задний

Под заказ

1

Под заказ

уточнить

Купить
34 15FMH-13051 Кольцо стопорное

Под заказ

1

Под заказ

уточнить

Купить
35 963-19042 Пластина стопорная

Под заказ

2

Под заказ

уточнить

Купить
36 963-19044 Шайба

Под заказ

2

Под заказ

уточнить

Купить

Нулевая цена не означает отсутствие товара. Оформите заказ, и менеджер сообщит вам цену и наличие товара, предварительно запросив их у поставщика

Главная Магазины
Корзина0
Профиль