Мы используем cookie для наилучшего представления нашего сайта. Подробнее об этом в Политике конфиденциальности.
Ок

Одинцово

Ваш город:
Одинцово (Московская область)?
Нет
Да
Каталог
Каталог Написать в WhatsApp
Мотоэкипировка

Редуктор (часть 2) 4-Х ТАКТНОГО ПЛМ SEA-PRO F5P

Редуктор (часть 2) 4-Х ТАКТНОГО ПЛМ SEA-PRO F5P в Москве: актуальный каталог, цены, фото, описание. Купите редуктор (часть 2) 4-х тактного плм sea-pro f5p в кредит – оформите заявку онлайн за 1 минуту!

Оригинальные запчасти

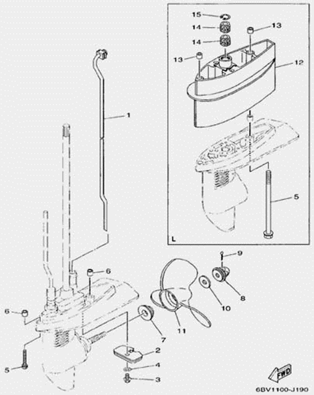
Артикул НАИМЕНОВАНИЕ Кол-во деталей в узле Примечание Наличие Цена Аналоги Фото
1 562-19001 Трубка охлаждения

Под заказ

1

Под заказ

уточнить

Купить
2 5MHS-11007 Анод

Под заказ

1

Под заказ

уточнить

Купить
3 15FMH-17011 Болт M6x30

Под заказ

1

Под заказ

уточнить

Купить
4 15FMH-17012 Шайба винта анода M6

Под заказ

1

Под заказ

уточнить

Купить
5 15FMH-11027 Болт с шайбой М6*25

Под заказ

2

Под заказ

уточнить

Купить
6 5MHS-11013 Втулка

Под заказ

2

Под заказ

уточнить

Купить
7 5MHS-11049 Шайба винта опорная

Под заказ

1

Под заказ

уточнить

Купить
8 5MHS-11050 Гайка винта

Под заказ

1

Под заказ

уточнить

Купить
9 5MHS-11051 Шплинт гайки винта 2.5*28

Под заказ

1

Под заказ

уточнить

Купить
10 PNFM40E-12011 Шайба

Под заказ

1

Под заказ

уточнить

Купить
11 5MHS-11055 Винт

Под заказ

1

Под заказ

уточнить

Купить
12 562-19012L Проставка дейдвуда

Под заказ

1

Под заказ

уточнить

Купить
13 5MHS-11013 Втулка

Под заказ

2

Под заказ

уточнить

Купить

Нулевая цена не означает отсутствие товара. Оформите заказ, и менеджер сообщит вам цену и наличие товара, предварительно запросив их у поставщика

Главная Магазины
Корзина0
Профиль