Мы используем cookie для наилучшего представления нашего сайта. Подробнее об этом в Политике конфиденциальности.
Ок

Одинцово

Ваш город:
Одинцово (Московская область)?
Нет
Да
Каталог
Каталог Написать в WhatsApp
Мотоэкипировка

Стартер 4-Х ТАКТНОГО ПЛМ SEA-PRO F5P

Стартер 4-Х ТАКТНОГО ПЛМ SEA-PRO F5P в Москве: актуальный каталог, цены, фото, описание. Купите стартер 4-х тактного плм sea-pro f5p в кредит – оформите заявку онлайн за 1 минуту!

Оригинальные запчасти

Артикул НАИМЕНОВАНИЕ Кол-во деталей в узле Примечание Наличие Цена Аналоги Фото
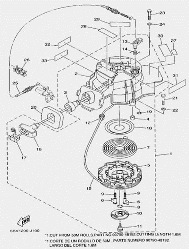
1 562-10002 Корпус стартера

Под заказ

1

Под заказ

уточнить

Купить
2 15FMH-07003 Направляющая веревки стартера

Под заказ

1

Под заказ

уточнить

Купить
3 963-10003 Втулка

Под заказ

3

Под заказ

уточнить

Купить
4 562-10005 Заводной барабан

Под заказ

1

Под заказ

уточнить

Купить
5 562-10007 Пружина стартера большая 6mm,1950mm

Под заказ

1

Под заказ

уточнить

Купить
6 562-10012 Манжета

Под заказ

1

Под заказ

уточнить

Купить
7 562-10013 Стопор-фиксатор стартера

Под заказ

1

Под заказ

уточнить

Купить
8 562-10014 Пружина стопора-фиксатора

Под заказ

1

Под заказ

уточнить

Купить
9 5MHS-04013 Веревка заводная

Под заказ

1

Под заказ

уточнить

Купить
10 15FMH-07018 Ручка стартера

Под заказ

1

Под заказ

уточнить

Купить
11 15FMH-07020 Заглушка ручки стартера Т15, Т5

В наличии

1

В наличии

460

860

Купить
12 562-10018 Тарелка пружины стартера

Под заказ

1

Под заказ

уточнить

Купить
13 PNFM40E-21010 Кольцо стопорное

Под заказ

1

Под заказ

уточнить

Купить
14 562-10020 Уплотнитель резиновый

Под заказ

1

Под заказ

уточнить

Купить
15 562-10025 Трос стопора 530,42

Под заказ

1

Под заказ

уточнить

Купить
16 562-10026 Фиксатор

Под заказ

1

Под заказ

уточнить

Купить
17 562-10027 Наклейка

Под заказ

1

Под заказ

уточнить

Купить
18 15FMH-07028 Наклейка

Под заказ

1

Под заказ

уточнить

Купить
19 562-10030 Наклейка

Под заказ

1

Под заказ

уточнить

Купить
20 562-10031 Наклейка

Под заказ

1

Под заказ

уточнить

Купить
21 15FMH-07029 Наклейка

Под заказ

1

Под заказ

уточнить

Купить

Нулевая цена не означает отсутствие товара. Оформите заказ, и менеджер сообщит вам цену и наличие товара, предварительно запросив их у поставщика

Главная Магазины
Корзина0
Профиль